GM Service Manual Online
For 1990-2009 cars only
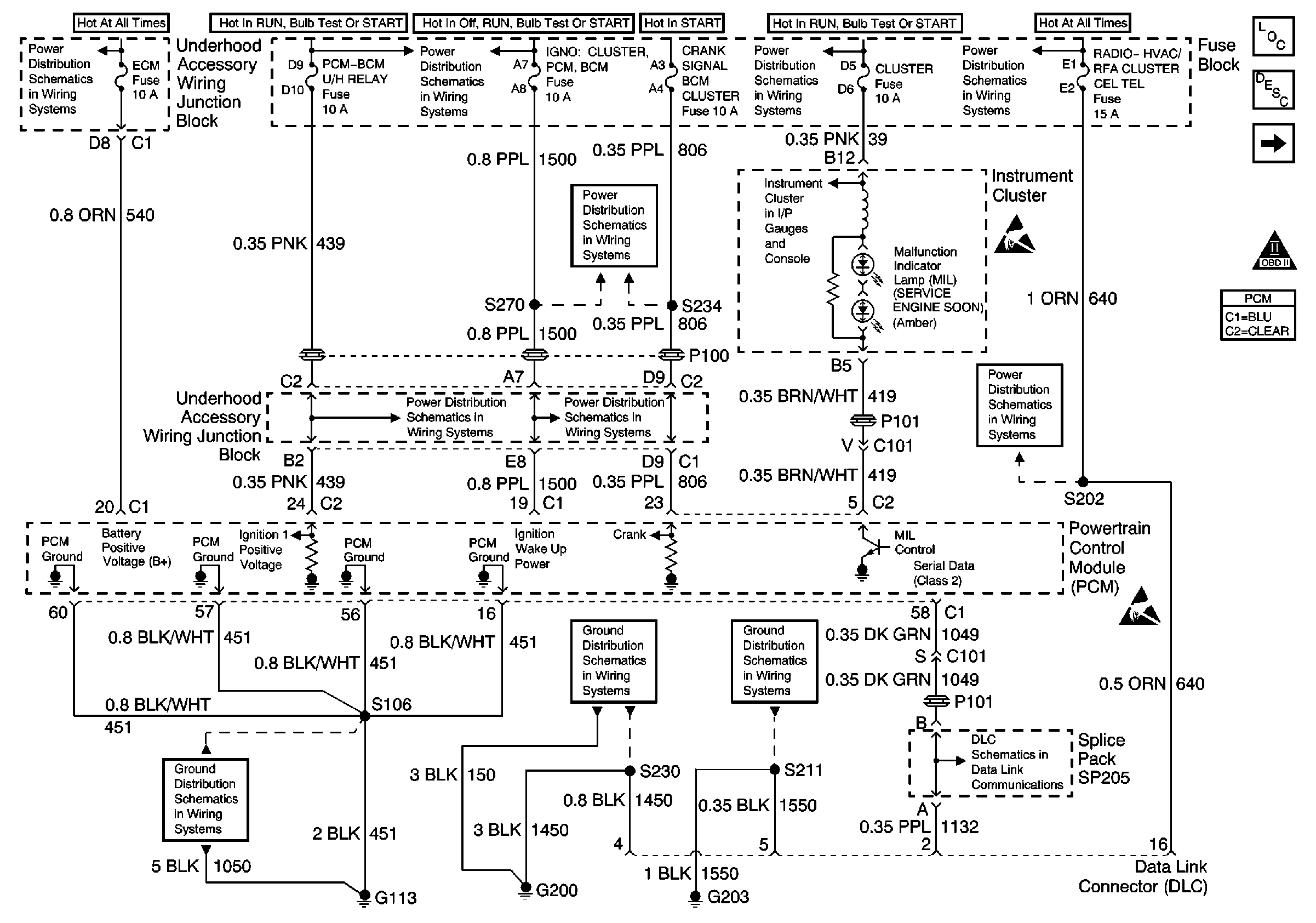
Figure 1:

Power and Grounds


Object Number: 589888  Size: FS
UAWJB, PCM, PNP Switch, and Backup Relay
Fuse Block, UAWJB, PCM, BCM, Cluster, Turn Signal Switch, and SDM Module
Fuse Block, UAWJB, PCM, BCM, Cluster, Turn Signal Switch, and SDM Module
G100, G113 and G113
Fuse Block Outside Rearview Mirror, Cluster, BCM, PCM, and BTSI Fuse
Fuse Block Outside Rearview Mirror, Cluster, BCM, PCM, and BTSI Fuse
G200
Fuse Block, UAWJB, PCM, BCM, Cluster, Turn Signal Switch, and SDM Module
IPC Class 2 Serial Data MIL Outputs and Engine Coolant Level Indicator Input
G203
Radio, HVAC, RFA, Cluster, Cel Tel, BCM Power, INADV Power Bus, Radio PRM Sound, and Cigar Lighter/Data Link Fuses
Handling ESD Sensitive Parts Notice
Radio, HVAC, RFA, Cluster, Cel Tel, BCM Power, INADV Power Bus, Radio PRM Sound, and Cigar Lighter/Data Link Fuses
Handling ESD Sensitive Parts Notice
Serial Data Class 2
Instrument Panel, Gages, and Console Component Views
Instrument Cluster Circuit Description
Crankshaft and Camshaft Position Sensors
OBD II Symbol Description Notice
Figure 2:

Crankshaft and Camshaft Position Sensors


Object Number: 589889  Size: FS
UAWJB, Automatic Transaxle, ICM, HO2S1 and HO2S2
Handling ESD Sensitive Parts Notice
Handling ESD Sensitive Parts Notice
Instrument Panel, Gages, and Console Component Views
Instrument Cluster Circuit Description
Fuel Tank Input/Output (L36 Only)
Power and Grounds
OBD II Symbol Description Notice
Figure 3:

Fuel Tank Input/Output (L36 Only)


Object Number: 589893  Size: FS
G100, G113 and G113
Handling ESD Sensitive Parts Notice
UAWJB
G402 cont.
G100, G113 and G113
G100, G113 and G113
G100, G113 and G113
Instrument Panel, Gages, and Console Component Views
Instrument Cluster Circuit Description
Fuel Tank Input/Output (L67 Only)
Crankshaft and Camshaft Position Sensors
OBD II Symbol Description Notice
Figure 4:

Fuel Tank Input/Output (L67 Only)


Object Number: 589900  Size: FS
Handling ESD Sensitive Parts Notice
Handling ESD Sensitive Parts Notice
G402 cont.
EBCM Input and Supercharger Boost Control Solenoid (L67 Only)
Instrument Panel, Gages, and Console Component Views
Instrument Cluster Circuit Description
EBCM Input and Supercharger Boost Control Solenoid (L67 Only)
Fuel Tank Input/Output (L36 Only)
OBD II Symbol Description Notice
Figure 5:

EBCM Input and Supercharger Boost Control Solenoid (L67 Only)


Object Number: 589905  Size: FS
Fuel Tank Input/Output (L67 Only)
Handling ESD Sensitive Parts Notice
UAWJB
G100, G113 and G113
G100, G113 and G113
G100, G113 and G113
Handling ESD Sensitive Parts Notice
Instrument Panel, Gages, and Console Component Views
Instrument Cluster Circuit Description
Fuel Injectors
Fuel Tank Input/Output (L67 Only)
OBD II Symbol Description Notice
Figure 6:

Fuel Injectors


Object Number: 589909  Size: FS
UAWJB, Fuel Injectors
Handling ESD Sensitive Parts Notice
Instrument Panel, Gages, and Console Component Views
Instrument Cluster Circuit Description
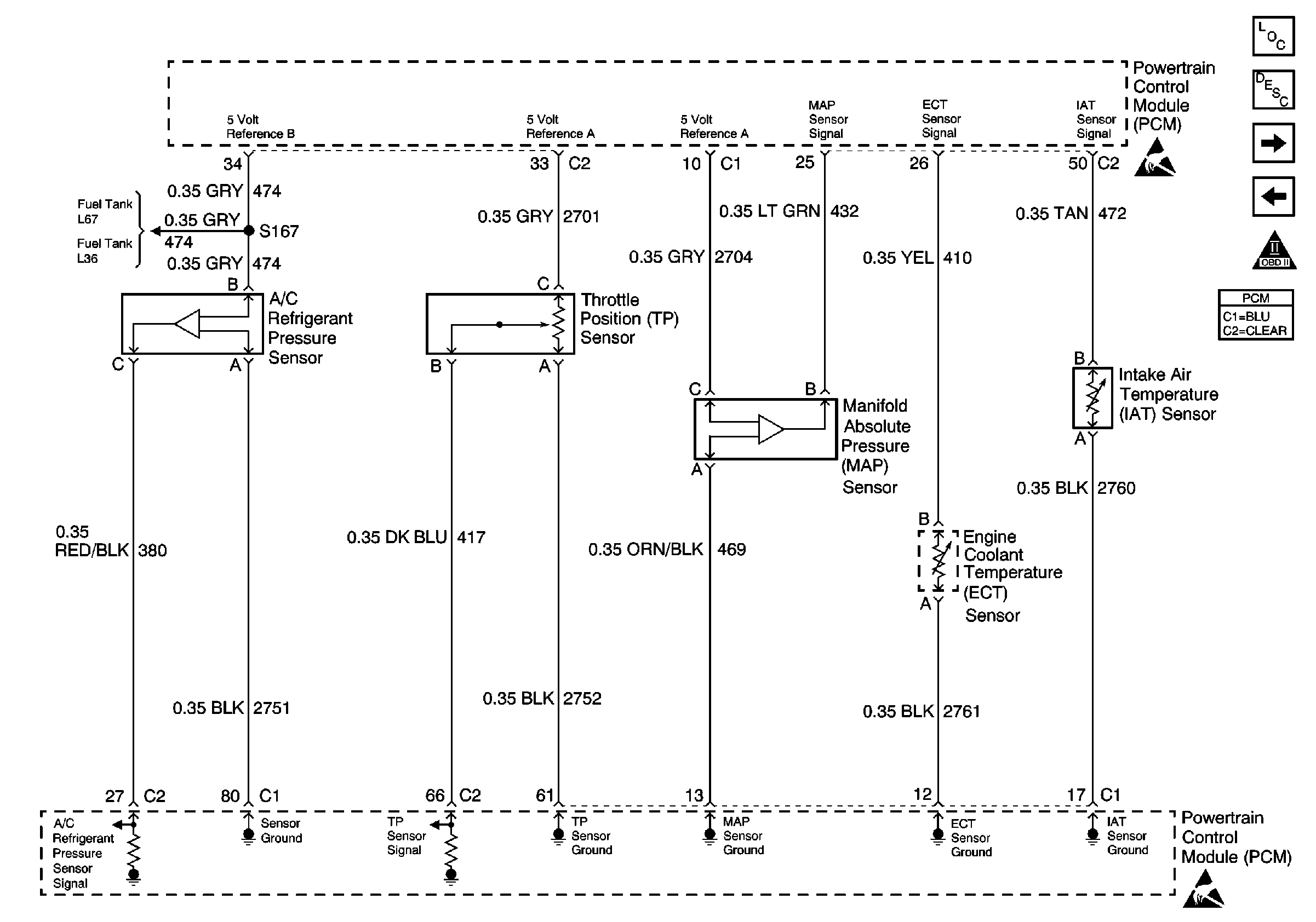
A/C Pressure Switch, Throttle Position Sensor, MAP Sensor, ECT Sensor and IAT Sensor
EBCM Input and Supercharger Boost Control Solenoid (L67 Only)
OBD II Symbol Description Notice
Figure 7:

A/C Pressure Switch, Throttle Position Sensor, MAP Sensor, ECT Sensor and IAT Sensor


Object Number: 589910  Size: FS
Handling ESD Sensitive Parts Notice
Handling ESD Sensitive Parts Notice
Instrument Panel, Gages, and Console Component Views
Instrument Cluster Circuit Description
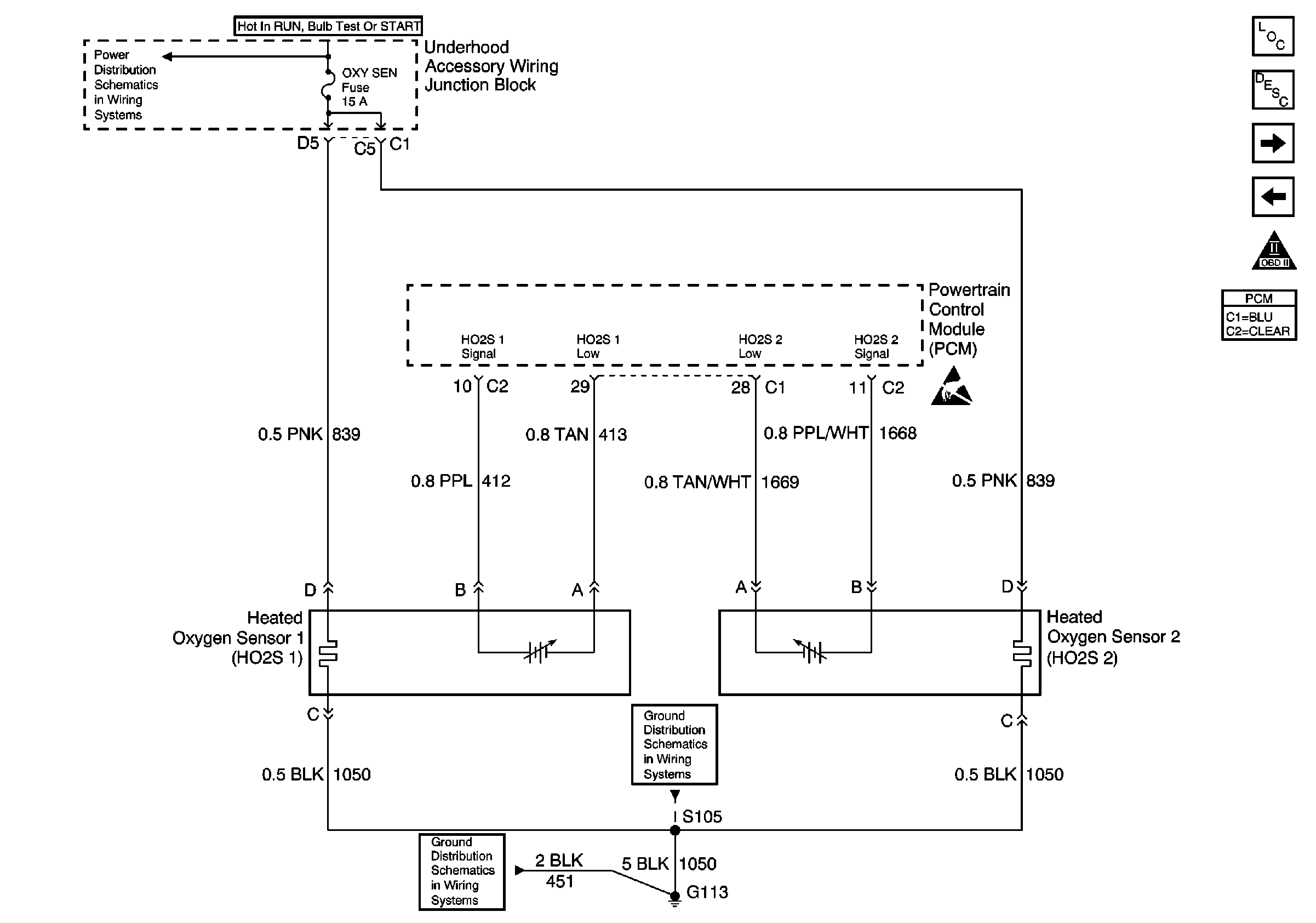
Heated Oxygen Sensors
Fuel Injectors
OBD II Symbol Description Notice
Figure 8:

Heated Oxygen Sensors


Object Number: 589913  Size: FS
UAWJB, Automatic Transaxle, ICM, HO2S1 and HO2S2
G113 and G117
G113 and G117
Handling ESD Sensitive Parts Notice
Instrument Panel, Gages, and Console Component Views
Instrument Cluster Circuit Description
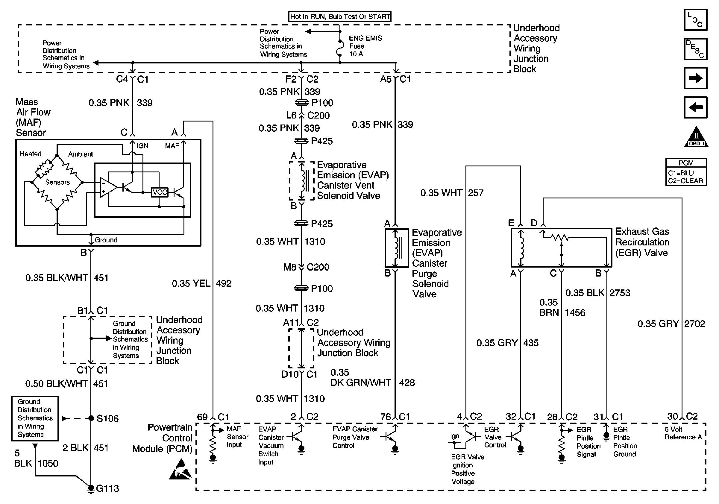
MAF Sensor, EVAP Canister Vent/Purge Solenoid Valve and EGR Valve
A/C Pressure Switch, Throttle Position Sensor, MAP Sensor, ECT Sensor and IAT Sensor
OBD II Symbol Description Notice
Figure 9:

MAF Sensor, EVAP Canister Vent/Purge Solenoid Valve and EGR Valve


Object Number: 589916  Size: FS
UAWJB, Stop Lamp Switch, EVAP, MAF Secondary Air Injection Bypass Valve Solenoid
UAWJB, Stop Lamp Switch, EVAP, MAF Secondary Air Injection Bypass Valve Solenoid
G100, G113 and G113
G100, G113 and G113
Handling ESD Sensitive Parts Notice
Instrument Panel, Gages, and Console Component Views
Instrument Cluster Circuit Description
IAC, Engine Oil Level/Pressure Switch
Heated Oxygen Sensors
OBD II Symbol Description Notice
Figure 10:

IAC, Engine Oil Level/Pressure Switch


Object Number: 589921  Size: FS
G100, G113 and G113
G100, G113 and G113
G100, G113 and G113
Handling ESD Sensitive Parts Notice
Instrument Panel, Gages, and Console Component Views
Instrument Cluster Circuit Description
Cruise Control Module, Secondary AIR Reaction Pump Motor and VSS
MAF Sensor, EVAP Canister Vent/Purge Solenoid Valve and EGR Valve
OBD II Symbol Description Notice
Figure 11:

Cruise Control Module, Secondary AIR Reaction Pump Motor and VSS


Object Number: 589999  Size: FS
Handling ESD Sensitive Parts Notice
UAWJB, Stop Lamp Switch, EVAP, MAF Secondary Air Injection Bypass Valve Solenoid
UAWJB, PCM, PNP Switch, and Backup Relay
G101
Handling ESD Sensitive Parts Notice
Instrument Panel, Gages, and Console Component Views
Instrument Cluster Circuit Description
Generator and Class 2 Serial Data
IAC, Engine Oil Level/Pressure Switch
OBD II Symbol Description Notice
Figure 12:

Generator and Class 2 Serial Data


Object Number: 589924  Size: FS
Handling ESD Sensitive Parts Notice
UAWJB, Ignition Switch, and Fuse Block
Handling ESD Sensitive Parts Notice
G203
Instrument Panel, Gages, and Console Component Views
Instrument Cluster Circuit Description
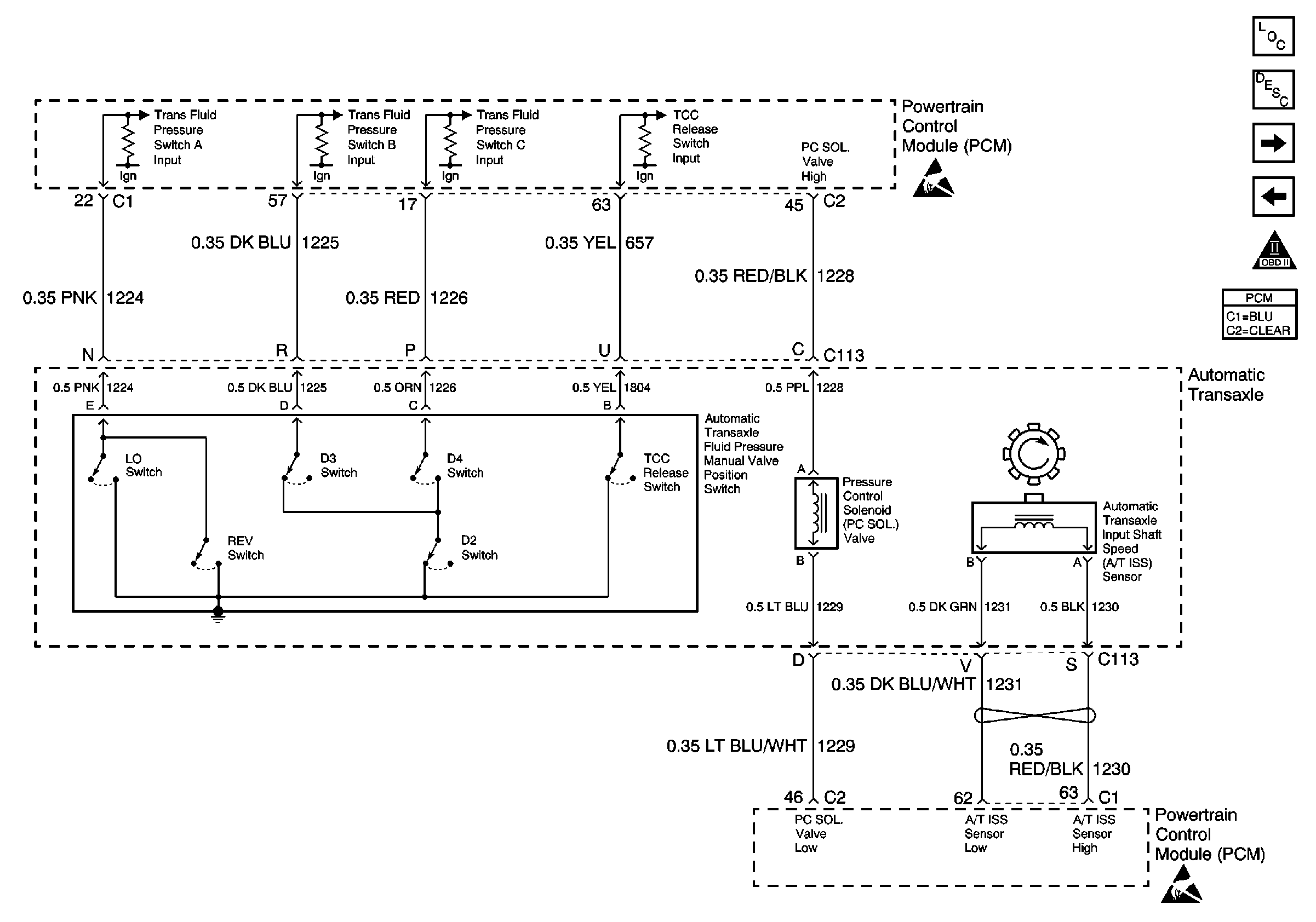
Transaxle Range Switch Inputs and Starter Solenoid
Cruise Control Module, Secondary AIR Reaction Pump Motor and VSS
OBD II Symbol Description Notice
Figure 13:

Transaxle Range Switch Inputs and Starter Solenoid


Object Number: 589927  Size: FS
Park Neutral Switch Schematic
G113 and G117
Handling ESD Sensitive Parts Notice
Handling ESD Sensitive Parts Notice
Fuse Block, UAWJB, PCM, BCM, Cluster, Turn Signal Switch, and SDM Module
UAWJB
Instrument Panel, Gages, and Console Component Views
Instrument Cluster Circuit Description
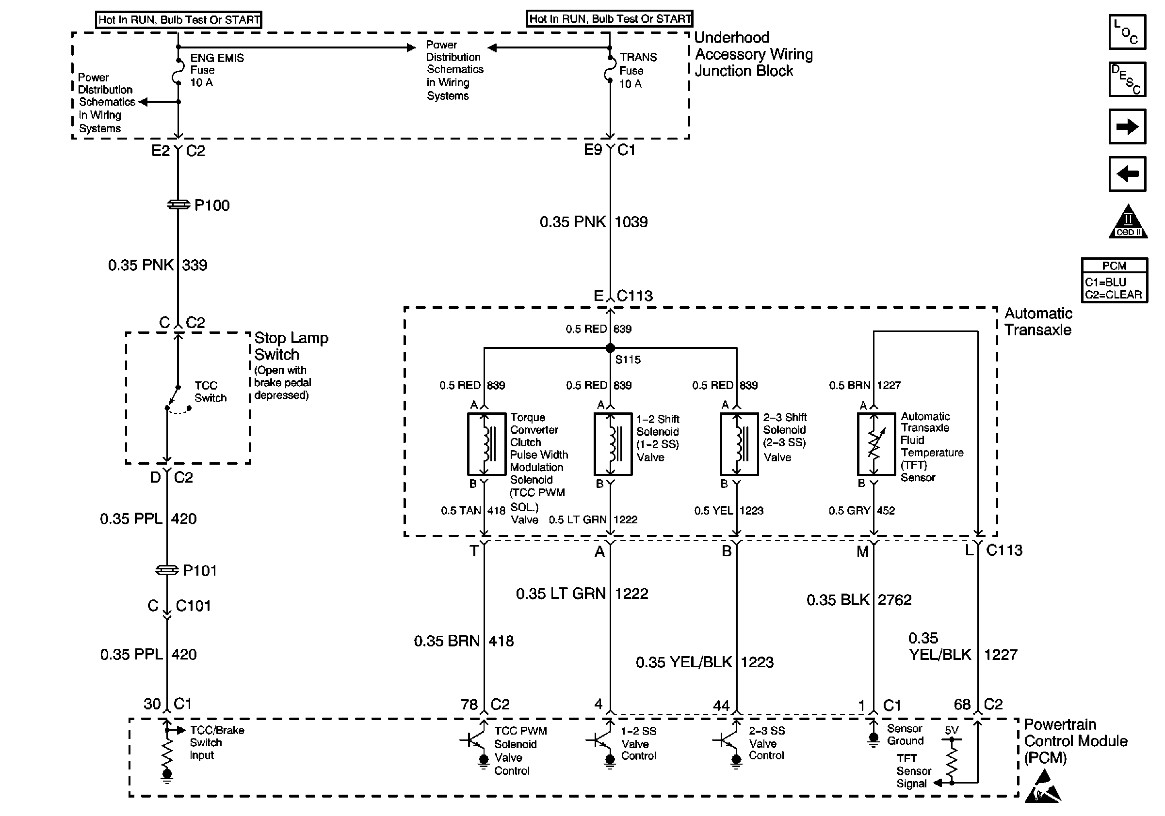
Automatic Transaxle Input/Output Stop Lamp Switch
Generator and Class 2 Serial Data
OBD II Symbol Description Notice
Figure 14:

Automatic Transaxle Input/Output Stop Lamp Switch


Object Number: 589929  Size: FS
UAWJB, Stop Lamp Switch, EVAP, MAF Secondary Air Injection Bypass Valve Solenoid
UAWJB, Automatic Transaxle, ICM, HO2S1 and HO2S2
Handling ESD Sensitive Parts Notice
Instrument Panel, Gages, and Console Component Views
Instrument Cluster Circuit Description
Heater A/C Control and A/C Compressor Clutch Coil
Transaxle Range Switch Inputs and Starter Solenoid
OBD II Symbol Description Notice
Figure 15:

Heater A/C Control and A/C Compressor Clutch Coil


Object Number: 589933  Size: FS
Low Blower, Cruise, and HVAC Fuses
Low Blower, Cruise, and HVAC Fuses
UAWJB, Ignition Switch, and Fuse Block
UAWJB
UAWJB
G100, G113 and G113
G100, G113 and G113
UAWJB
G113 and G117
G113 and G117
Handling ESD Sensitive Parts Notice
Instrument Panel, Gages, and Console Component Views
Instrument Cluster Circuit Description
Automatic Transaxle TCC Input/Output
Automatic Transaxle Input/Output Stop Lamp Switch
OBD II Symbol Description Notice
Figure 16:

Automatic Transaxle TCC Input/Output


Object Number: 590168  Size: FS
Handling ESD Sensitive Parts Notice
Handling ESD Sensitive Parts Notice
Instrument Panel, Gages, and Console Component Views
Instrument Cluster Circuit Description
Cooling Fans
Heater A/C Control and A/C Compressor Clutch Coil
OBD II Symbol Description Notice
Figure 17:

Cooling Fans


Object Number: 589934  Size: FS
G113 and G117
G113 and G117
G113 and G117
UAWJB
Handling ESD Sensitive Parts Notice
Instrument Panel, Gages, and Console Component Views
Instrument Cluster Circuit Description
Automatic Transaxle TCC Input/Output
OBD II Symbol Description Notice