GM Service Manual Online
For 1990-2009 cars only
Makes
🢒
Buick
🢒
2002
🢒
Regal
🢒 Engine Electrical System - Starting System LG5
Engine Electrical System - Starting System LG5
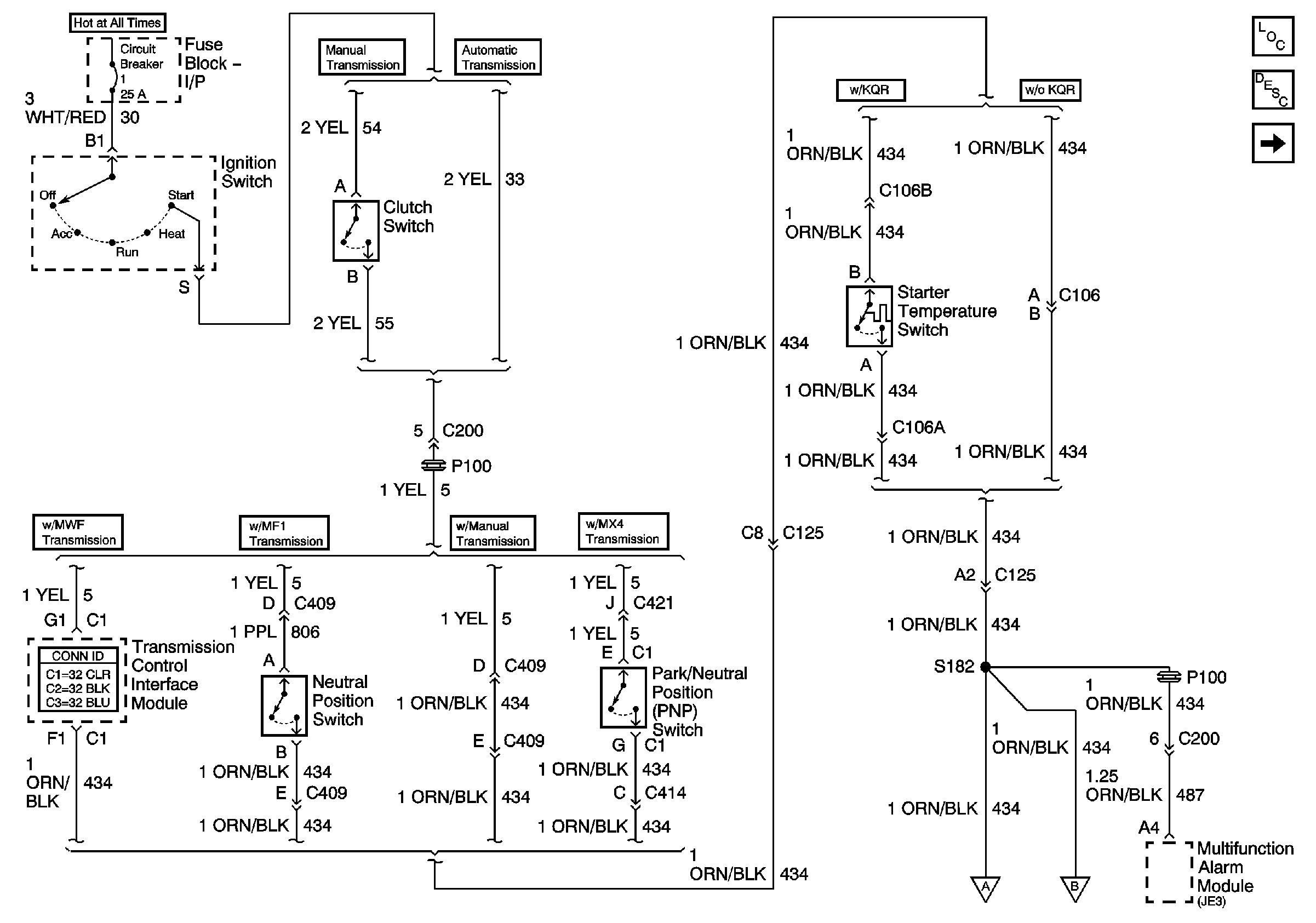
Starting Circuit LG5 (1 of 2)
Master Electrical Component List
Starting System Description and Operation
Engine Electrical System - Starting System LG5
Engine Electrical System - Starting System LG5
Engine Electrical System - Starting System LG5