GM Service Manual Online
For 1990-2009 cars only
Figure 1:

Power, Ground, MIL and Serial Data


Object Number: 874601  Size: FS
Master Electrical Component List
Powertrain Control Module Description
Engine Data Sensors - 5 Volt and Low Reference
OBD II Symbol Description Notice
Fuse Block-Underhood IGN 1 Fuse
Fuse Block-Underhood IGN 1 Fuse
Fuse Block-Underhood B+ Buss
Fuse Block-I/P Turn Signals,Corn Lps,Air Bag,Cluster,PCM,BCM U/H Relay Fuses,Fuse Block-U/H Crank, IGN Main Relays
G100, G113, and G171
Data Link Connector (DLC) Schematics
Figure 2:

Engine Data Sensors -- 5 Volt and Low Reference


Object Number: 858504  Size: FS
Master Electrical Component List
Powertrain Control Module Description
Engine Data Sensors - Pressure and Temperature
Power, Ground, MIL, and Serial Data
OBD II Symbol Description Notice
Figure 3:

Engine Data Sensors -- Pressure and Temperature


Object Number: 850712  Size: FS
Master Electrical Component List
Powertrain Control Module Description
Engine Data Sensors - MAF, VSS
Engine Data Sensors - 5 Volt and Low Reference
OBD II Symbol Description Notice
Fuse Block-Underhood B+ Buss
Fuse Block-Underhood ENG EMIS Fuse
Figure 4:

Engine Data Sensors - MAF, VSS


Object Number: 812236  Size: FS
Master Electrical Component List
Powertrain Control Module Description
Engine Data Sensors - HO2S
Engine Data Sensors - Pressure and Temperature
OBD II Symbol Description Notice
Fuse Block-Underhood B+ Buss
Fuse Block-Underhood ENG EMIS Fuse
G100, G113, and G171
G100, G113, and G171
Gages
Fluid Pressure Manual Valve Position Switch, ISS Sensor, and VSS
Engine Controls Schematic Icons
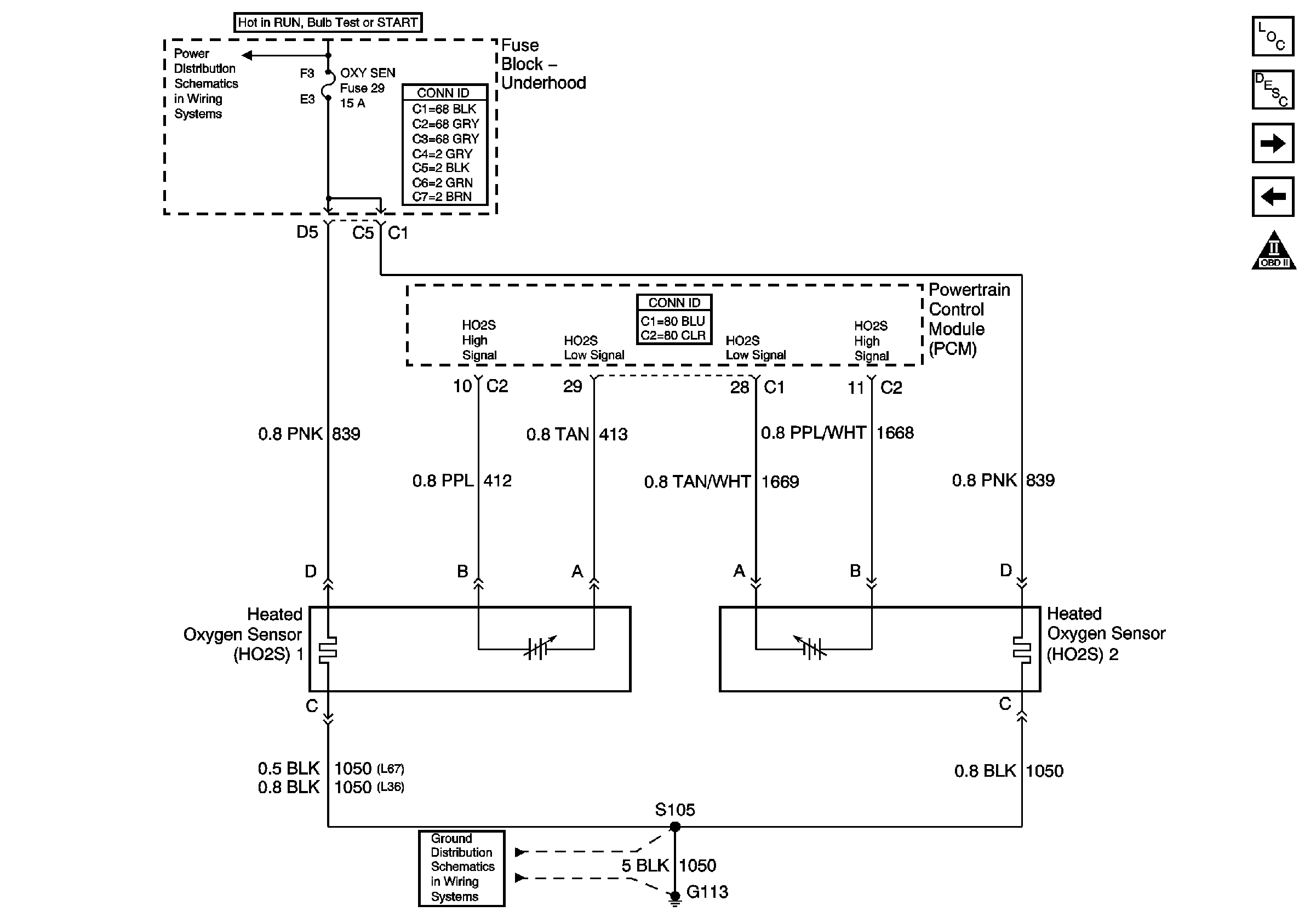
Figure 5:

Engine Data Sensors -- HO2S


Object Number: 869289  Size: FS
Master Electrical Component List
Powertrain Control Module Description
Ignition Controls
Engine Data Sensors - MAF, VSS
OBD II Symbol Description Notice
Fuse Block-Underhood B+ Buss
G100, G113, and G171
Figure 6:

Ignition Controls


Object Number: 902599  Size: FS
Master Electrical Component List
Electronic Ignition (EI) System Description
Fuel Pump Controls
Engine Data Sensors - HO2S
OBD II Symbol Description Notice
Fuse Block-Underhood B+ Buss
Figure 7:

Fuel Pump Controls


Object Number: 805929  Size: FS
Master Electrical Component List
Fuel System Description
Fuel Injectors
Ignition Controls
OBD II Symbol Description Notice
Fuse Block-Underhood B+ Buss
G100, G113, and G171
G402, Page 1 of 2
Gages
G100, G113, and G171
Figure 8:

Fuel Injectors


Object Number: 805933  Size: FS
Master Electrical Component List
Fuel System Description
Fuel Controls - EVAP and FTP
Fuel Pump Controls
OBD II Symbol Description Notice
Fuse Block-Underhood B+ Buss
Figure 9:

Fuel Controls -- EVAP and FTP


Object Number: 789742  Size: FS
Master Electrical Component List
Evaporative Emission Control System Description
IAC, EGR Device Controls
Fuel Injectors
OBD II Symbol Description Notice
Fuse Block-Underhood B+ Buss
Fuse Block-Underhood ENG EMIS Fuse
Gages
Compressor Controls
Compressor Controls
Figure 10:

IAC, EGR Device Controls


Object Number: 874603  Size: FS
Master Electrical Component List
Powertrain Control Module Description
Controlled/Monitored Subsystem References
Fuel Controls - EVAP and FTP
OBD II Symbol Description Notice
Fuse Block-Underhood B+ Buss
Fuse Block-Underhood B+ Buss
Figure 11:

Controlled/Monitored Subsystem References


Object Number: 805946  Size: FS
Master Electrical Component List
Powertrain Control Module Description
Transmission Controls PCM References
IAC, EGR Device Controls
OBD II Symbol Description Notice
Compressor Controls
Compressor Controls
Compressor Controls
Compressor Controls
Compressor Controls
Engine Cooling Schematics
Charging
Indicators, Page 2 of 2
Cruise Control Schematics
Starting
Stop Lamp and Torque Signals
Figure 12:

Automatic Transmission Controls


Object Number: 850716  Size: FS
Master Electrical Component List
Powertrain Control Module Description
Controlled/Monitored Subsystem References
OBD II Symbol Description Notice
Solenoid Controls and TFT Sensor
Internal Mode Switch (IMS)
Fluid Pressure Manual Valve Position Switch, ISS Sensor, and VSS
Solenoid Controls and TFT Sensor
Fluid Pressure Manual Valve Position Switch, ISS Sensor, and VSS