GM Service Manual Online
For 1990-2009 cars only
Makes
🢒
Buick
🢒
2003
🢒
Regal
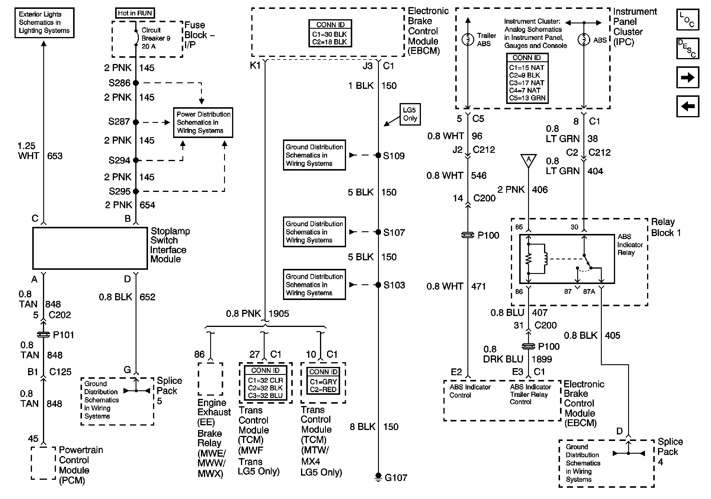
🢒 02 MD-540 Air ABS Schematics - ABS Ind Rly, Stop Lamp SW Interface Module, IPC, PCM
02 MD-540 Air ABS Schematics - ABS Ind Rly, Stop Lamp SW Interface Module, IPC, PCM
ABS Indicator Relay, EBCM, Stop Lamp Switch Interface Module, IPC and PCM
Master Electrical Component List
ABS Description and Operation
Air ABS System - Wheel Speed Sensors, EBCM and BPMV
Air ABS Schematics - ABS Relay, PCM, TCM, ECM and DLC
Air ABS Schematics - ABS Relay, PCM, TCM, ECM and DLC
Lighting System Schematics - TRN Trailer RLY, MF SW and TRN SG Haz FL
Power Distribution System Schematics - FB I/P, Circuit Breaker 9
Ground Distribution Schematics - S109, S148 and S424
Ground Distribution Schematics - S107
Ground Distribution Schematics - G107, G108, S101, S103 and S105
Ground Distribution Schematics - Splice Pack 5, S239 and S242
Ground Distribution Schematics - Splice Pack 1 and 4, S450
Isuzu IPC System Schematics - Seat Belt, Prim BRK, ABS, PRK BRK Lamps