GM Service Manual Online
For 1990-2009 cars only
Figure 1:

Power, Ground, and DLC


Object Number: 1225844  Size: FS
Master Electrical Component List
Radio/Audio System Description and Operation
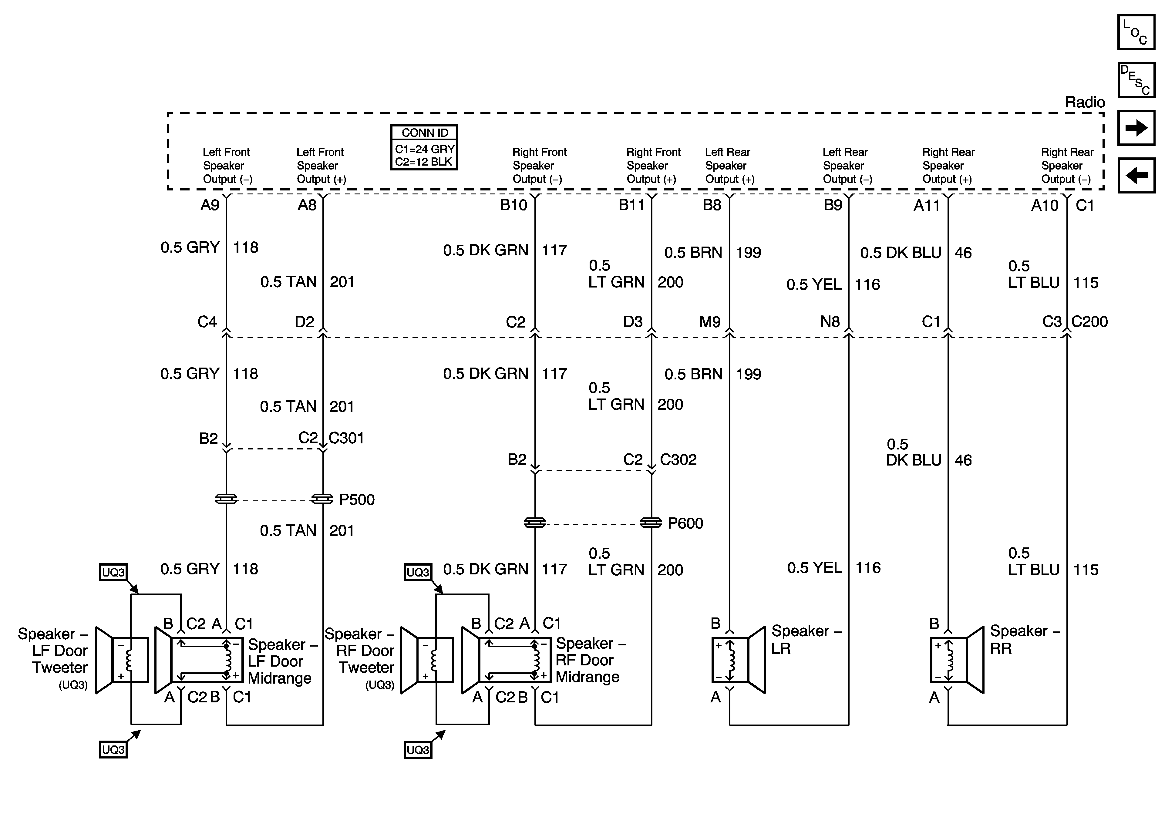
Speakers (UQ3/UX7 w/o UK3)
Fuse Block - Underhood BAT 1 Fuse, Fuse Block - I/P RADIO, HVAC, RFA, CLSTR, ALDL, BCM PWR, ACCY POWER BUS, RADIO PREM. SOUND, and LTR Fuses
Fuse Block - I/P R/LAMPS and INT/ILLUM Fuses
Fuse Block - I/P R/LAMPS and INT/ILLUM Fuses
Fuse Block - Underhood BAT 1 Fuse, Fuse Block - I/P RADIO, HVAC, RFA, CLSTR, ALDL, BCM PWR, ACCY POWER BUS, RADIO PREM. SOUND, and LTR Fuses
I/P Dimmer Switch, HVAC, and IPC
G203, Page 1 of 2
G203, Page 2 of 2
Inputs and Outputs
Data Link Connector (DLC) Schematics
Figure 2:

Speakers (UQ3/UX7 w/o UK3)


Object Number: 1225850  Size: FS
Master Electrical Component List
Radio/Audio System Description and Operation
Speakers (UQ3/UX7 w/UK3)
Power, Ground, and DLC
Figure 3:

Speakers (UQ3/UX7 w/UK3)


Object Number: 1354344  Size: FS
Master Electrical Component List
Radio/Audio System Description and Operation
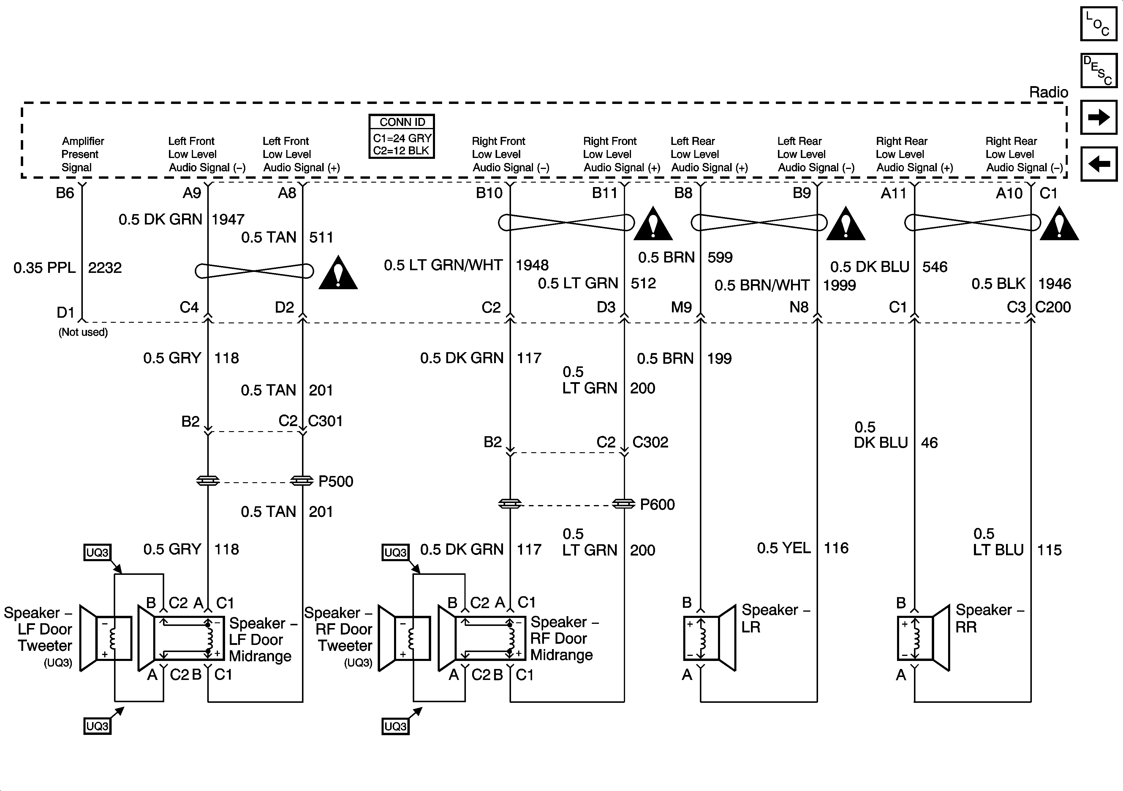
Audio Signals (U85)
Speakers (UQ3/UX7 w/o UK3)
Entertainment Schematic Icons
Entertainment Schematic Icons
Entertainment Schematic Icons
Entertainment Schematic Icons
Figure 4:

Premium Sound Audio Signals (U85)


Object Number: 1225857  Size: FS
Master Electrical Component List
Radio/Audio System Description and Operation
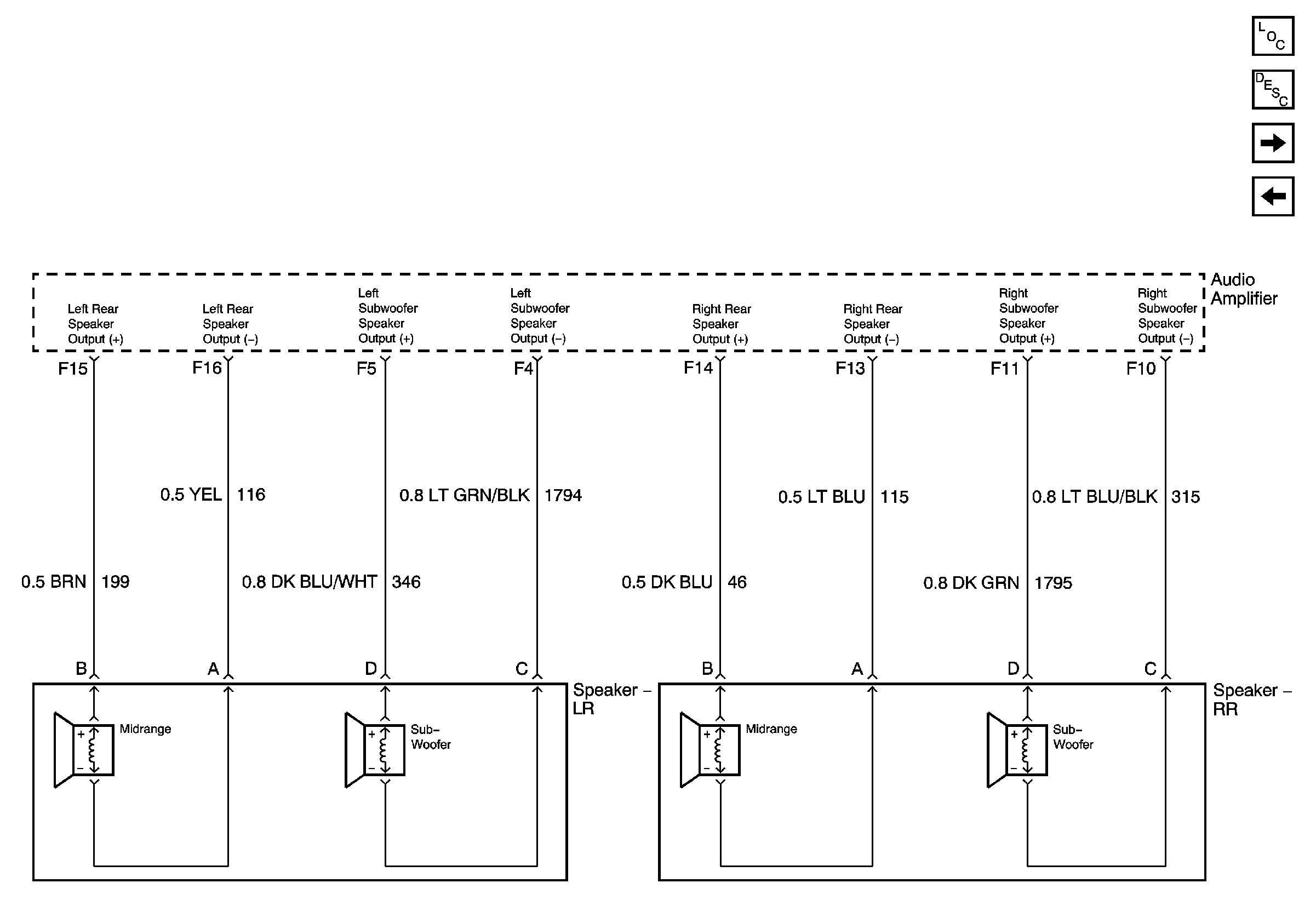
Rear Speakers (U85)
Speakers (UQ3/UX7 w/UK3)
Fuse Block - Underhood BAT 1 Fuse, Fuse Block - I/P RADIO, HVAC, RFA, CLSTR, ALDL, BCM PWR, ACCY POWER BUS, RADIO PREM. SOUND, and LTR Fuses
Entertainment Schematic Icons
Entertainment Schematic Icons
Entertainment Schematic Icons
Entertainment Schematic Icons
Entertainment Schematic Icons
Entertainment Schematic Icons
Entertainment Schematic Icons
Entertainment Schematic Icons
G203, Page 2 of 2
G203, Page 1 of 2
Figure 5:

Rear Speakers (U85)


Object Number: 879526  Size: FS
Master Electrical Component List
Radio/Audio System Description and Operation
Front Speakers (U85)
Audio Signals (U85)
Figure 6:

Front Speakers (U85)


Object Number: 813757  Size: FS
Master Electrical Component List
Radio/Audio System Description and Operation
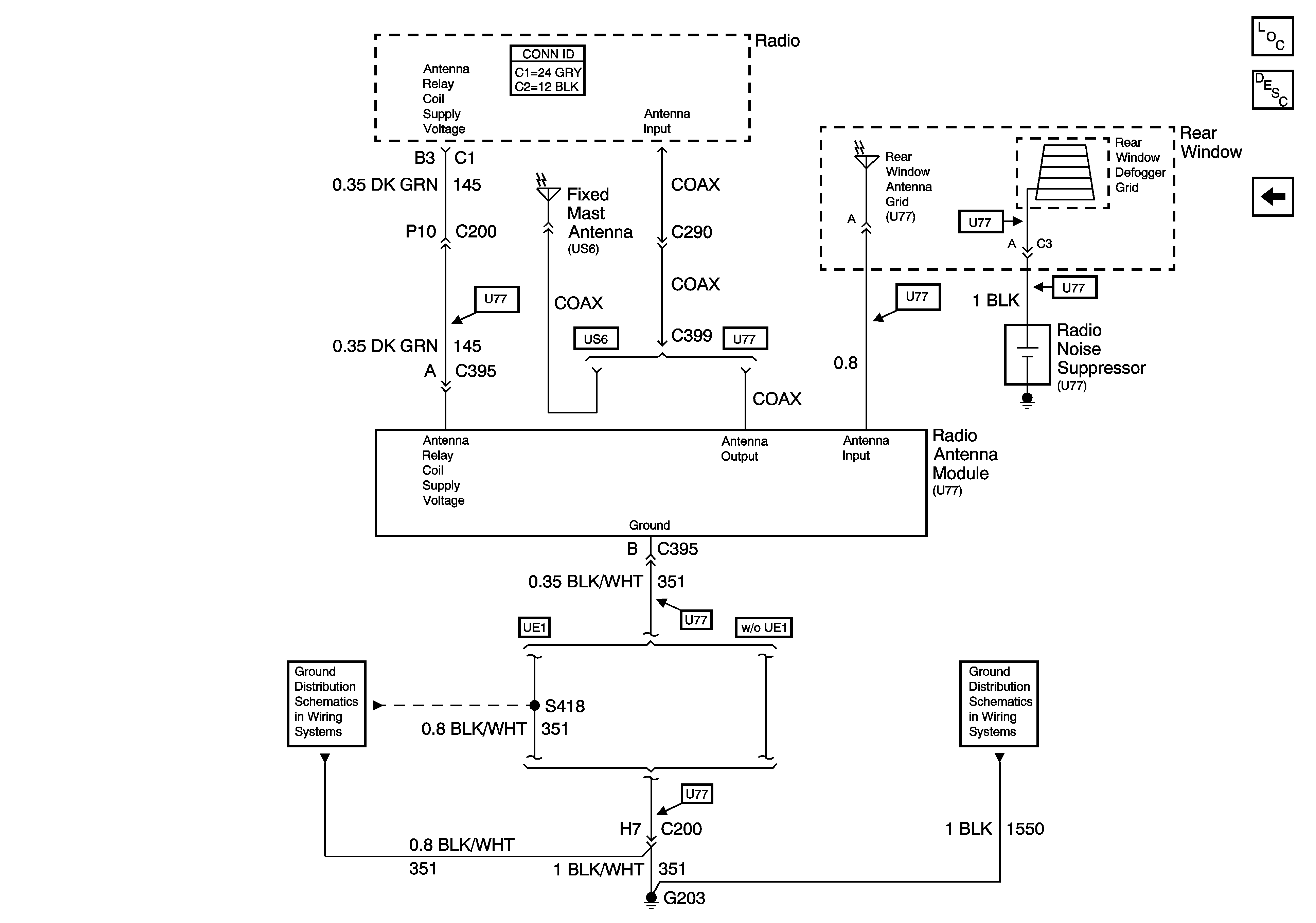
Antenna Module
Rear Speakers (U85)
Figure 7:

Antenna Module


Object Number: 1225864  Size: FS
Master Electrical Component List
Radio/Audio System Description and Operation
Front Speakers (U85)
G203, Page 2 of 2
G203, Page 1 of 2