GM Service Manual Online
For 1990-2009 cars only
Makes
🢒
Buick
🢒
1999
🢒
Regal (China) (CNG)
🢒
Restraints
🢒
SIR
🢒 SIR Schematics
Figure
1:
Fuse Block, Inflatable Restraint Steering and IP Modules, G200
SIR Components
SIR System Component Description and Definitions
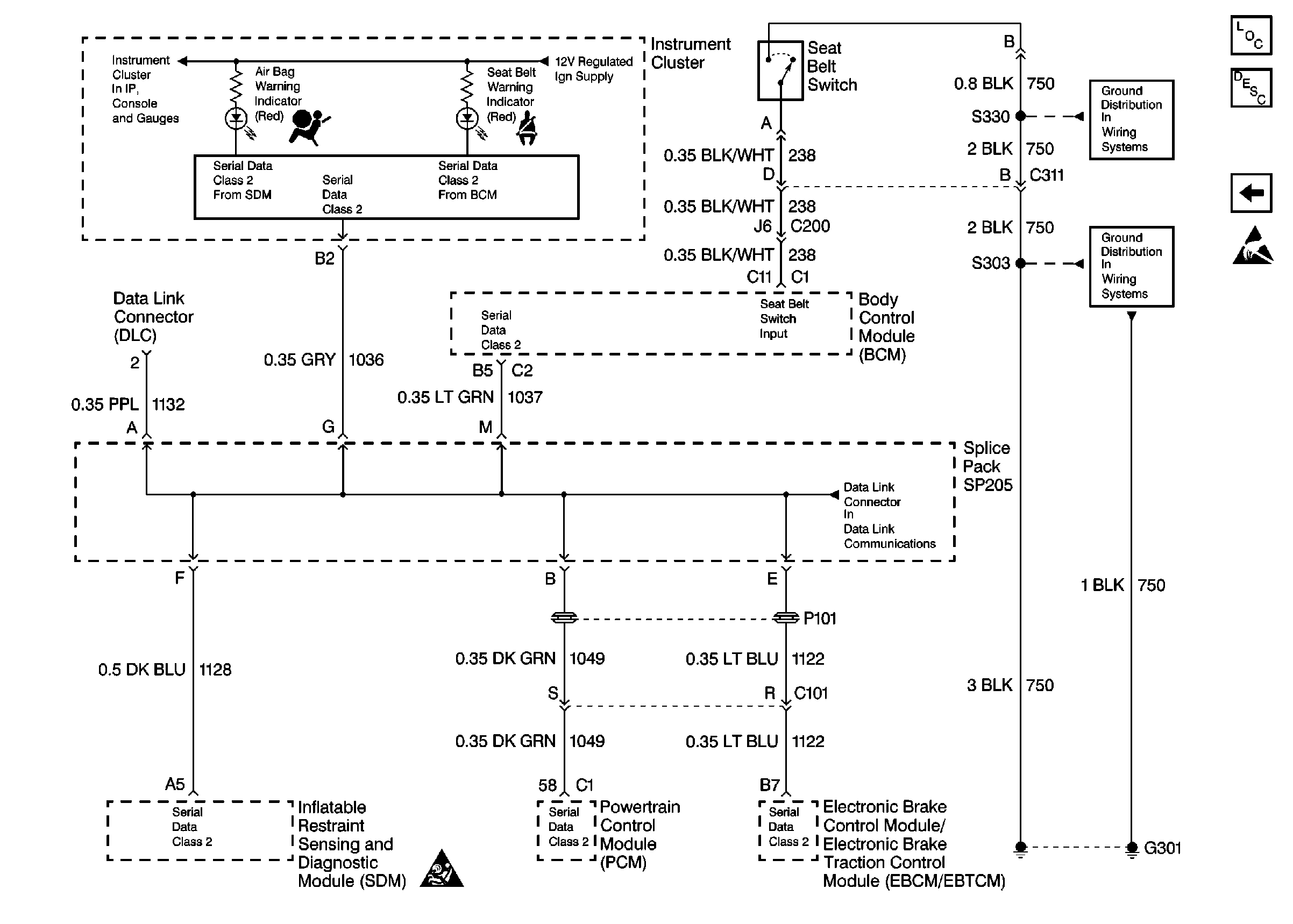
IC, Seat Belt Switch, SP205, SDM, PCM and EBCM/EBTCM
SIR Handling Caution
UAWJB, Ignition Switch and Fuse Block
Handling ESD Sensitive Parts Notice
G200, 1 of 2
Figure
2:
IC, Seat Belt Switch, SP205, SDM, PCM and EBCM/EBTCM
SIR Components
SIR System Component Description and Definitions
Fuse Block, Inflatable Restraint Steering and IP Modules, G200
Handling ESD Sensitive Parts Notice
G301, 1 of 3
DLC
Brake Fluid Level Switch
SIR Handling Caution