GM Service Manual Online
For 1990-2009 cars only
Makes
🢒
Buick
🢒
1999
🢒
Regal (China) (CNG)
🢒
Body and Accessories
🢒
Lighting Systems
🢒 Interior Lights Dimming Schematics
Figure
1:
Headlamp Switch, Instrument Cluster, HVAC Control Assembly, Rear Radio Control Module, Electronic Traction Control and Fog Lamp Assembly
Fuse Block, UAWJB, Radio and IC
Fuse Block, UAWJB, Radio and IC
Instrument Cluster, Headlamp Switch, Automatic Headlamp Control Module, Side Repeater and Rear Turn Lamps
UAWJB, PNP Switch, PCM, Generator, Headlamp Module and Switch
Handling ESD Sensitive Parts Notice
G201
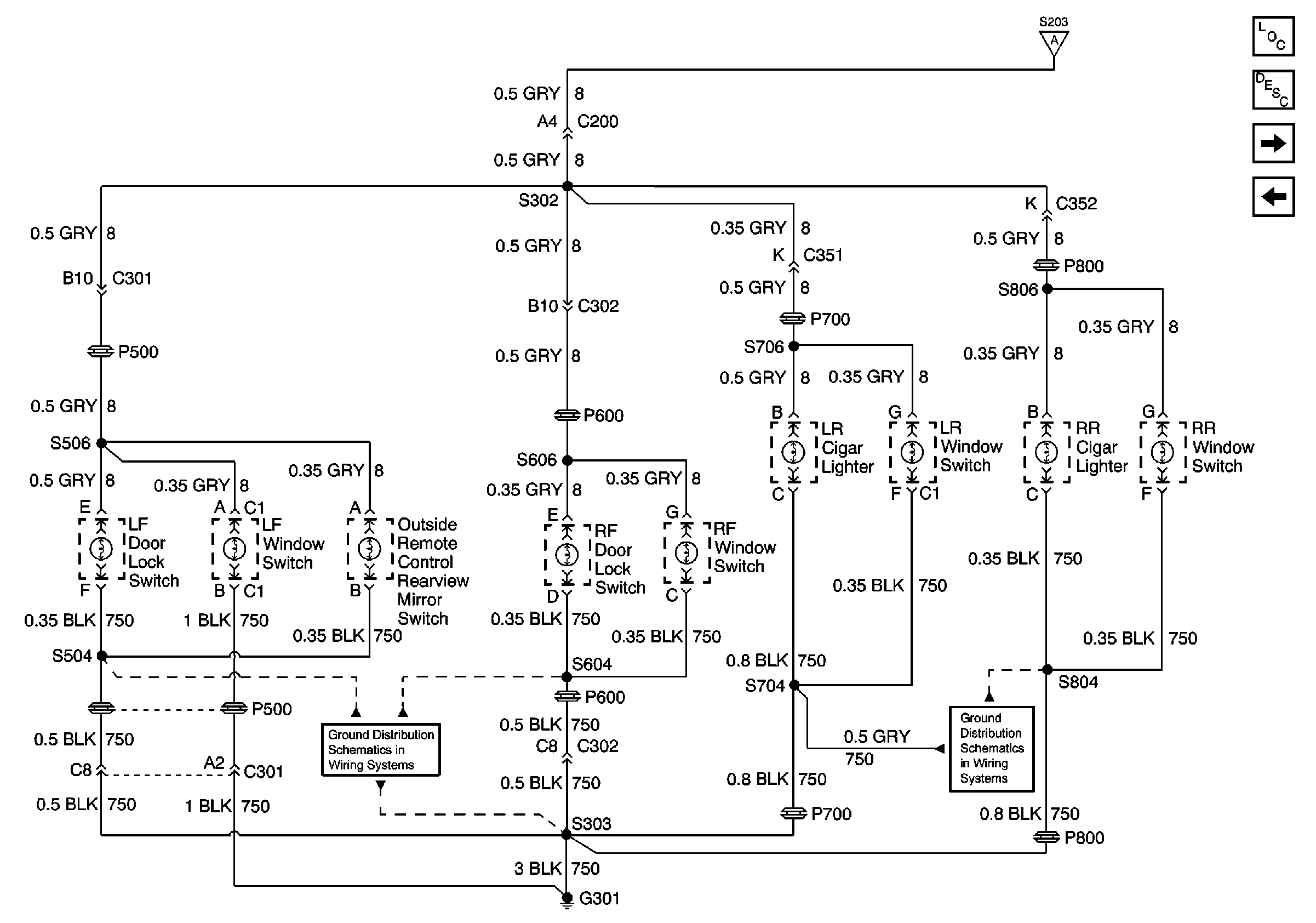
Rear Cigar Lighter, Outside Remote Control Rearview Mirror, Door Lock and Window Switches
HVAC Control Assembly, Instrument Cluster and Radio
Cigar Lighter/Power Outlet Schematics
G200, 1 of 2
Handling ESD Sensitive Parts Notice
Lighting Systems Components
Interior Lights Dimming Circuit Description
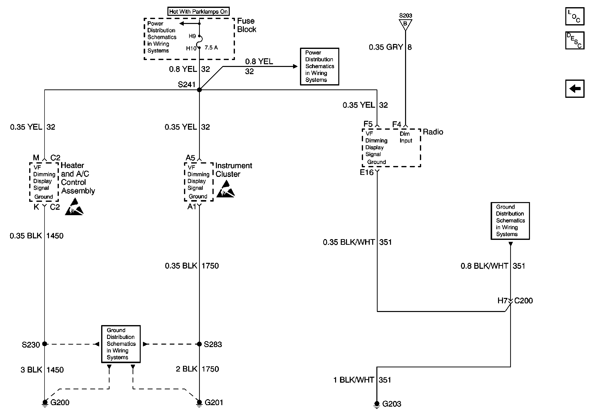
HVAC Control Assembly, Instrument Cluster and Radio
Figure
2:
HVAC Control Assembly, Instrument Cluster and Radio
Fuse Block, UAWJB, Radio and IC
Handling ESD Sensitive Parts Notice
Handling ESD Sensitive Parts Notice
G203
G200, 1 of 2
G200, 1 of 2
Headlamp Switch, Instrument Cluster, HVAC Control Assembly, Rear Radio Control Module, Electronic Traction Control and Fog Lamp Assembly
Lighting Systems Components
Interior Lights Dimming Circuit Description
Rear Cigar Lighter, Outside Remote Control Rearview Mirror, Door Lock and Window Switches
Figure
3:
Rear Cigar Lighter, Outside Remote Control Rearview Mirror, Door Lock and Window Switches
Headlamp Switch, Instrument Cluster, HVAC Control Assembly, Rear Radio Control Module, Electronic Traction Control and Fog Lamp Assembly
HVAC Control Assembly, Instrument Cluster and Radio
Headlamp Switch, Instrument Cluster, HVAC Control Assembly, Rear Radio Control Module, Electronic Traction Control and Fog Lamp Assembly
G301, 1 of 3
G301, 1 of 3
Lighting Systems Components
Interior Lights Dimming Circuit Description