GM Service Manual Online
For 1990-2009 cars only
Makes
🢒
Buick
🢒
2004
🢒
Rendezvous - AWD
🢒
Engine
🢒
Engine Electrical
🢒 Starting and Charging Schematics
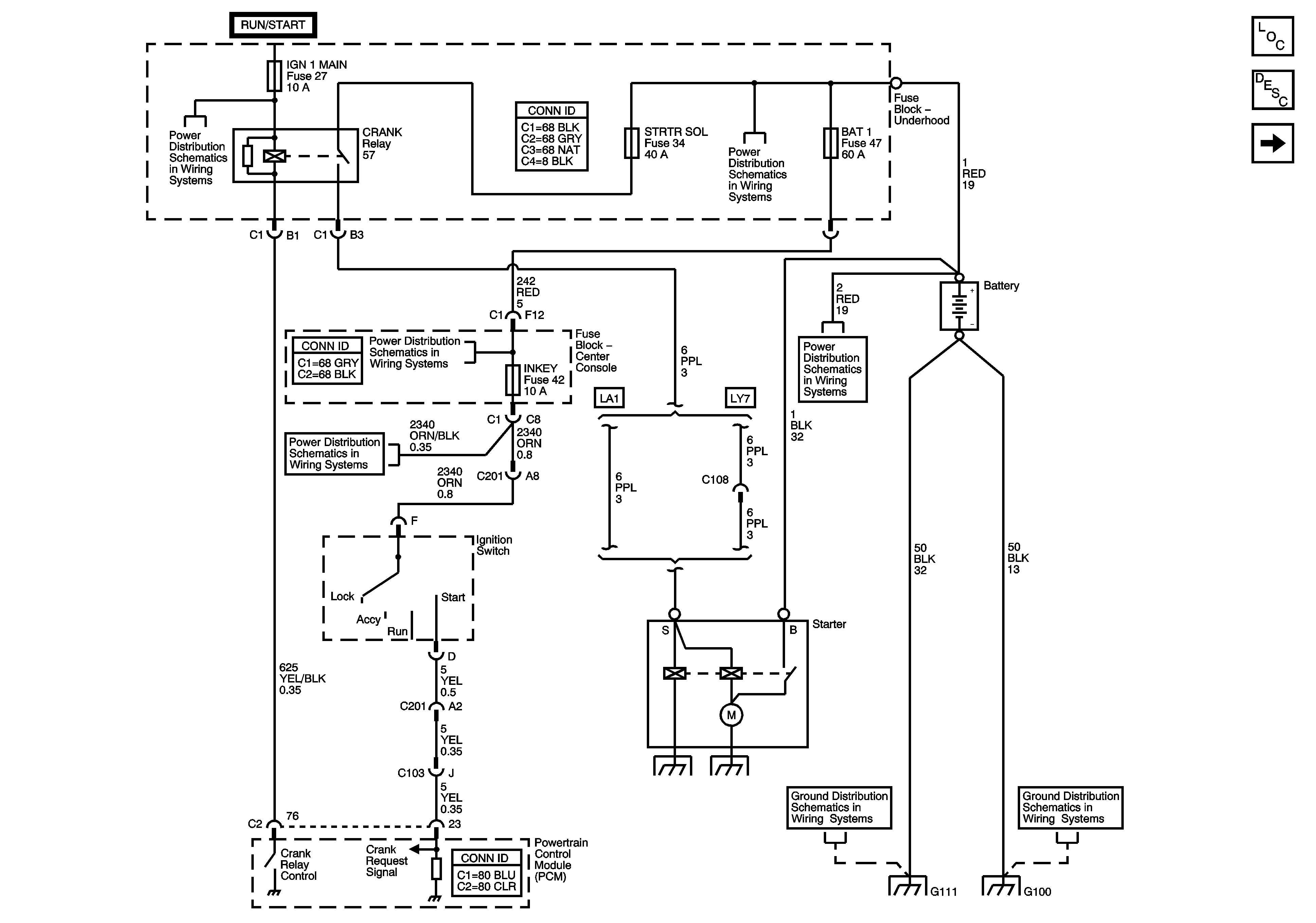
Figure
1:
Engine Cranking
Master Electrical Component List
Charging Control, Indicator
Fuse Block Underhood Fuse: 27, 31, 33 Fuse Block Center Console
Transaxle Range Switch and VSS
Fuse Block-Underhood Fuse: 47, Fuse Block Cent Console Fuses
Fuse Block-Underhood Fuse: 47, Fuse Block Cent Console Fuses
Fuse Block - Underhood Buss
Ground G111 - Buick
Ground G111 - Buick
Ground G111 - Buick
Ground G100 - Buick
Figure
2:
Charging Control, Indicator
Master Electrical Component List
Charging System Description and Operation
Engine Cranking
B+ Bus - 1 of 2
Data Link Connector (DLC) Schematics
Ground G111 - Buick
Ground G100 - Buick