GM Service Manual Online
For 1990-2009 cars only
Makes
🢒
Buick
🢒
2005
🢒
Rendezvous - AWD
🢒
Engine
🢒
Engine Electrical
🢒 Starting and Charging Schematics
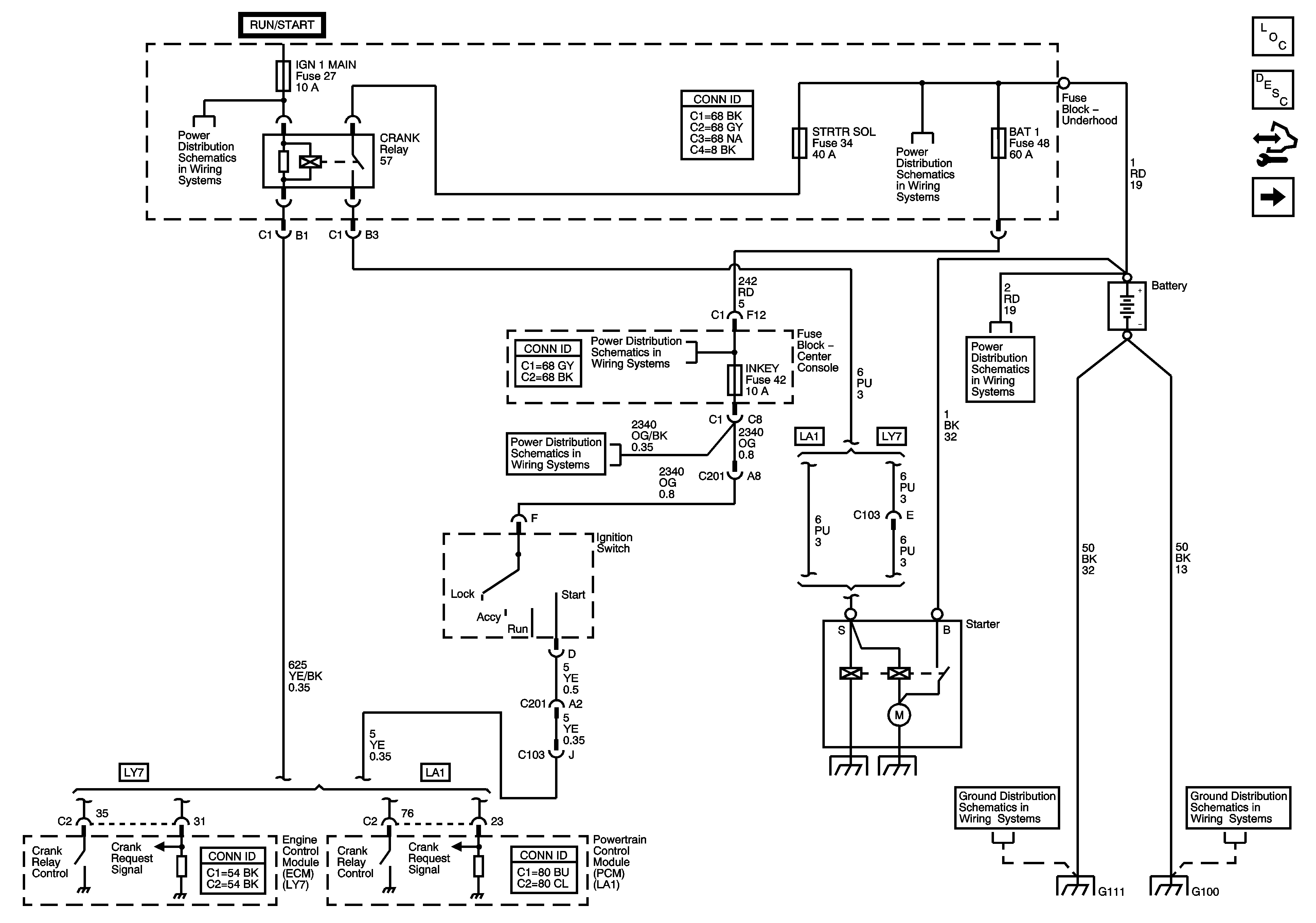
Figure
1:
Engine Cranking
Master Electrical Component List
Control Module References
Charging Control, Indicator
BTSI (3.4L), CRUISE, IGN 1 MAIN, and TRN SIG Fuses
B+ Bus 1 of 2
Ignition Switch - ACCY/RUN/START, RUN, and START Bus Bars and BLWR, IGN0, and KEY SOL Fuses
Ignition Switch - ACCY/RUN/START, RUN, and START Bus Bars and BLWR, IGN0, and KEY SOL Fuses
B+ Bus 1 of 2
G132 - LY7 and G111
G100
G132 - LY7 and G111
G100
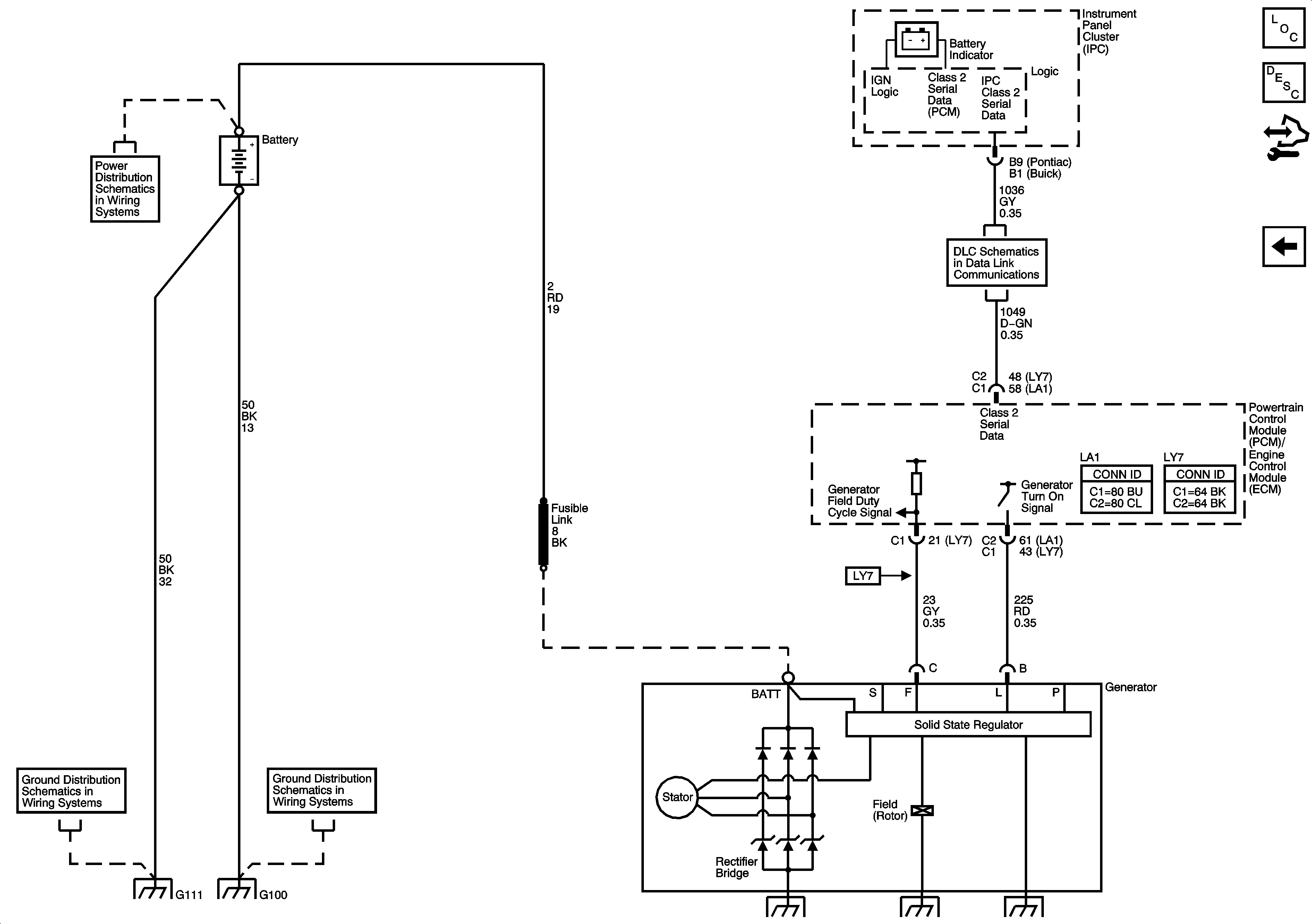
Figure
2:
Charging Control, Indicator
Master Electrical Component List
Charging System Description and Operation
Control Module References
Engine Cranking
B+ Bus 1 of 2
Data Link Connector (DLC)
G132 - LY7 and G111
G100