GM Service Manual Online
For 1990-2009 cars only
Makes
🢒
Buick
🢒
2005
🢒
Rendezvous - AWD
🢒
Vehicle Control Systems
🢒
Vehicle DTC Information
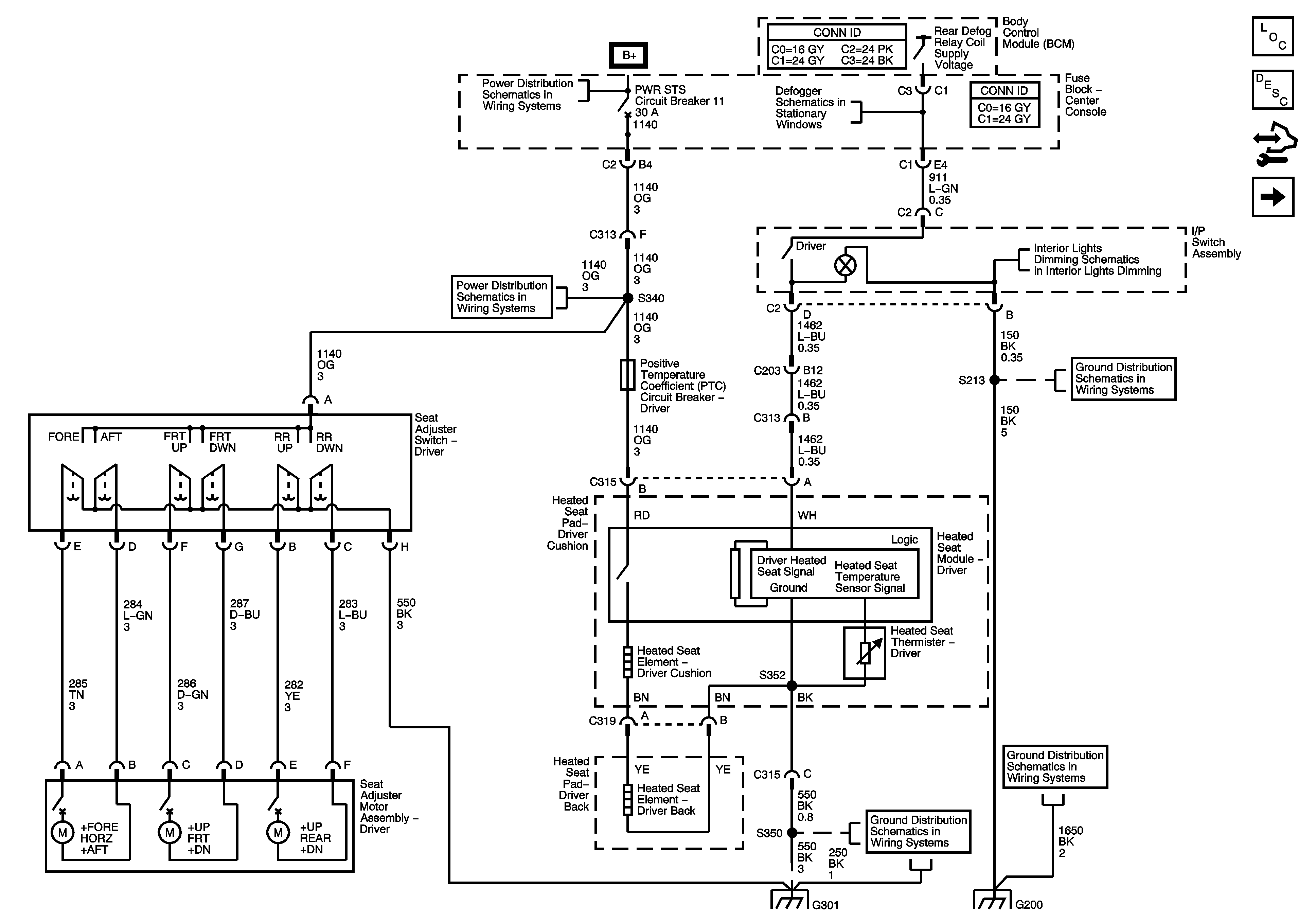
🢒 Driver Seat Schematics
Figure
1:
Driver Power and Heated Seat
Master Electrical Component List
Heated Seats Description and Operation
Control Module References
Memory Seat
BATT 2, BCM D, ELC BATT, GATE REL, PWR MIR, and RR AUX Fuses and PWR STS Circuit Breaker
Defogger Schematics
BATT 2, BCM D, ELC BATT, GATE REL, PWR MIR, and RR AUX Fuses and PWR STS Circuit Breaker
Panel Lamps - Pontiac, Page 2 of 2
G200
G200
G301
G301
G200
Figure
2:
Memory Seat
Master Electrical Component List
Memory Seats Description and Operation
Control Module References
Driver Power and Heat Seat
BATT 2, BCM D, ELC BATT, GATE REL, PWR MIR, and RR AUX Fuses and PWR STS Circuit Breaker
BATT 2, BCM D, ELC BATT, GATE REL, PWR MIR, and RR AUX Fuses and PWR STS Circuit Breaker
Data Link Connector (DLC)
BATT 2, BCM D, ELC BATT, GATE REL, PWR MIR, and RR AUX Fuses and PWR STS Circuit Breaker
Dimming Control and Panel Lamps 1 of 2-Buick
G301
G301
G301
G301