GM Service Manual Online
For 1990-2009 cars only
Makes
🢒
Buick
🢒
2005
🢒
Rendezvous - AWD
🢒
Body
🢒
Seats
🢒 Passenger Seat Schematics
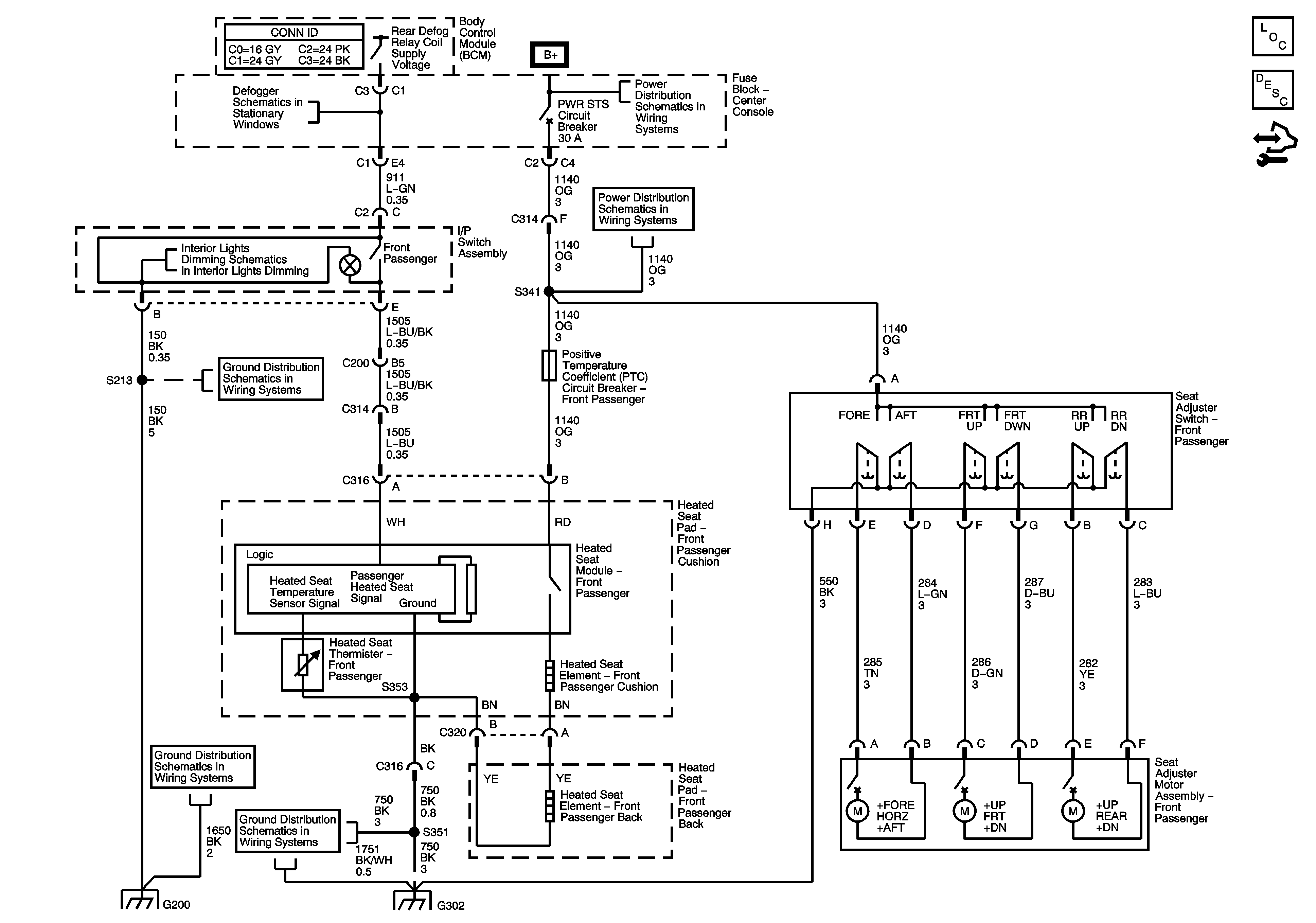
Passenger Power and Heated Seat
Master Electrical Component List
Heated Seats Description and Operation
Control Module References
Defogger Schematics
BATT 2, BCM D, ELC BATT, GATE REL, PWR MIR, and RR AUX Fuses and PWR STS Circuit Breaker
BATT 2, BCM D, ELC BATT, GATE REL, PWR MIR, and RR AUX Fuses and PWR STS Circuit Breaker
Panel Lamps - Pontiac, Page 2 of 2
G200
G200
G302
G200
G302