GM Service Manual Online
For 1990-2009 cars only
Figure 1:

B+ Bus 1 of 2


Object Number: 1500195  Size: FS
Master Electrical Component List
Control Module References
B+ Bus 2 of 2
B+ Bus 2 of 2
Figure 2:

B+ Bus 2 of 2


Object Number: 1500238  Size: FS
Master Electrical Component List
Control Module References
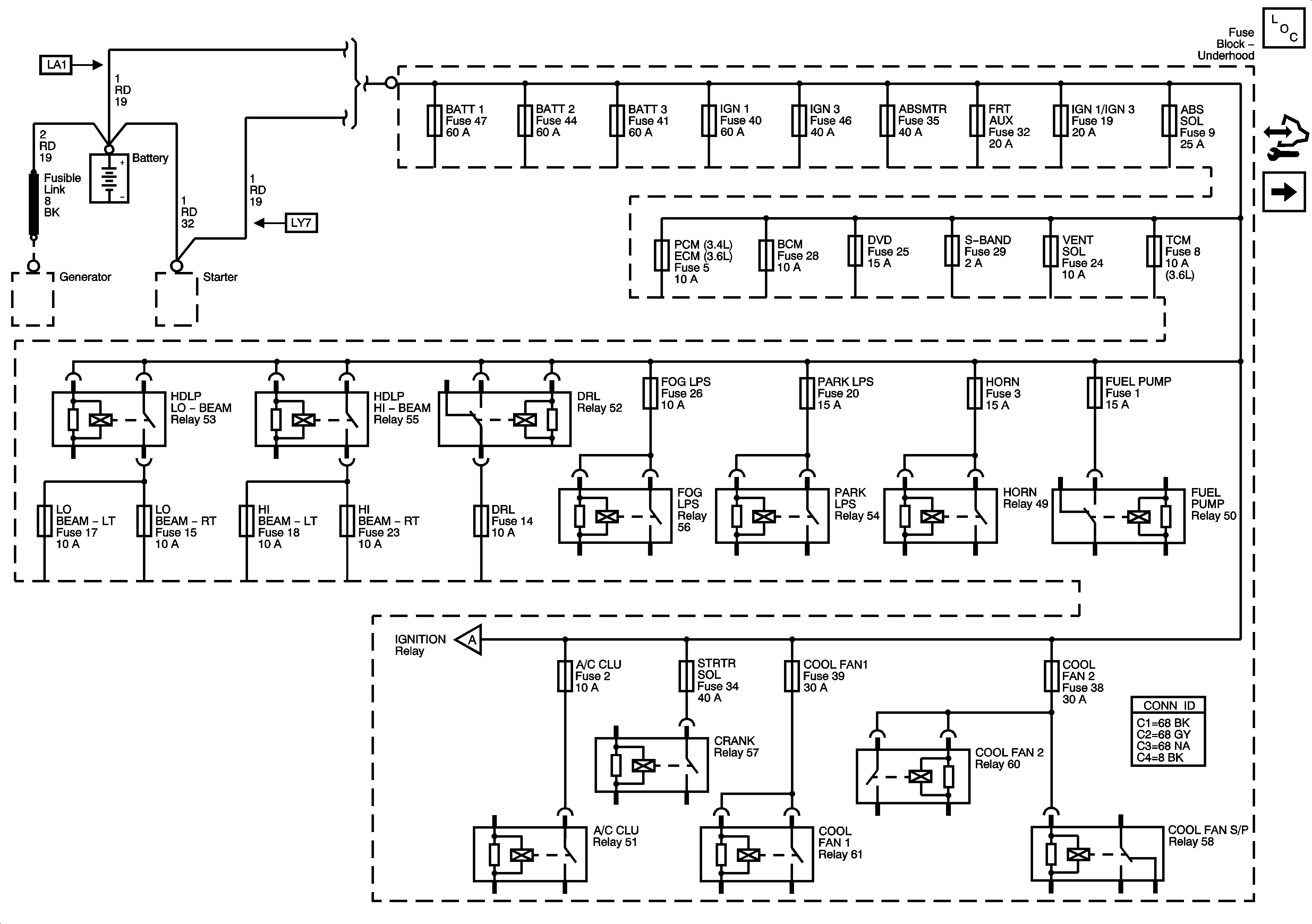
BATT 1, BCML, HUD, HZD FL, INKEY, IP MDL, RADIO, and RD AMP Fuses
B+ Bus 1 of 2
B+ Bus 1 of 2
Figure 3:

BATT 1, BCML, HUD, HZD FL, INKEY, IP MDL, RADIO, and RD AMP Fuses


Object Number: 1500239  Size: FS
Master Electrical Component List
Control Module References
Ignition Switch - ACCY/RUN/START, RUN, and START Bus Bars and BLWR, IGN0, and KEY SOL Fuses
B+ Bus 2 of 2
B+ Bus 1 of 2
Ignition Switch - ACCY/RUN/START, RUN, and START Bus Bars and BLWR, IGN0, and KEY SOL Fuses
Figure 4:

BATT 2, BCM D, ELC BATT, GATE REL, PWR MIR, and RR AUX Fuses and PWR STS Circuit Breaker


Object Number: 1500266  Size: FS
Master Electrical Component List
Control Module References
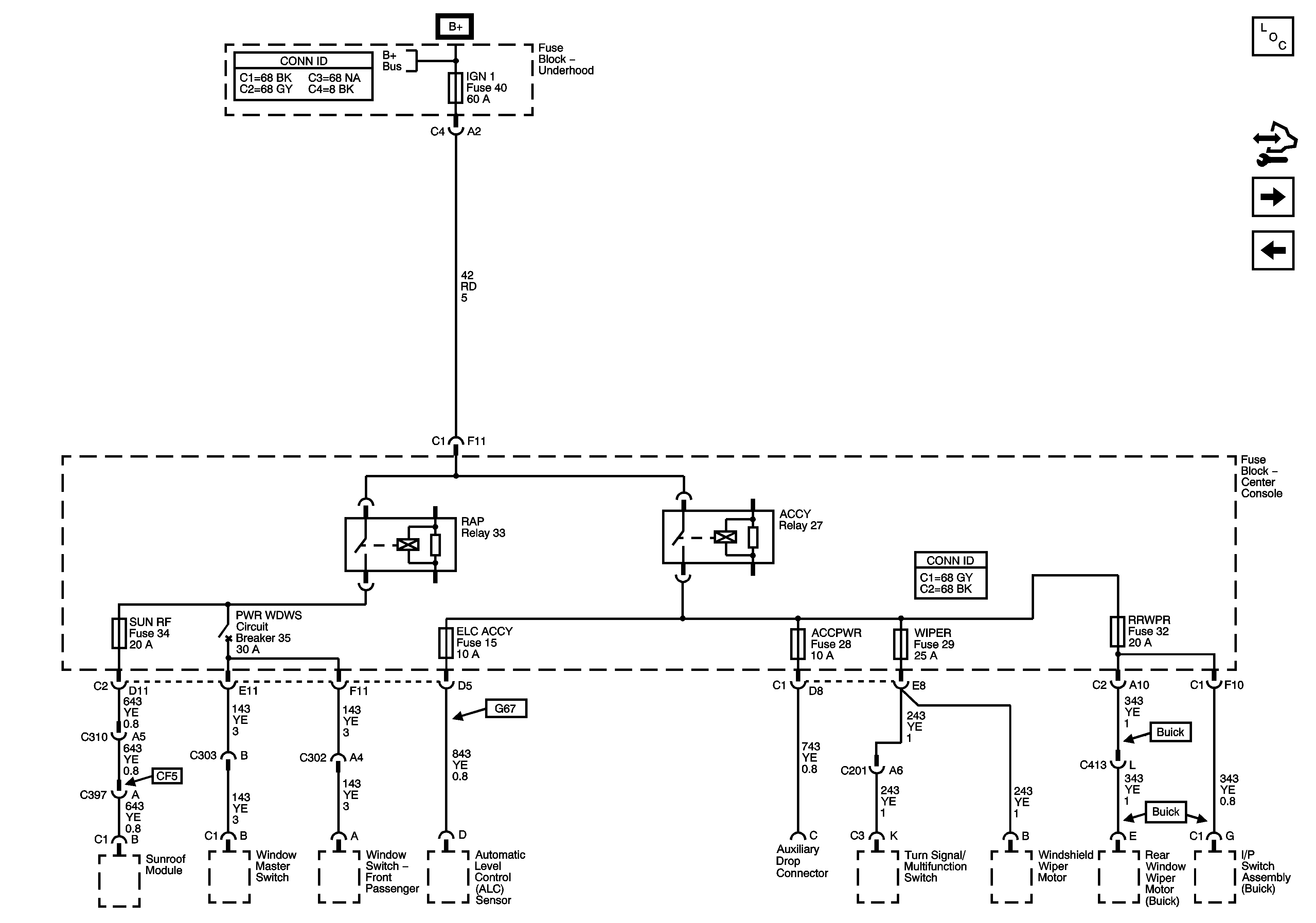
ACCPWR, ELC ACCY, IGN 1, RR WPR, SUN RF, WIPER Fuses, and PWR WDWS Circuit Breaker
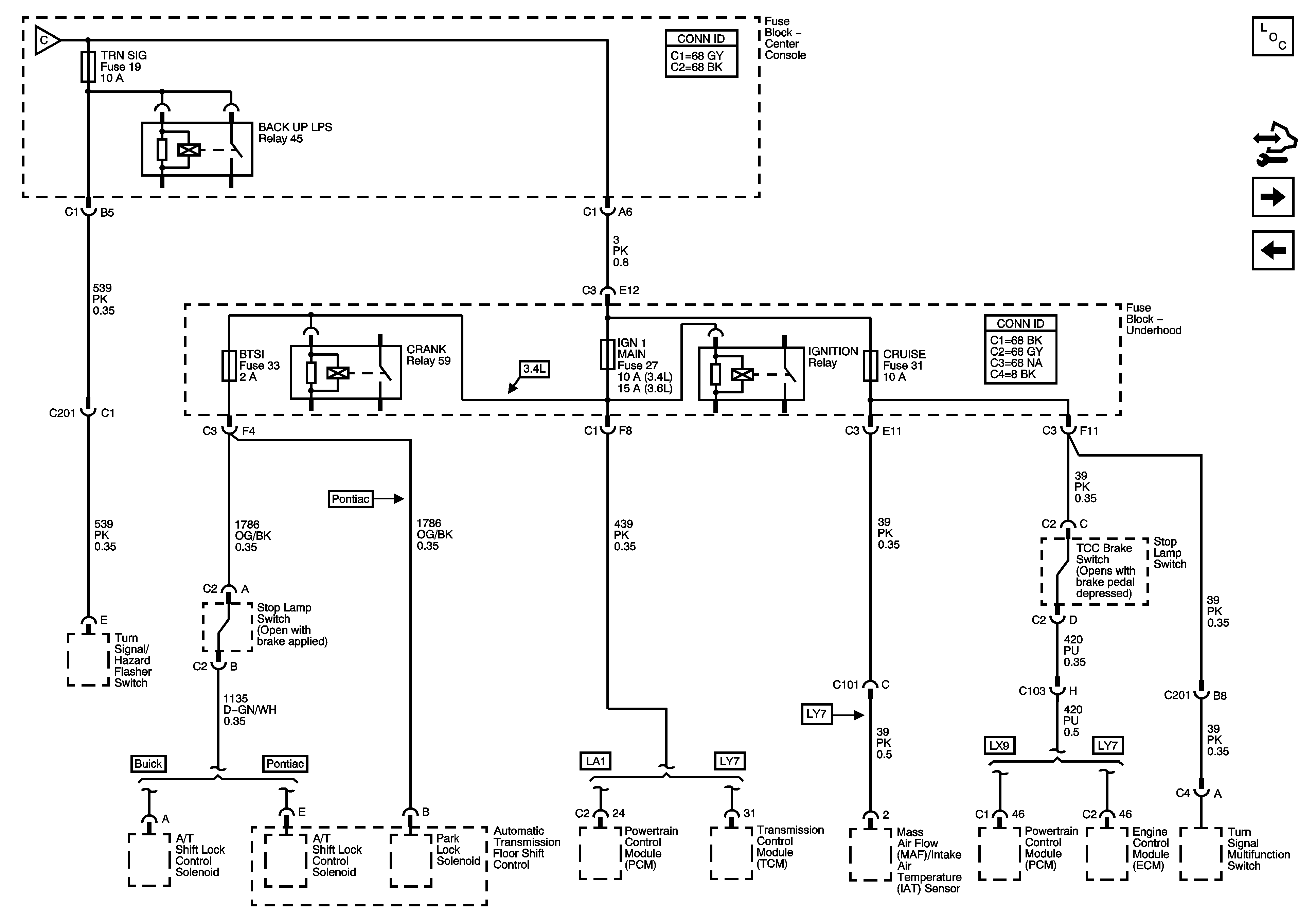
BTSI (3.4L), CRUISE, IGN 1 MAIN, and TRN SIG Fuses
B+ Bus 1 of 2
Figure 5:

ABSMTR, ABS SOL, BCM, DVD, ECM (3.6L), FRT AUX, PCM (3.4L), S BAND, and VENT SOL Fuses


Object Number: 1500271  Size: FS
Master Electrical Component List
Control Module References
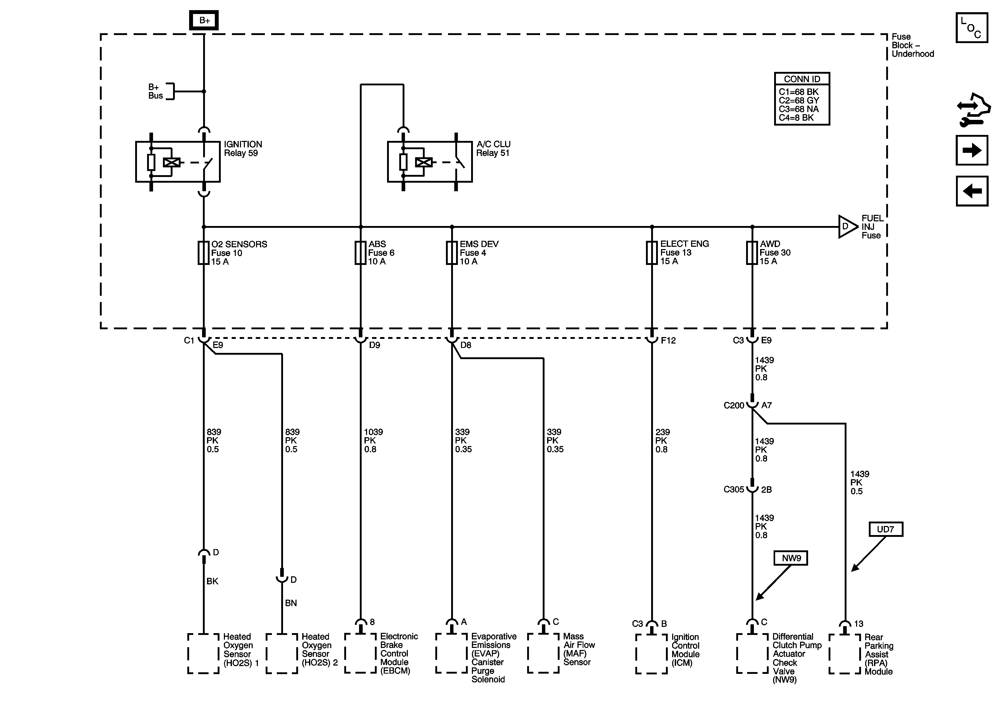
ABS, AWD, ELEC ENG, EMS DEV, O2 SENSORS Fuses, and IGNITION Relay - 3.4L
ACCPWR, ELC ACCY, IGN 1, RR WPR, SUN RF, WIPER Fuses, and PWR WDWS Circuit Breaker
B+ Bus 1 of 2
Figure 6:

Ignition Switch - ACCY/RUN/START, RUN, and START Bus Bars and BLWR, IGN0, IGN 3, and KEY SOL Fuses


Object Number: 1500242  Size: FS
Master Electrical Component List
Control Module References
IGN3HVAC Fuse
BATT 1, BCML, HUD, HZD FL, INKEY, IP MDL, RADIO, and RD AMP Fuses
B+ Bus 1 of 2
IGN3HVAC Fuse
Figure 7:

IGN3HVAC Fuse


Object Number: 1500246  Size: FS
Master Electrical Component List
Control Module References
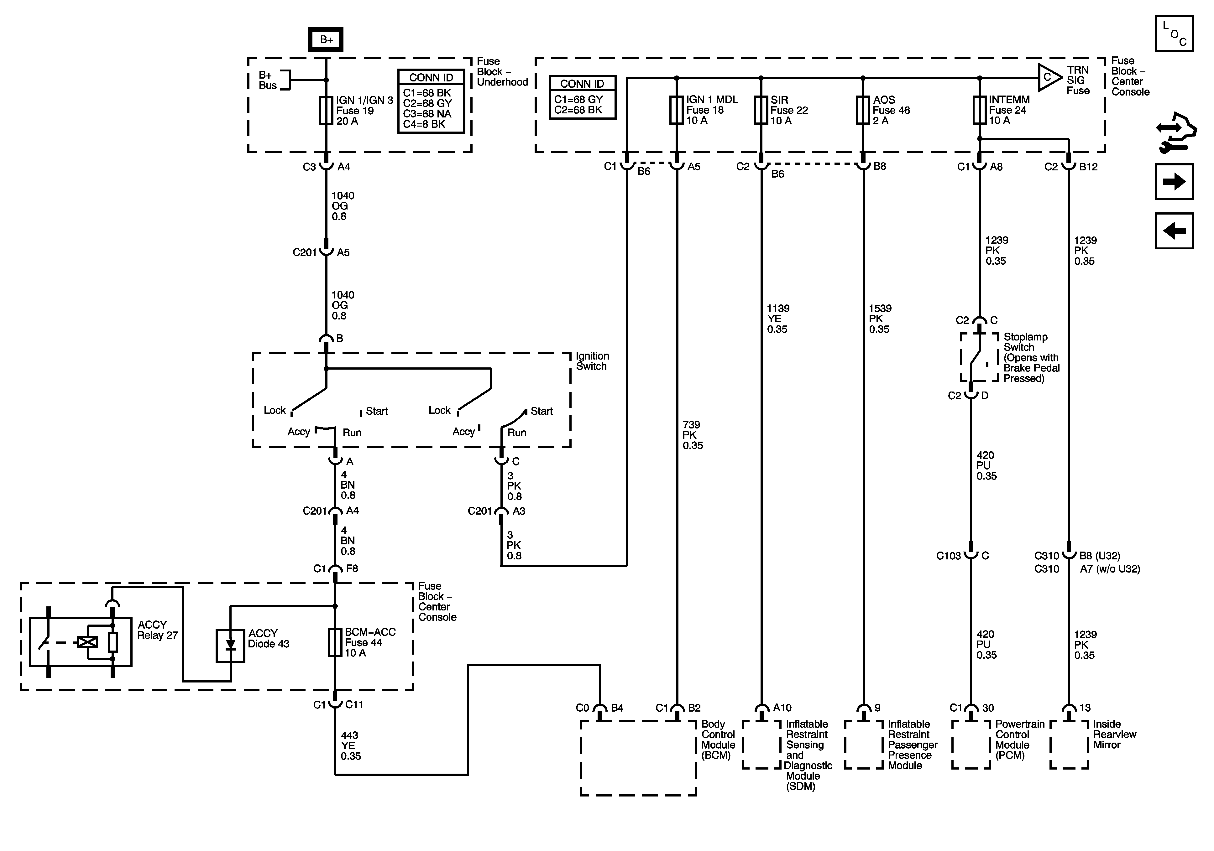
Ignition Switch - ACCY/RUN, and RUN/START Bus Bars, and BCM-ACC, IGN 1 MDL, INTEMM, and SIR Fuses
Ignition Switch - ACCY/RUN/START, RUN, and START Bus Bars and BLWR, IGN0, and KEY SOL Fuses
Ignition Switch - ACCY/RUN/START, RUN, and START Bus Bars and BLWR, IGN0, and KEY SOL Fuses
Figure 8:

Ignition Switch - ACCY/RUN, and RUN/START Bus Bars and BCM-ACC, IGN 1 MDL, INTEMM and SIR Fuses


Object Number: 1504174  Size: FS
Master Electrical Component List
Control Module References
BTSI (3.4L), CRUISE, IGN 1 MAIN, and TRN SIG Fuses
IGN3HVAC Fuse
B+ Bus 1 of 2
BTSI (3.4L), CRUISE, IGN 1 MAIN, and TRN SIG Fuses
Figure 9:

BTSI (3.4L), CRUISE, IGN 1 MAIN, and TRN SIG Fuses


Object Number: 1500262  Size: FS
Master Electrical Component List
Control Module References
BATT 2, BCM D, ELC BATT, GATE REL, PWR MIR, and RR AUX Fuses and PWR STS Circuit Breaker
Ignition Switch - ACCY/RUN, and RUN/START Bus Bars, and BCM-ACC, IGN 1 MDL, INTEMM, and SIR Fuses
Ignition Switch - ACCY/RUN, and RUN/START Bus Bars, and BCM-ACC, IGN 1 MDL, INTEMM, and SIR Fuses
Figure 10:

ACCPWR, ELC ACCY, IGN 1, RR WPR, SUN RF, WIPER Fuses and PWR WDWS Circuit Breaker


Object Number: 1500268  Size: FS
Master Electrical Component List
Control Module References
ABSMTR, ABS SOL, BCM, DVD, ECM (3.6L), FRT AUX, PCM (3.4L), S BAND, and VENT SOL Fuses
BATT 2, BCM D, ELC BATT, GATE REL, PWR MIR, and RR AUX Fuses and PWR STS Circuit Breaker
B+ Bus 1 of 2
Figure 11:

ABS, AWD, ELEC ENG, EMS DEV, O2 SENSORS Fuses and IGNITION Relay - 3.4L


Object Number: 1500272  Size: FS
Master Electrical Component List
Control Module References
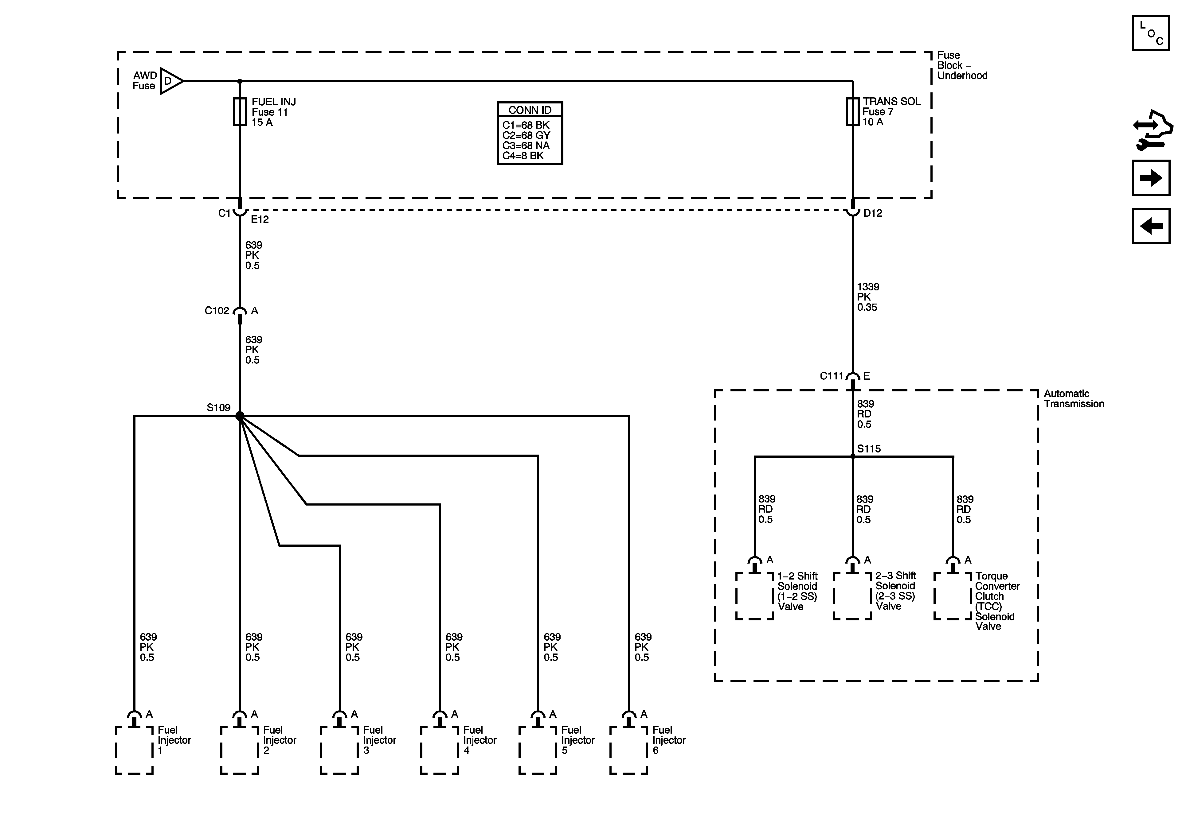
FUEL INJ and TRANS SOL Fuses - 3.4L
ABSMTR, ABS SOL, BCM, DVD, ECM (3.6L), FRT AUX, PCM (3.4L), S BAND, and VENT SOL Fuses
B+ Bus 1 of 2
FUEL INJ and TRANS SOL Fuses - 3.4L
Figure 12:

FUEL INJ and TRANS SOL Fuses - 3.4L


Object Number: 1500273  Size: FS
Master Electrical Component List
Control Module References
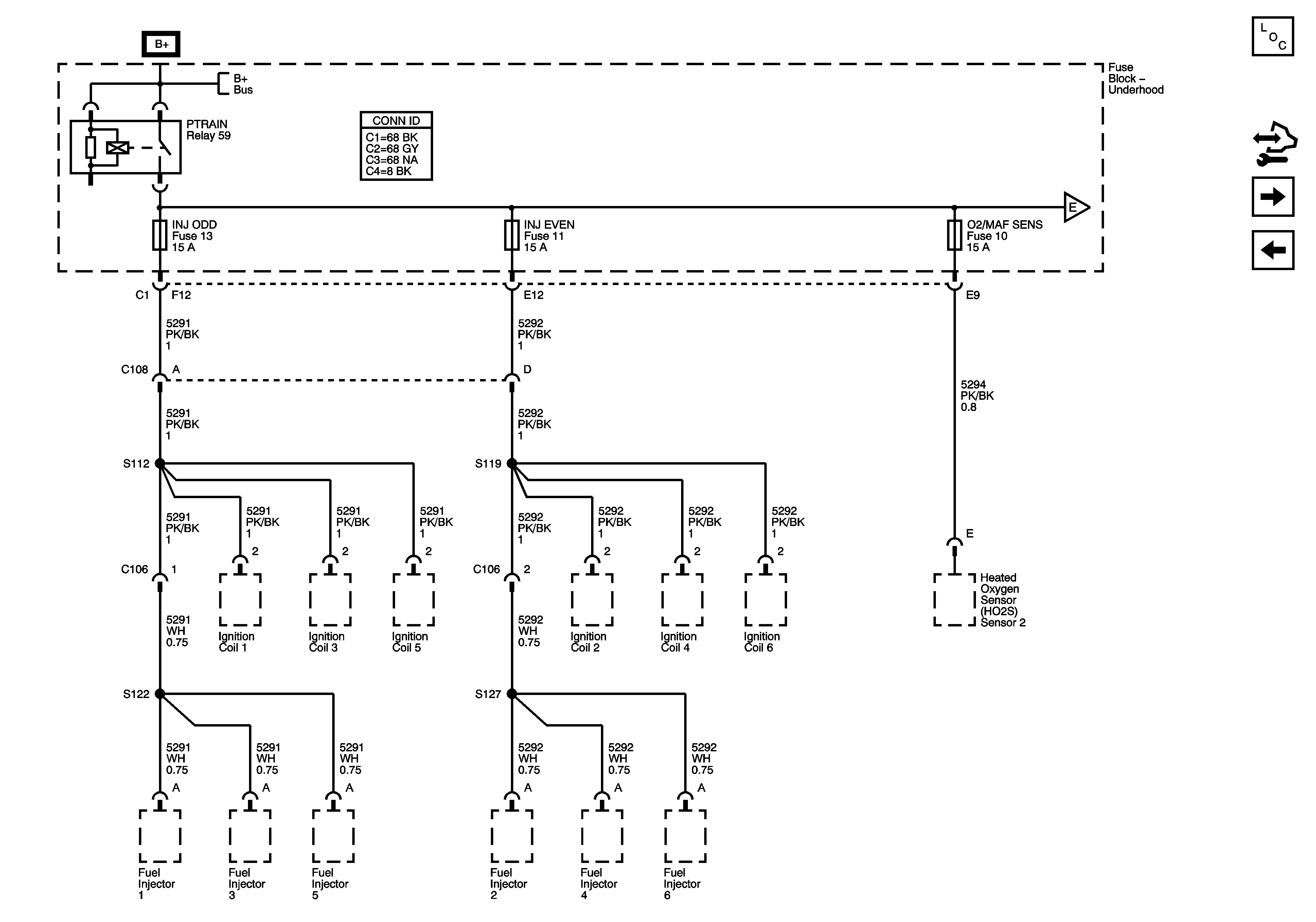
PTRAIN Relay (1 of 2), INJ EVEN, INJ ODD, and O2/MAF SENS Fuses - 3.6L
ABS, AWD, ELEC ENG, EMS DEV, O2 SENSORS Fuses, and IGNITION Relay - 3.4L
ABS, AWD, ELEC ENG, EMS DEV, O2 SENSORS Fuses, and IGNITION Relay - 3.4L
Figure 13:

PTRAIN Relay (1 of 2), INJ EVEN, INJ ODD, and O2/MAF SENS - 3.6L


Object Number: 1500289  Size: FS
Master Electrical Component List
Control Module References
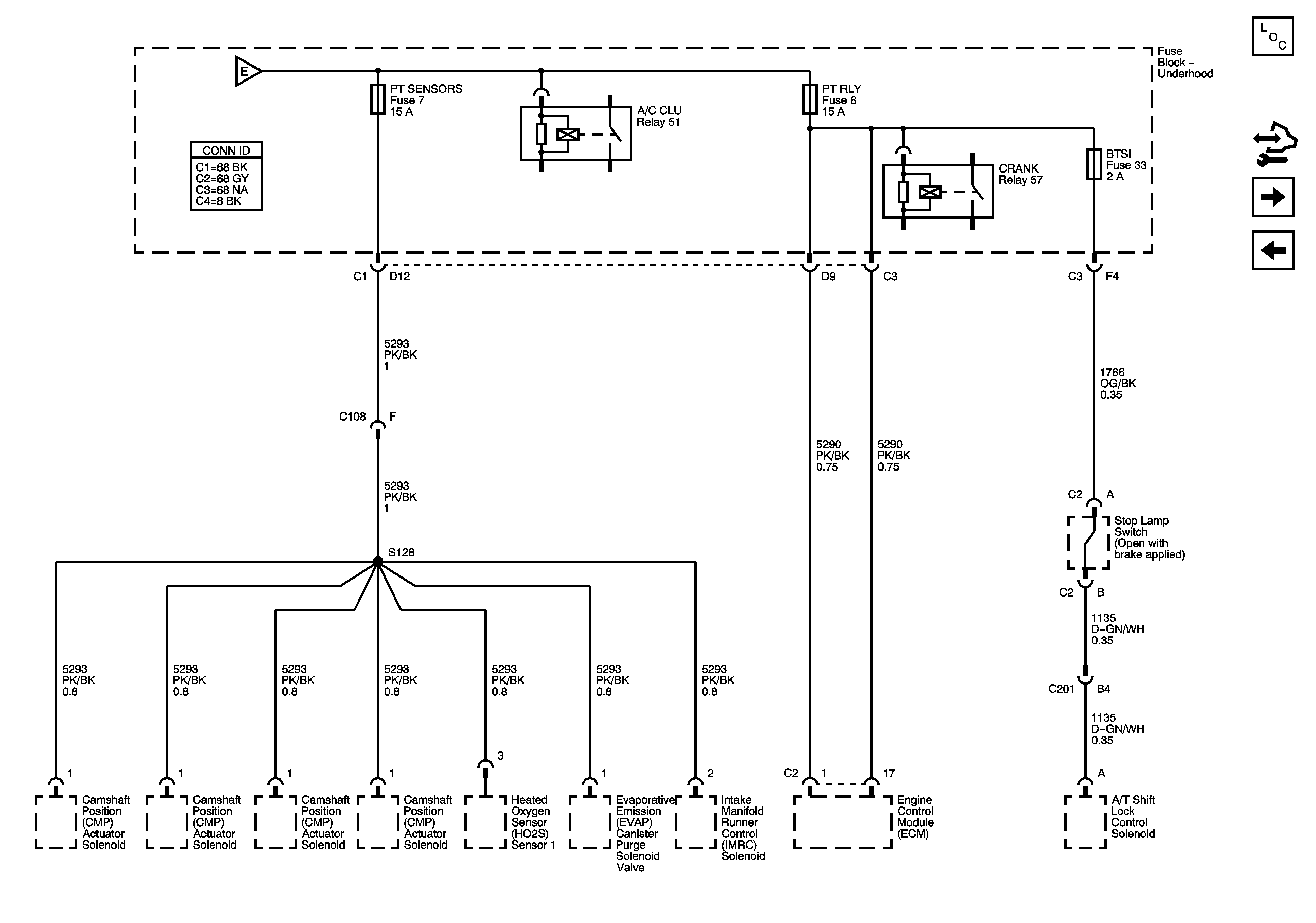
PTRAIN Relay (2 of 2), BTSI, PT RLY, and PT SENSORS Fuses - 3.6L
FUEL INJ and TRANS SOL Fuses - 3.4L
B+ Bus 1 of 2
PTRAIN Relay (2 of 2), BTSI, PT RLY, and PT SENSORS Fuses - 3.6L
Figure 14:

PTRAIN Relay (2 of 2), BTSI, PT RLY, and PT SENSORS Fuses - 3.6L


Object Number: 1500291  Size: FS
Master Electrical Component List
Control Module References
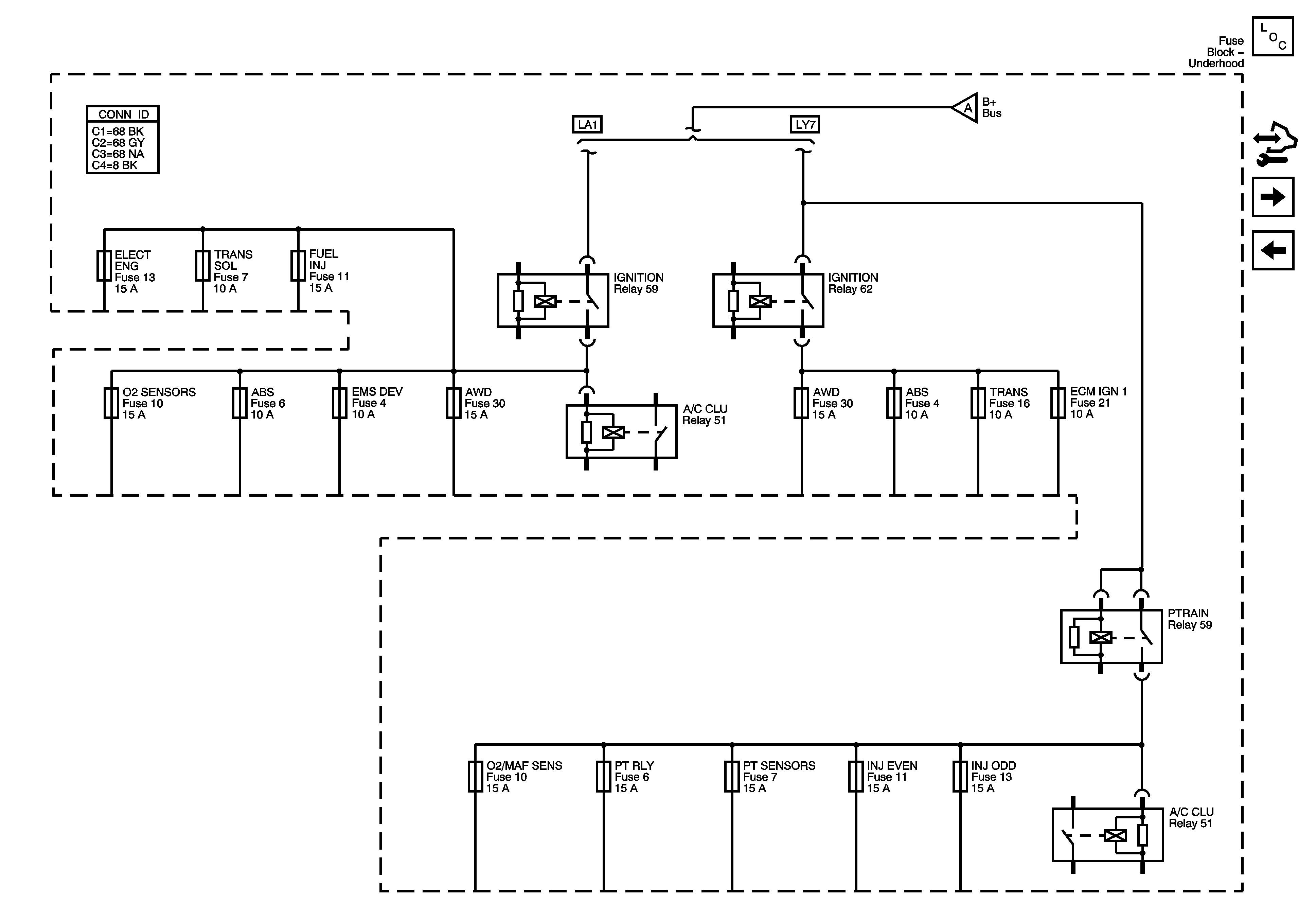
ABS, AWD, ECM IGN1, TRANS Fuses and IGNITION Relay - 3.6L
PTRAIN Relay (1 of 2), INJ EVEN, INJ ODD, and O2/MAF SENS Fuses - 3.6L
PTRAIN Relay (1 of 2), INJ EVEN, INJ ODD, and O2/MAF SENS Fuses - 3.6L
Figure 15:

ABS, AWD, ECM IGN1, TRANS Fuses, and IGNITION Relay - 3.6L


Object Number: 1500296  Size: FS
Master Electrical Component List
Control Module References
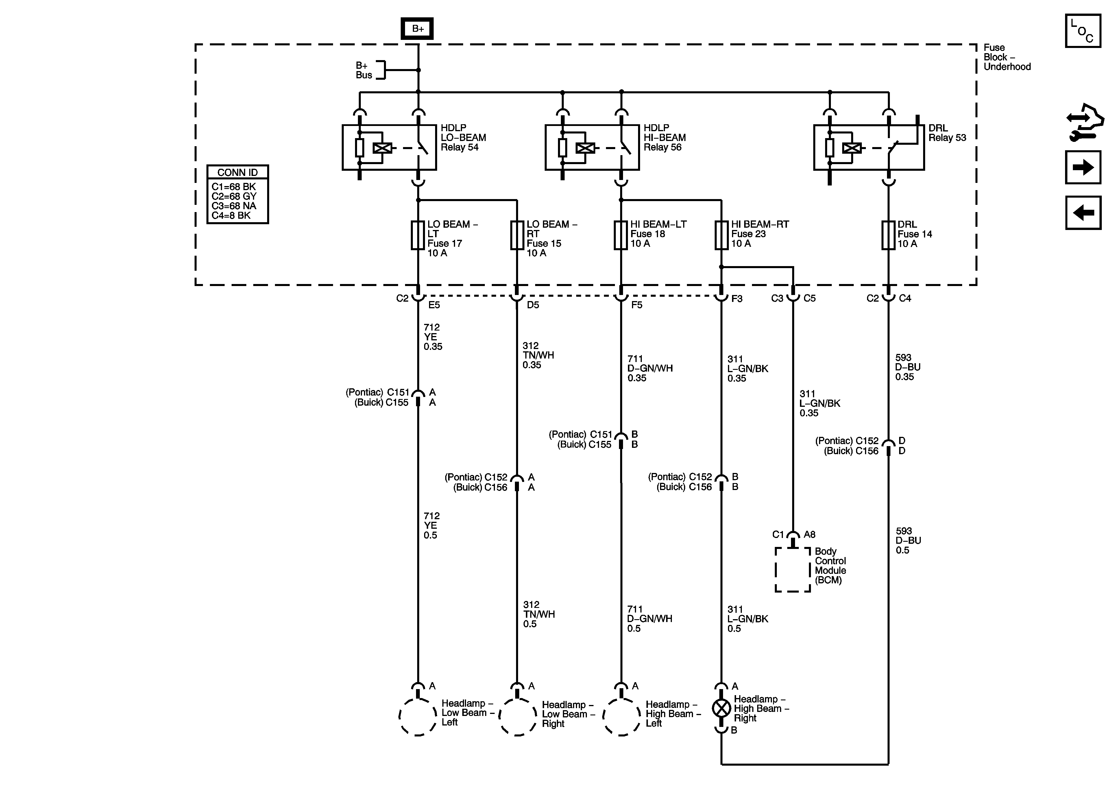
DRL, HI BEAM-LT, HI BEAM-RT, HTD MIRR, LO BEAM-LT, and LO BEAM-RT Fuses
PTRAIN Relay (2 of 2), BTSI, PT RLY, and PT SENSORS Fuses - 3.6L
B+ Bus 1 of 2
Figure 16:

DRL, HI BEAM-LT, HI BEAM-RT, LO BEAM-LT, and LO BEAM-RT Fuses


Object Number: 1500522  Size: FS
Master Electrical Component List
Control Module References
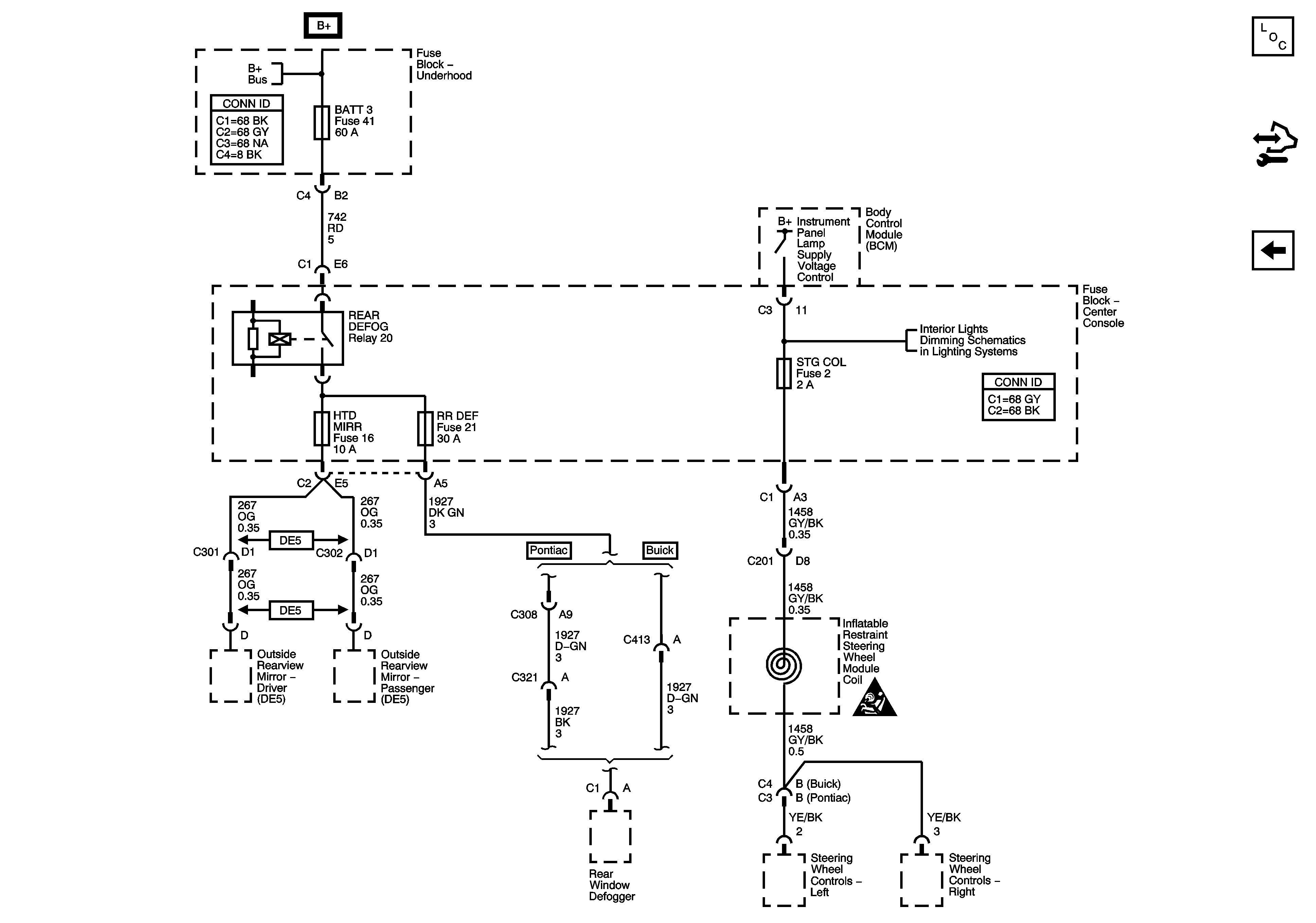
BATT 3, HTD MIRR, STG COL, and RR DEF Fuses
ABS, AWD, ECM IGN1, TRANS Fuses and IGNITION Relay - 3.6L
B+ Bus 1 of 2
Figure 17:

BATT 3, HTD MIRR , STG COL, and RR DEF Fuses


Object Number: 1500525  Size: FS
Master Electrical Component List
Control Module References
DRL, HI BEAM-LT, HI BEAM-RT, HTD MIRR, LO BEAM-LT, and LO BEAM-RT Fuses
B+ Bus 1 of 2
SIR Caution for Zoning