GM Service Manual Online
For 1990-2009 cars only
Makes
🢒
Buick
🢒
2005
🢒
Rendezvous - AWD
🢒
Accessories
🢒
Entertainment
🢒 Steering Wheel Controls Schematics
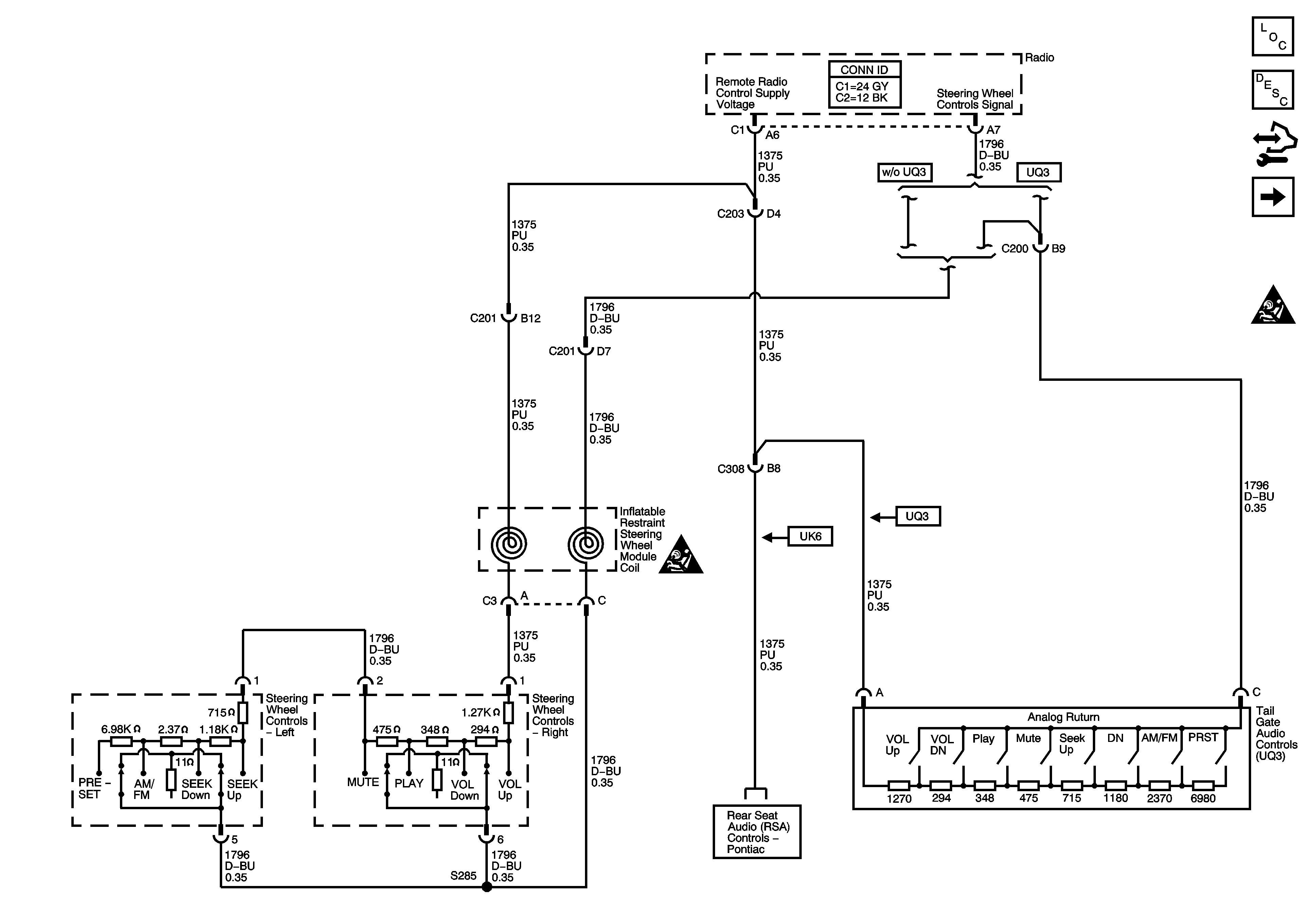
Figure
1:
Steering Wheel and Tailgate Controls - Pontiac
Master Electrical Component List
Radio/Audio System Description and Operation
Control Module References
Steering Wheel Controls - Buick
SIR Caution for Zoning
SIR Caution for Zoning
Uplevel Radio w/o RSA Controls - Pontiac
Figure
2:
Steering Wheel Controls - Buick
Master Electrical Component List
Radio/Audio System Description and Operation
Control Module References
Steering Wheel and Tailgate Controls - Pontiac
SIR Caution for Zoning
SIR Caution for Zoning
Uplevel Radio w/ RSA Controls - Buick