GM Service Manual Online
For 1990-2009 cars only
Makes
🢒
Buick
🢒
2005
🢒
Rendezvous - AWD
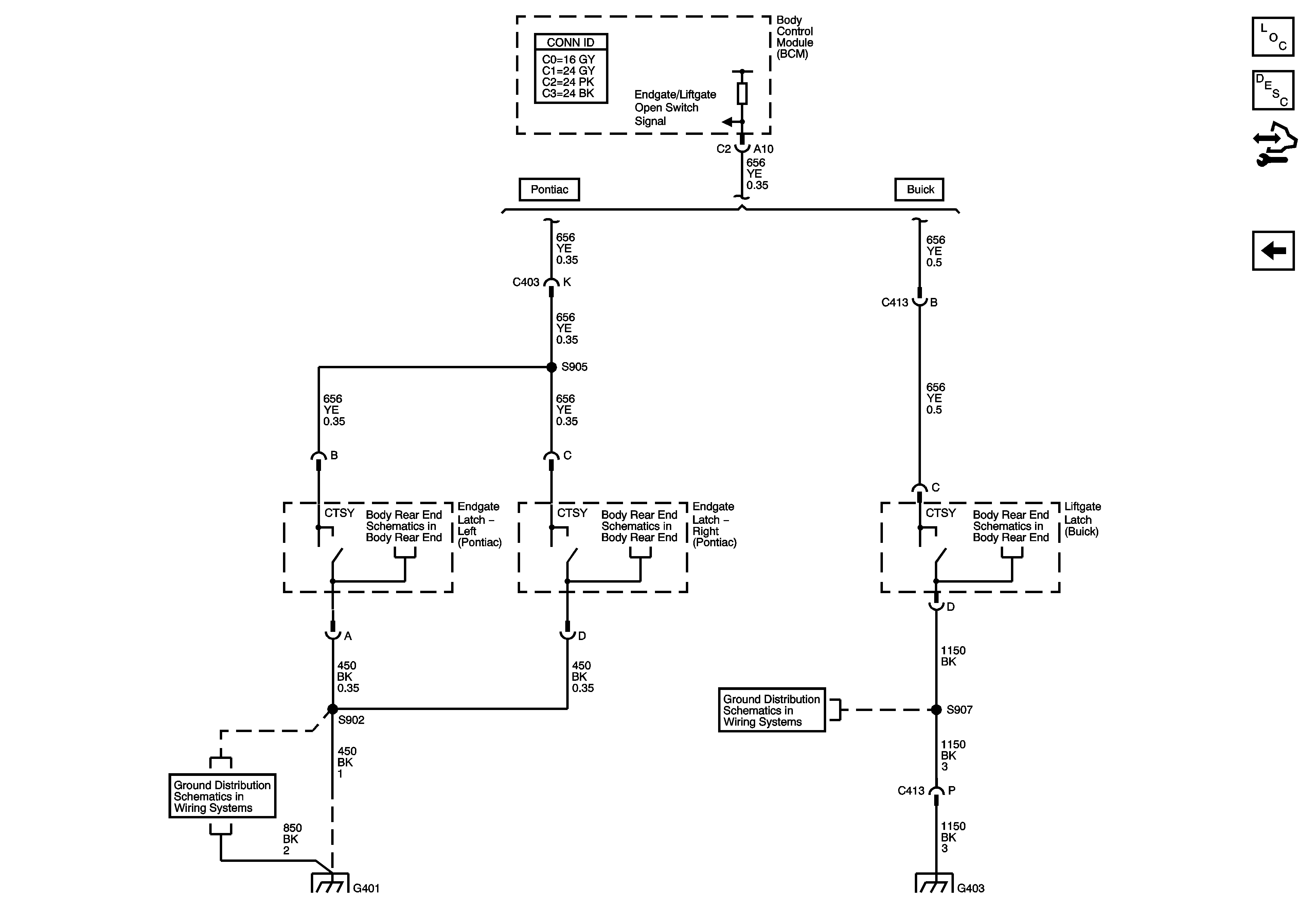
🢒 Lift Window, Endgate and Liftgate Switches
Lift Window, Endgate and Liftgate Switches
Lift Window, Endgate and Liftgate Switches
Master Electrical Component List
Interior Lighting Systems Description and Operation
Control Module References
Door Switches
Lift Window, Endgate and Liftgate Actuators
Lift Window, Endgate and Liftgate Actuators
Lift Window, Endgate and Liftgate Actuators
G401
G402 and G403
G401
G402 and G403