GM Service Manual Online
For 1990-2009 cars only
Figure 1:

G100, G111, and G119


Object Number: 1619442  Size: FS
Master Electrical Component List
Control Module References
G101
Figure 2:

G101


Object Number: 1619443  Size: FS
Master Electrical Component List
Control Module References
G117 and G132
G100, G111, and G119
Figure 3:

G117 and G132


Object Number: 1619444  Size: FS
Master Electrical Component List
Control Module References
G130, G131, and G134-LY7
G101
Figure 4:

G130, G131, and G134 - LY7


Object Number: 1619445  Size: FS
Master Electrical Component List
Control Module References
G200
G117 and G132
Figure 5:

G200


Object Number: 1619446  Size: FS
Master Electrical Component List
Control Module References
G201
G130, G131, and G134-LY7
Figure 6:

G201


Object Number: 1619447  Size: FS
Master Electrical Component List
Control Module References
G202
G200
Figure 7:

G202


Object Number: 1619448  Size: FS
Master Electrical Component List
Control Module References
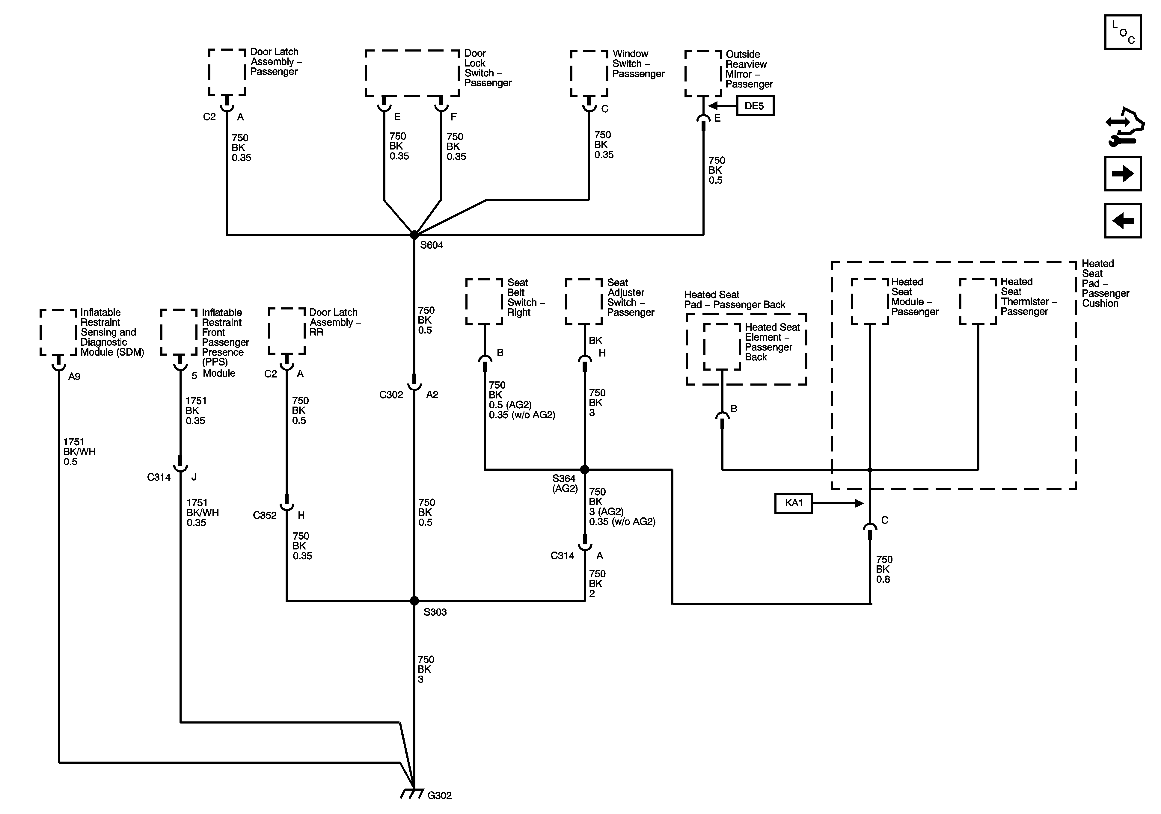
G302
G201
Power and Grounding Schematic Icons
Figure 8:

G302


Object Number: 1619449  Size: FS
Master Electrical Component List
Control Module References
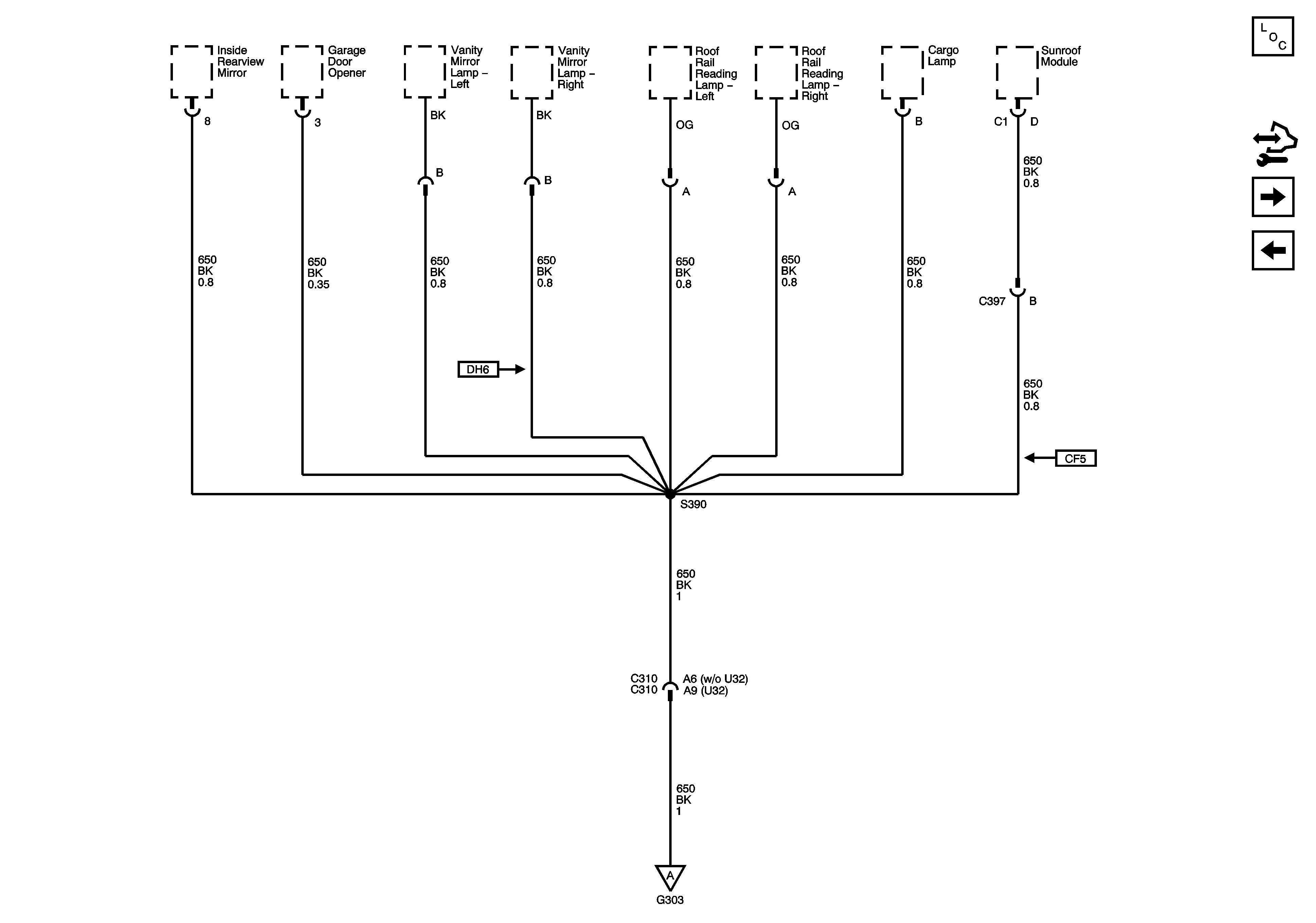
G303-1 of 2
G202
Figure 9:

G303 1 of 2


Object Number: 1619451  Size: FS
Master Electrical Component List
Control Module References
G303-2 of 2
G302
G303-2 of 2
Figure 10:

G303 2 of 2


Object Number: 1619454  Size: FS
Master Electrical Component List
Control Module References
G401
G303-1 of 2
G303-1 of 2
Figure 11:

G401


Object Number: 1619455  Size: FS
Master Electrical Component List
Control Module References
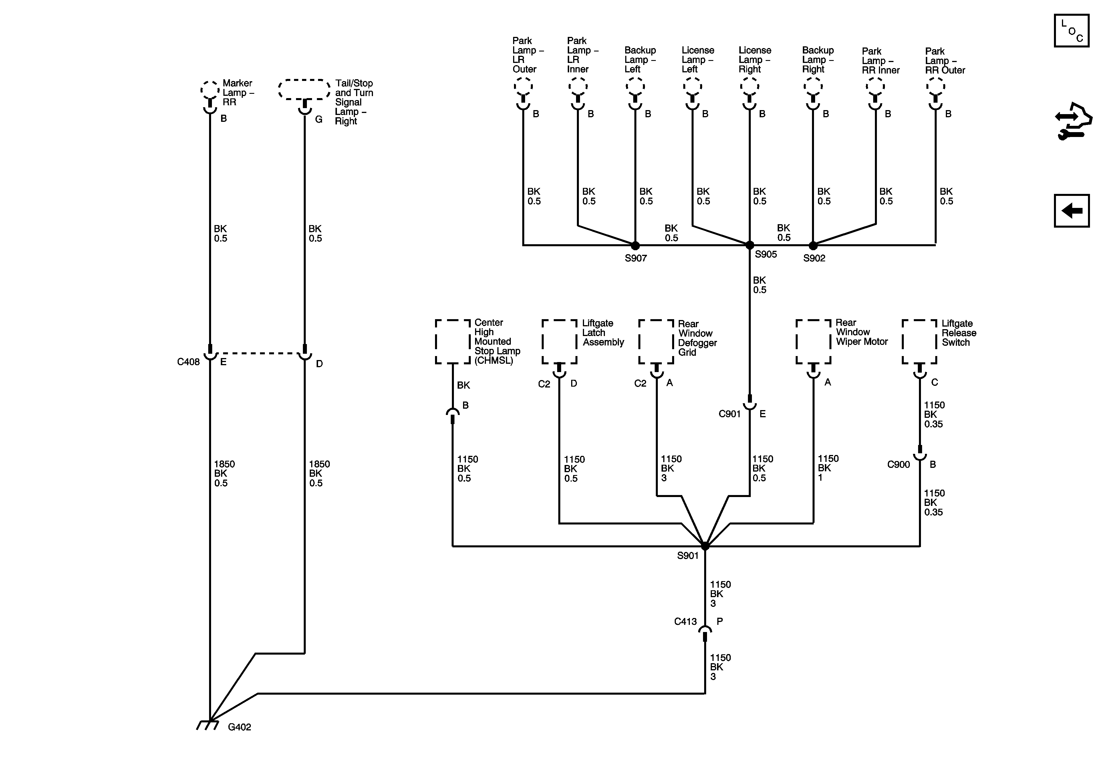
G402
G303-2 of 2
Figure 12:

G402


Object Number: 1619458  Size: FS
Master Electrical Component List
Control Module References
G401