GM Service Manual Online
For 1990-2009 cars only
Makes
🢒
Buick
🢒
2006
🢒
Rendezvous - FWD
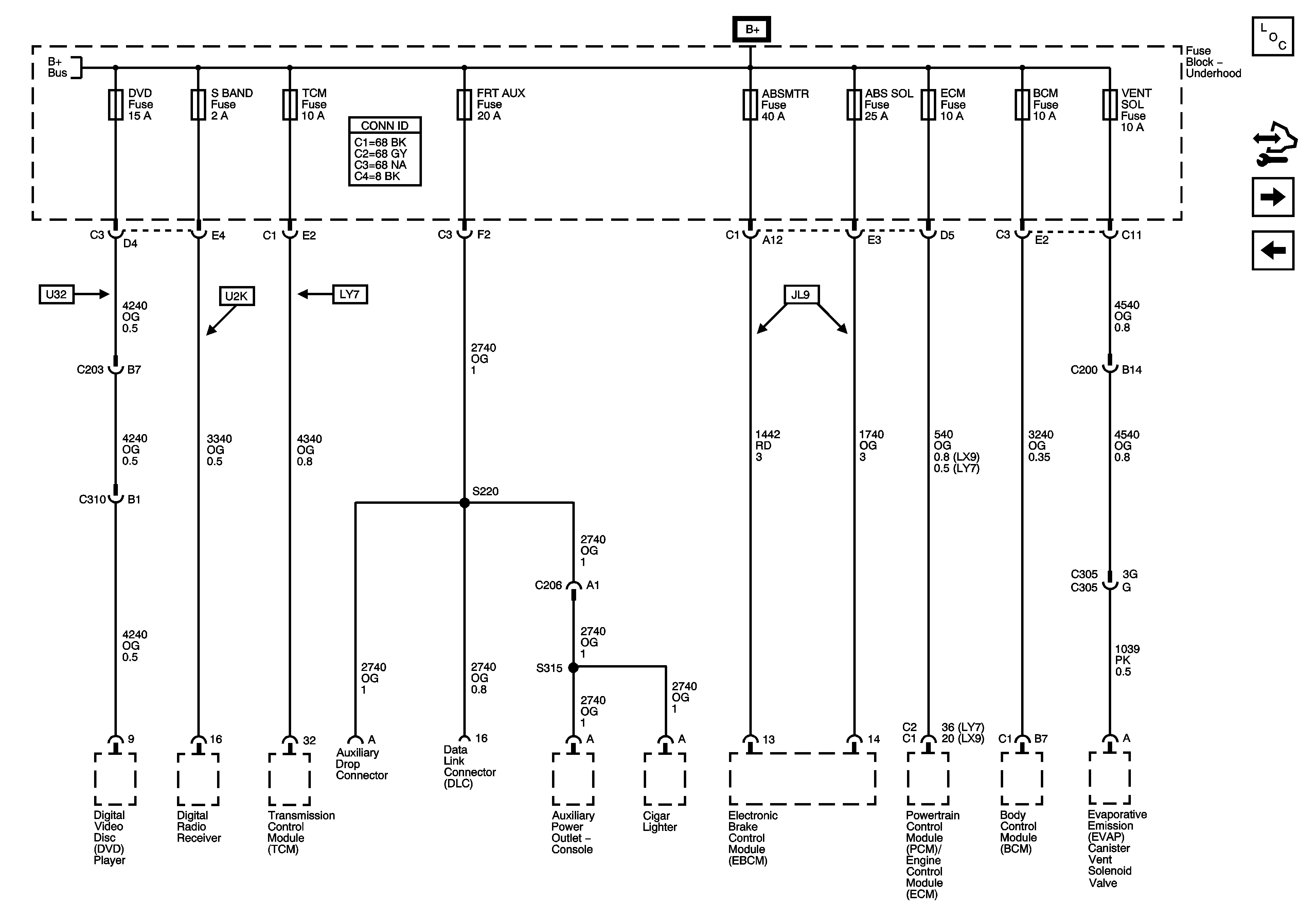
🢒 ABSMTR, ABS SOL, BCM, DVD, ECM, FRT AUX, S BAND, TCM, and VENT SOL Fuses
ABSMTR, ABS SOL, BCM, DVD, ECM, FRT AUX, S BAND, TCM, and VENT SOL Fuses
ABSMTR, ABS SOL, BCM, DVD, ECM, FRT AUX, S BAND, TCM, and VENT SOL Fuses
Master Electrical Component List
Control Module References
Ignition Switch-ACCY/RUN/START and RUN and START Bus Bars, HVAC BLWR, IPC/BCM/PK3, PK3, and PRK LCK IGN Fuses
BATT 2, ELC CMPRSR, LGATE, PWR DR LCK, PWR MIR, PWR SEAT, and RR AUX PWR OUTLET Fuses
B+ Bus 1 of 2