GM Service Manual Online
For 1990-2009 cars only
Makes
🢒
Buick
🢒
2006
🢒
Rendezvous - FWD
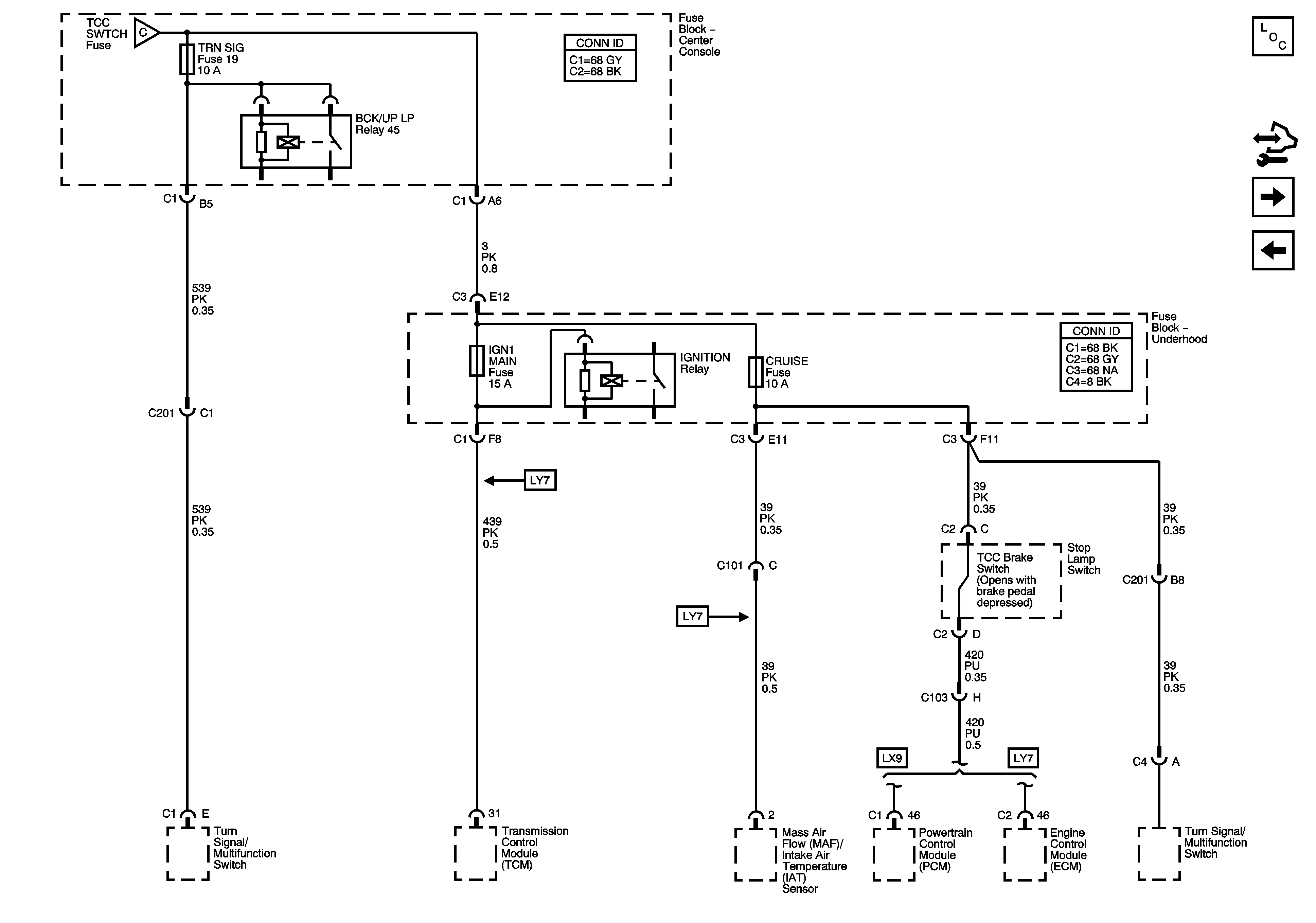
🢒 CRUISE, IGN1 MAIN, and TRN SIG Fuses
CRUISE, IGN1 MAIN, and TRN SIG Fuses
CRUISE, IGN1 MAIN, and TRN SIG Fuses
Master Electrical Component List
Control Module References
ACC PWR, ELC CMPRSR, IGN 1, PWR SROOF, PWR WNDW, RR WPR SW, and WPR/WSW Fuses
Ignition Switch-ACCY/RUN and RUN/START Bus Bars, AIRBAG MDL, AUTO OCCUPANT SEN, BCM, IGN1/IGN3, IGN MDL, and TCC SWTCH Fuses
Ignition Switch-ACCY/RUN and RUN/START Bus Bars, AIRBAG MDL, AUTO OCCUPANT SEN, BCM, IGN1/IGN3, IGN MDL, and TCC SWTCH Fuses