GM Service Manual Online
For 1990-2009 cars only
Makes
🢒
Buick
🢒
2006
🢒
Rendezvous - FWD
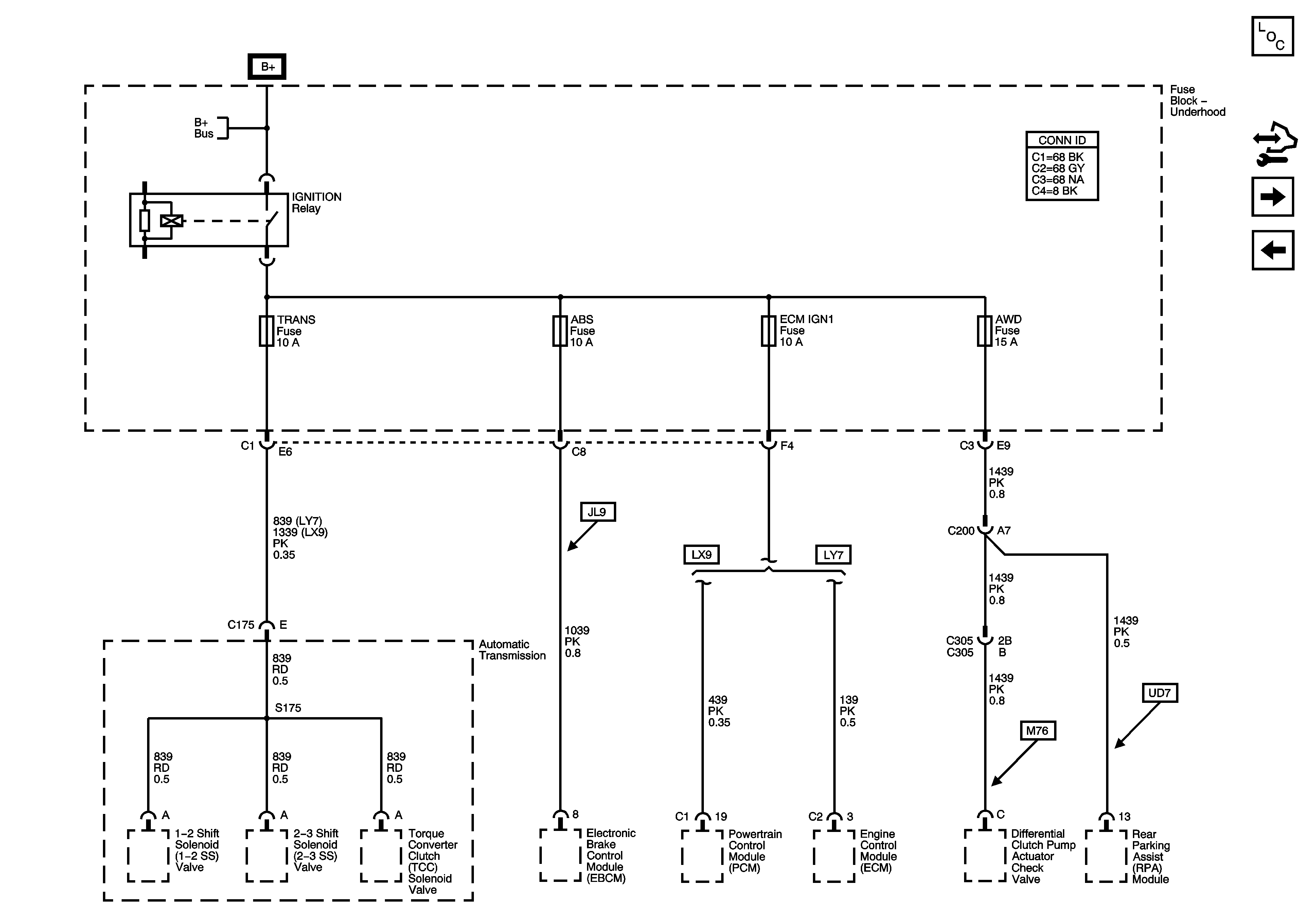
🢒 IGNITION Relay, ABS, AWD, ECM IGN1, and TRANS Fuses
IGNITION Relay, ABS, AWD, ECM IGN1, and TRANS Fuses
IGNITION Relay, ABS, AWD, ECM IGN1, and TRANS Fuses
Master Electrical Component List
Control Module References
DRL, HI BEAM-LT, HI BEAM-RT, LO BEAM-LT, and LO BEAM-RT Fuses
PTRAIN Relay-2 of 2, BTSI, PT RLY, and PT SENSORS Fuses-
B+ Bus 2 of 2