GM Service Manual Online
For 1990-2009 cars only
Makes
🢒
Buick
🢒
2006
🢒
Rendezvous - FWD
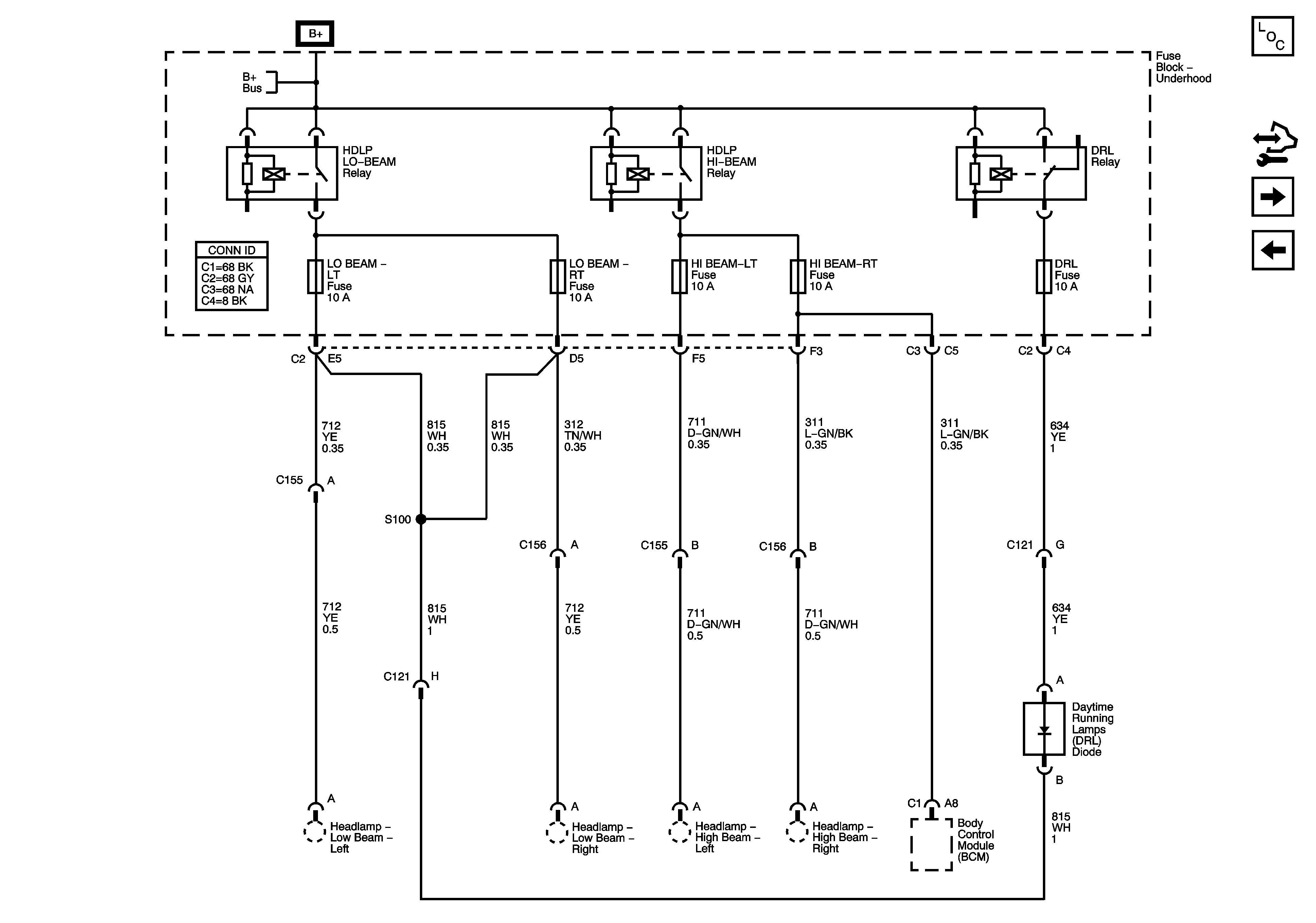
🢒 DRL, HI BEAM-LT, HI BEAM-RT, LO BEAM-LT, and LO BEAM-RT Fuses
DRL, HI BEAM-LT, HI BEAM-RT, LO BEAM-LT, and LO BEAM-RT Fuses
DRL, HI BEAM-LT, HI BEAM-RT, LO BEAM-LT, and LO BEAM-RT Fuses
Master Electrical Component List
Control Module References
BATT 3, HTD MIR, REAR DEFOG, and STR WHL CNTRL Fuses
IGNITION Relay, ABS, AWD, ECM IGN1, and TRANS Fuses
B+ Bus 1 of 2