GM Service Manual Online
For 1990-2009 cars only
Makes
🢒
Buick
🢒
2006
🢒
Rendezvous - FWD
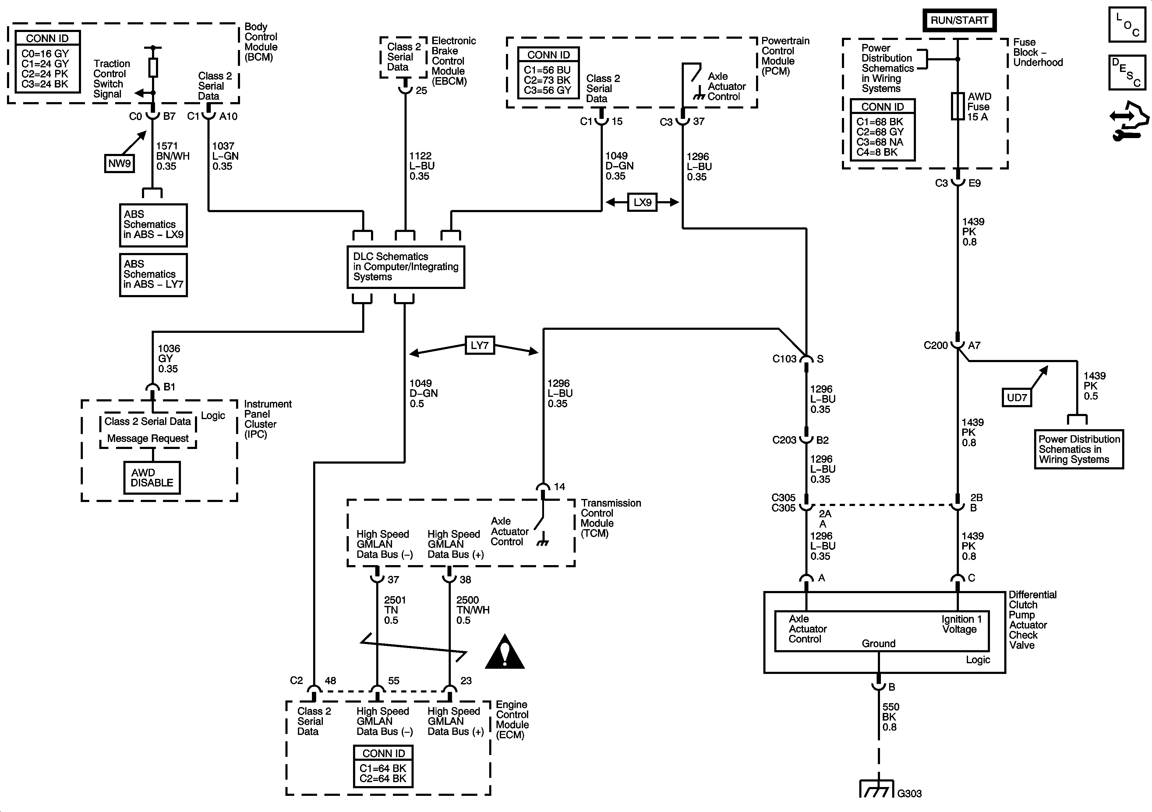
🢒 All-Wheel Drive Schematics
All-Wheel Drive Schematics
Master Electrical Component List
Locking Differential Description and Operation
Control Module References
DLC, Indicators, and Traction Control Switch-LX9
DLC, Indicators, and Traction Control Switch-LY7
DLC Schematics
IGNITION Relay, ABS, AWD, ECM IGN1, and TRANS Fuses
Drive Axle Locking/Limited Slip Schematic Icons
G303-1 of 2
IGNITION Relay, ABS, AWD, ECM IGN1, and TRANS Fuses