GM Service Manual Online
For 1990-2009 cars only
Makes
🢒
Buick
🢒
2006
🢒
Rendezvous - FWD
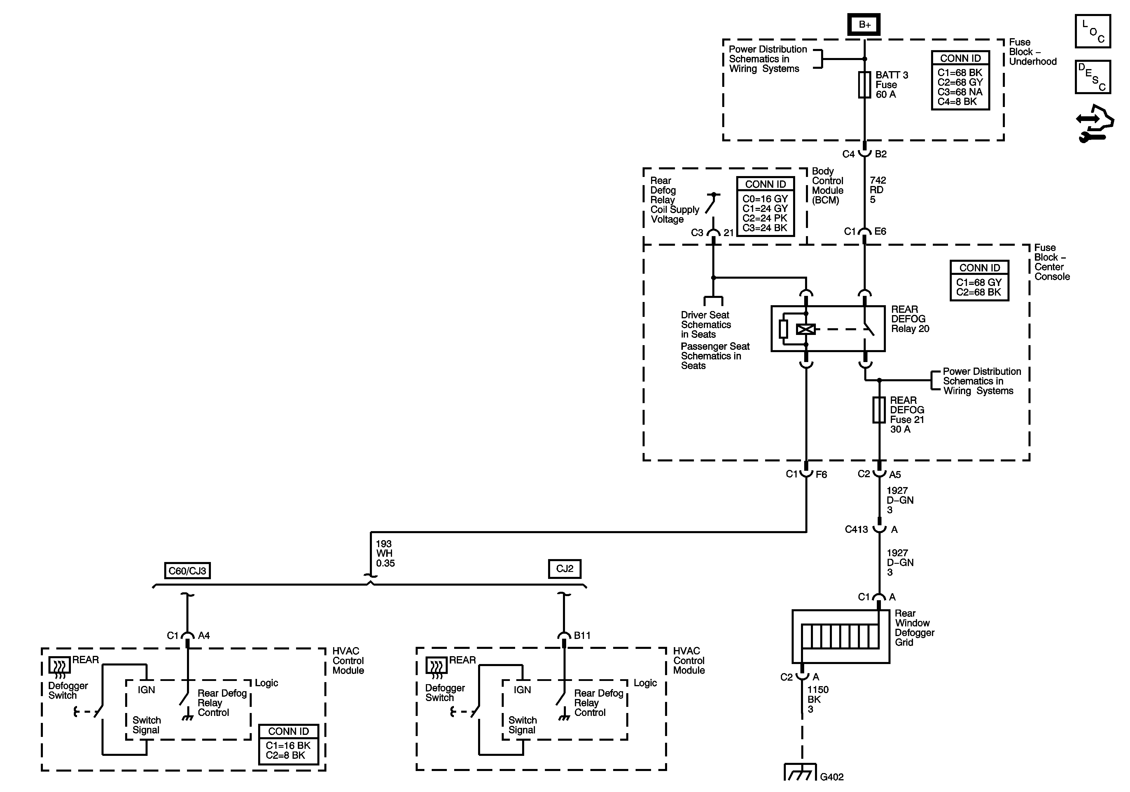
🢒 Defogger Schematics
Defogger Schematics
Master Electrical Component List
Rear Window Defogger Description and Operation
Control Module References
B+ Bus 1 of 2
Power Seat and Heated Seat
Passenger Seat Schematics
BATT 3, HTD MIR, REAR DEFOG, and STR WHL CNTRL Fuses
G402