GM Service Manual Online
For 1990-2009 cars only
Makes
🢒
Buick
🢒
2006
🢒
Rendezvous - FWD
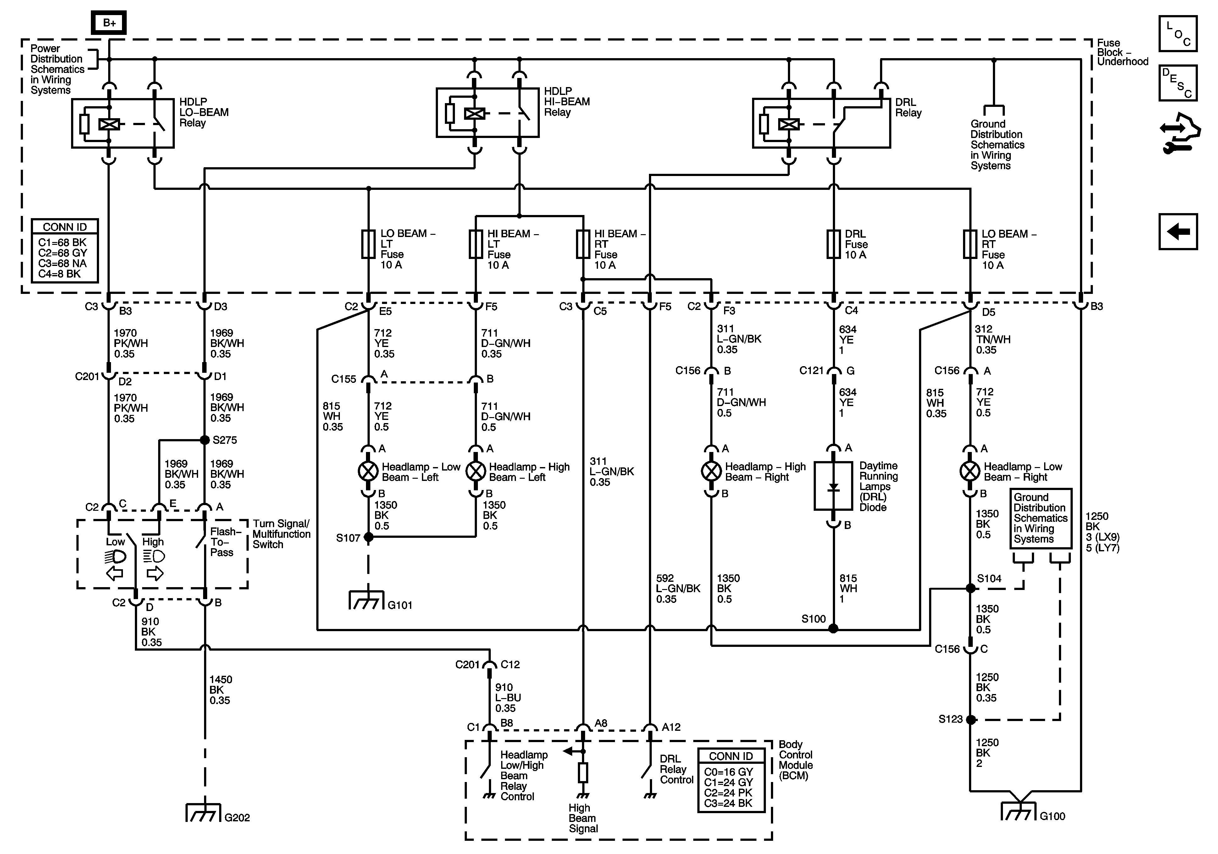
🢒 Dimming, Lamps, Relays
Dimming, Lamps, Relays
Dimming, Lamps, Relays
Master Electrical Component List
Exterior Lighting Systems Description and Operation
Control Module References
Indicator, Lamp Control
B+ Bus 1 of 2
G100, G111, and G119
G202
G101
G100, G111, and G119
G100, G111, and G119