GM Service Manual Online
For 1990-2009 cars only
Makes
🢒
Buick
🢒
2007
🢒
Rendezvous - FWD
🢒
Engine
🢒
Engine Electrical
🢒 Starting and Charging Schematics
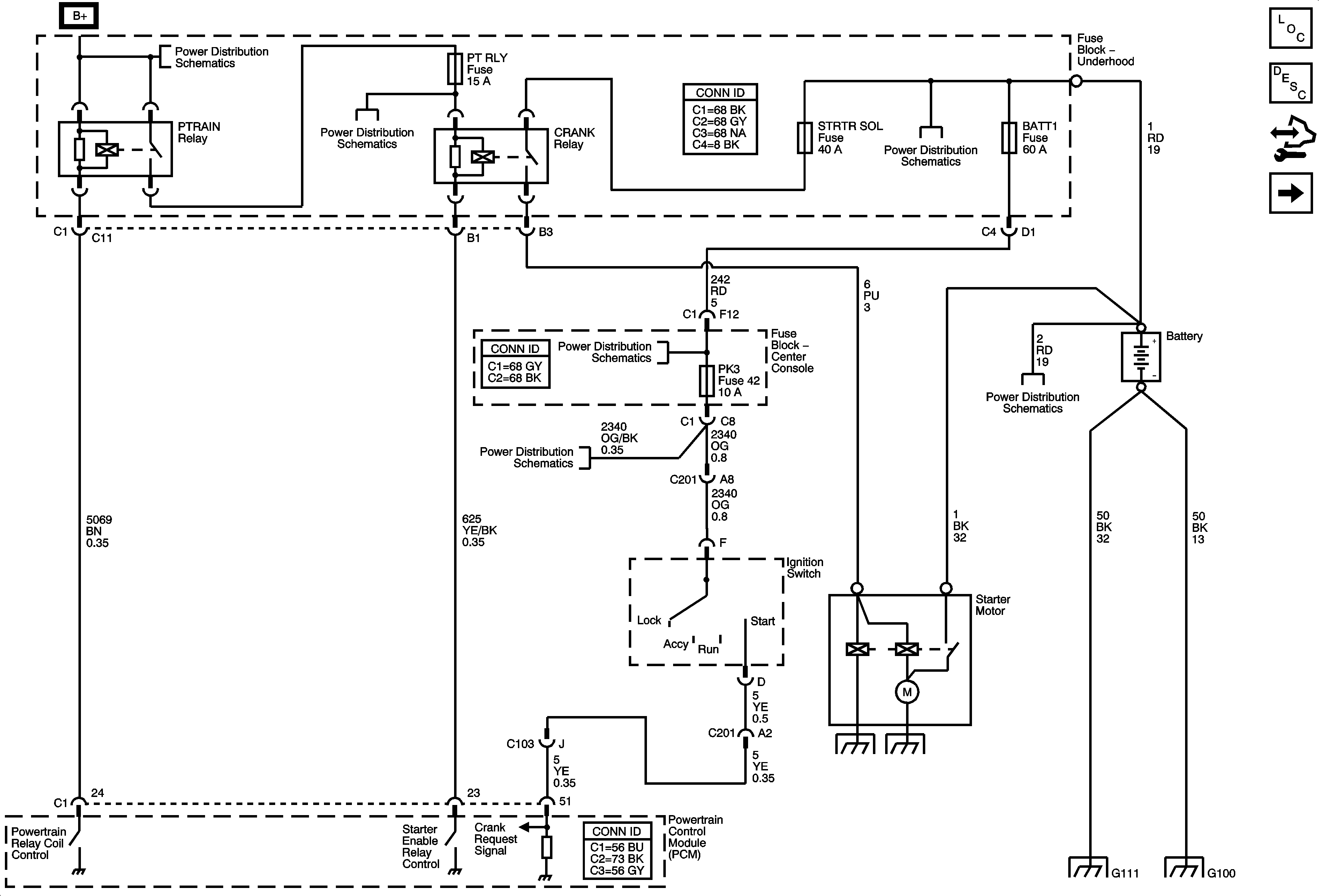
Figure
1:
Cranking
Master Electrical Component List
Starting System Description and Operation
Control Module References
Charging
B+ Bus 2 of 2
PTRAIN Relay-2 of 2, BTSI, PT RLY, and PT SENSORS Fuses
B+ Bus 1 of 2
BATT 1, HAZRD LAMP, HUD, IPC/HVAC/SEC/RKE, IS LAMP, PK3, RDO and RDO AMP Fuses
Ignition Switch-ACCY/RUN/START and RUN and START Bus Bars, HVAC BLWR, IPC/BCM/PK3, PK3, and PRK LCK IGN Fuses
B+ Bus 1 of 2
G100, and G111
G100, and G111
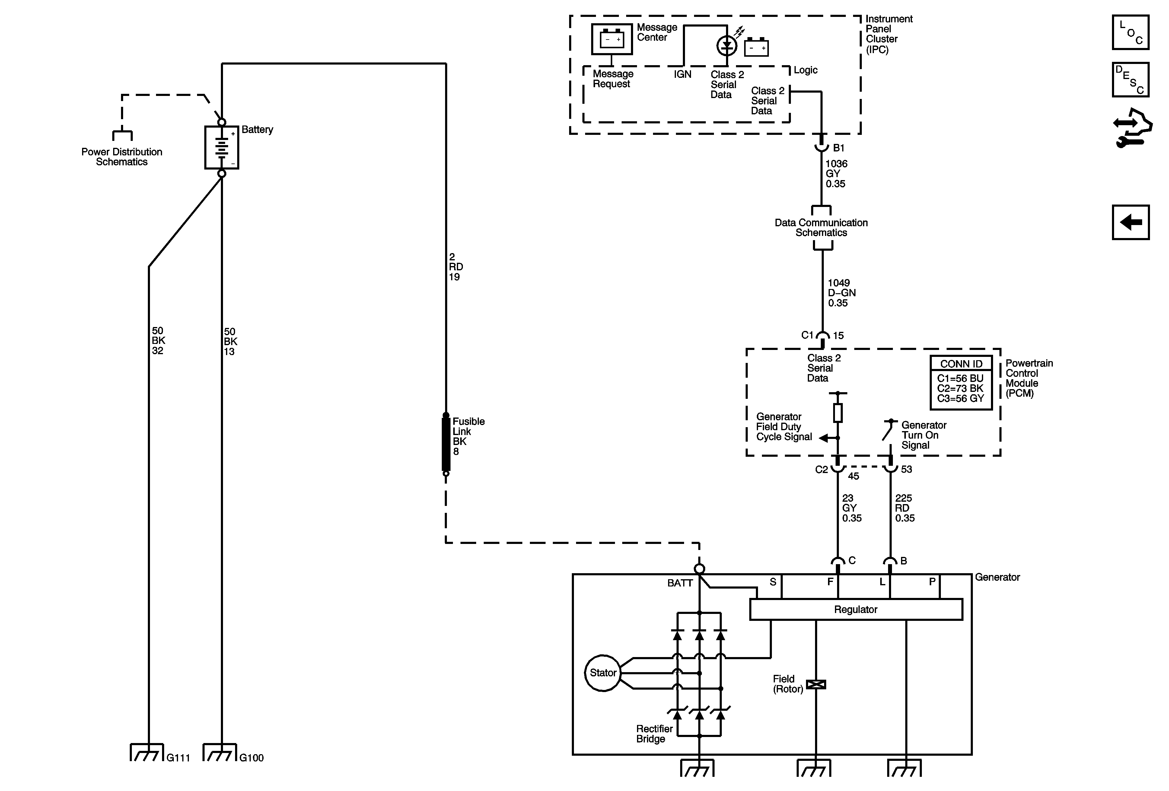
Figure
2:
Charging
Master Electrical Component List
Starting System Description and Operation
Control Module References
Cranking
B+ Bus 1 of 2
Data Communication Schematics
G100, and G111
G100, and G111