GM Service Manual Online
For 1990-2009 cars only
Makes
🢒
Buick
🢒
2007
🢒
Rendezvous - FWD
🢒
Diagnostic Navigation
🢒
Vehicle Diagnostic Information
🢒 Door Lock/Indicator Schematics
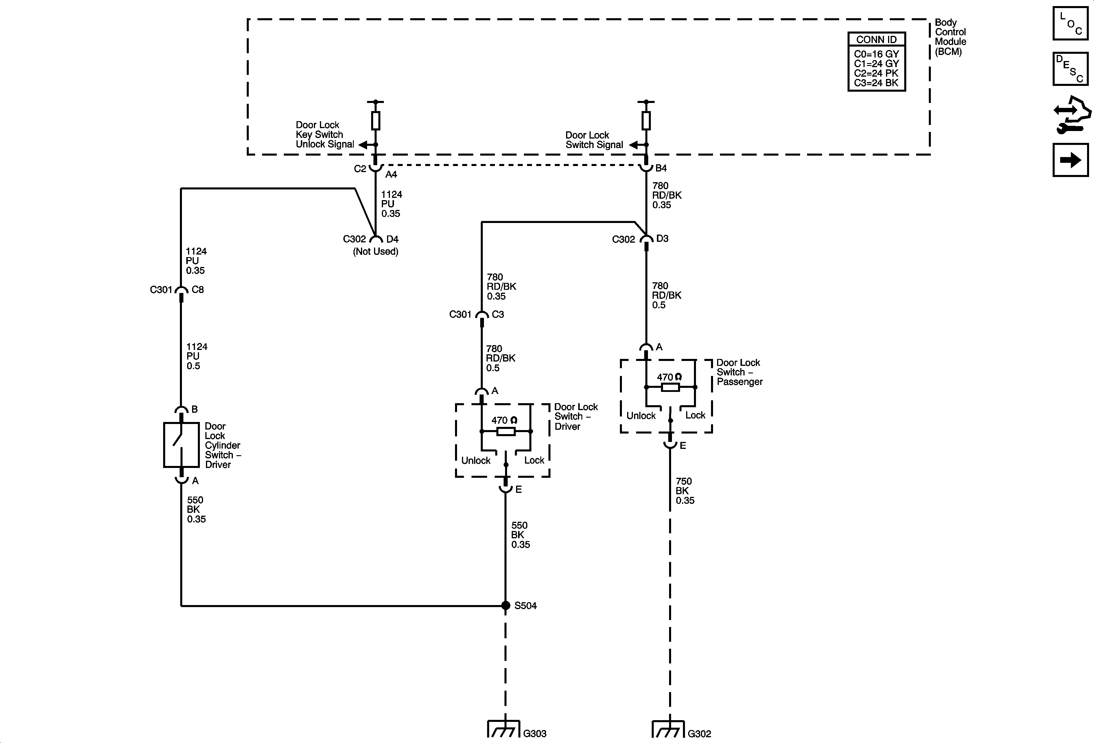
Figure
1:
Switches
Master Electrical Component List
Power Door Locks Description and Operation
Control Module References
Actuators
G303-1 of 2
G302
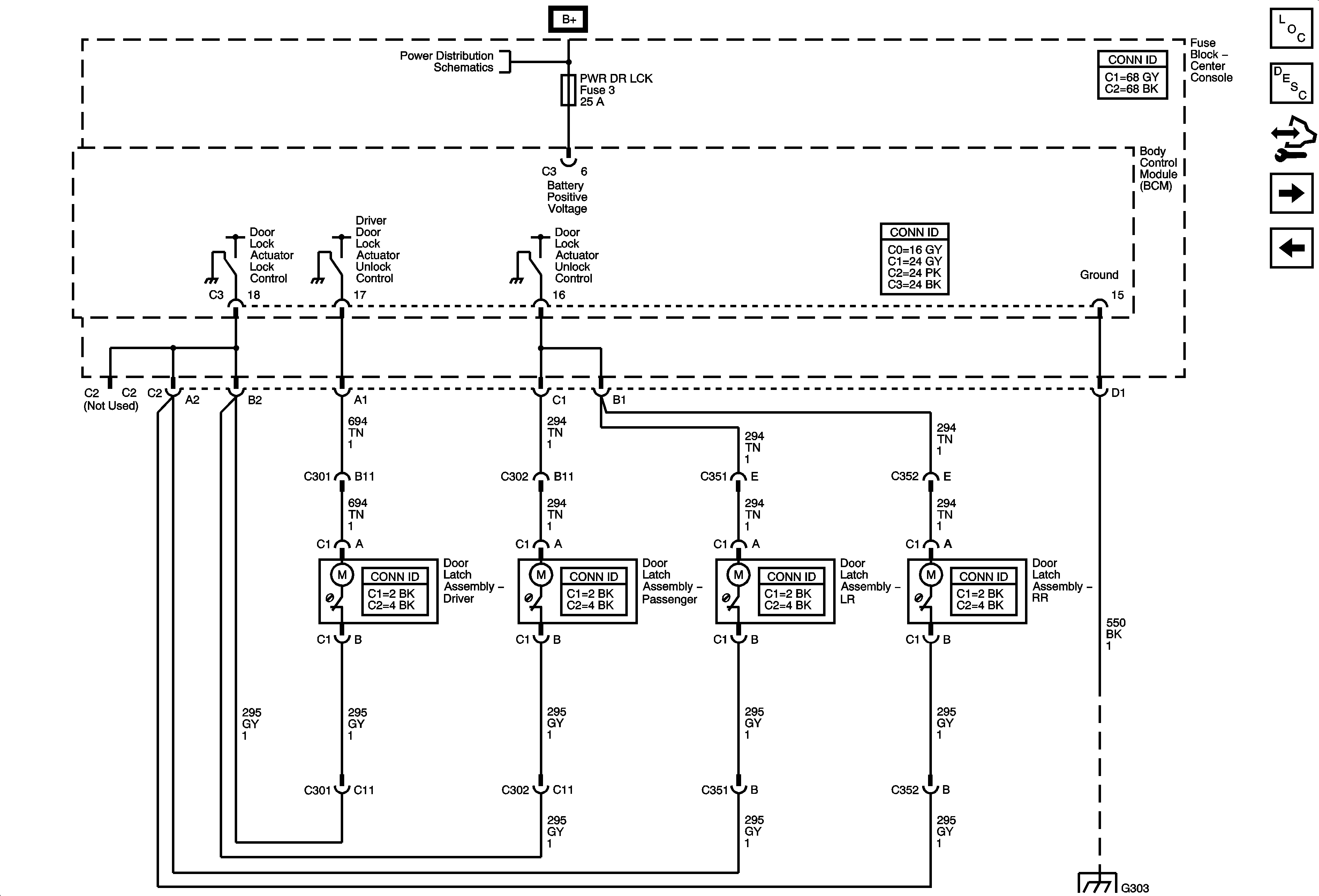
Figure
2:
Actuators
Master Electrical Component List
Power Door Locks Description and Operation
Control Module References
Indicator
Switches
BATT 2, ELC CMPRSR, LGATE, PWR DR LCK, PWR MIR, PWR SEAT, and RR AUX PWR OUTLET Fuses
G303-1 of 2
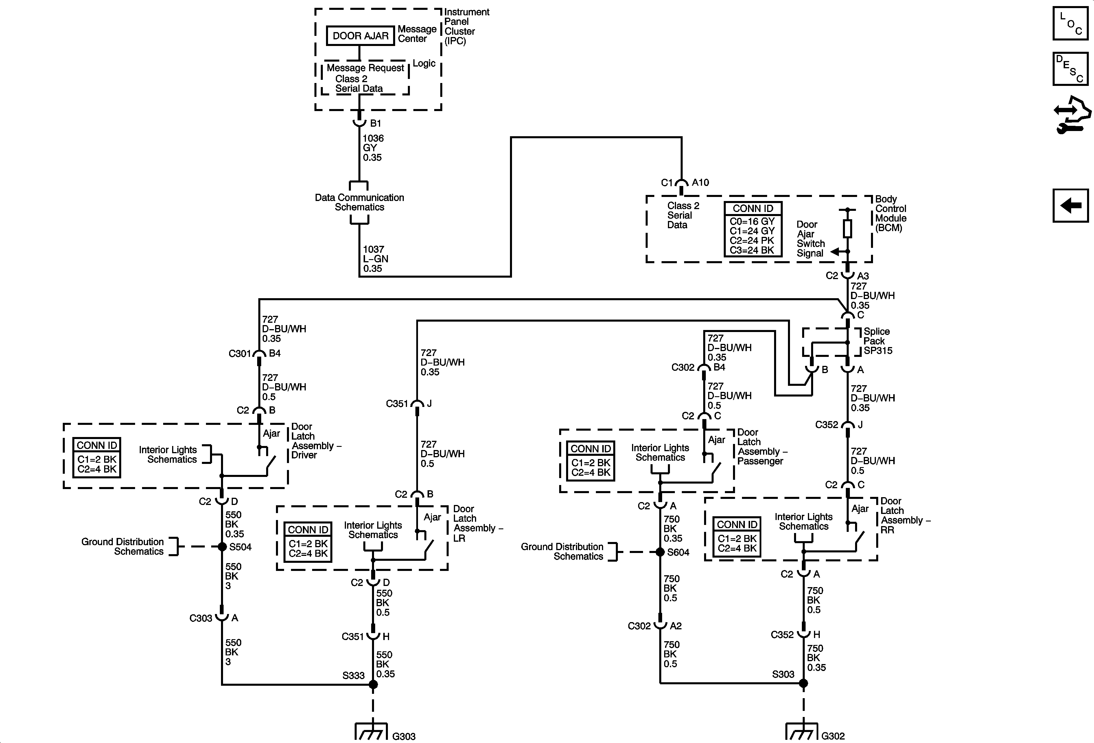
Figure
3:
Indicator
Master Electrical Component List
Power Door Locks Description and Operation
Control Module References
Actuators
Data Communication Schematics
Door and Liftgate Switches
G303-1 of 2
Door and Liftgate Switches
G302
Door and Liftgate Switches
Door and Liftgate Switches
G303-1 of 2
G302