GM Service Manual Online
For 1990-2009 cars only
Makes
🢒
Buick
🢒
2007
🢒
Rendezvous - FWD
🢒
Body Systems
🢒
Wipers and Washers
🢒 Wiper/Washer Schematics
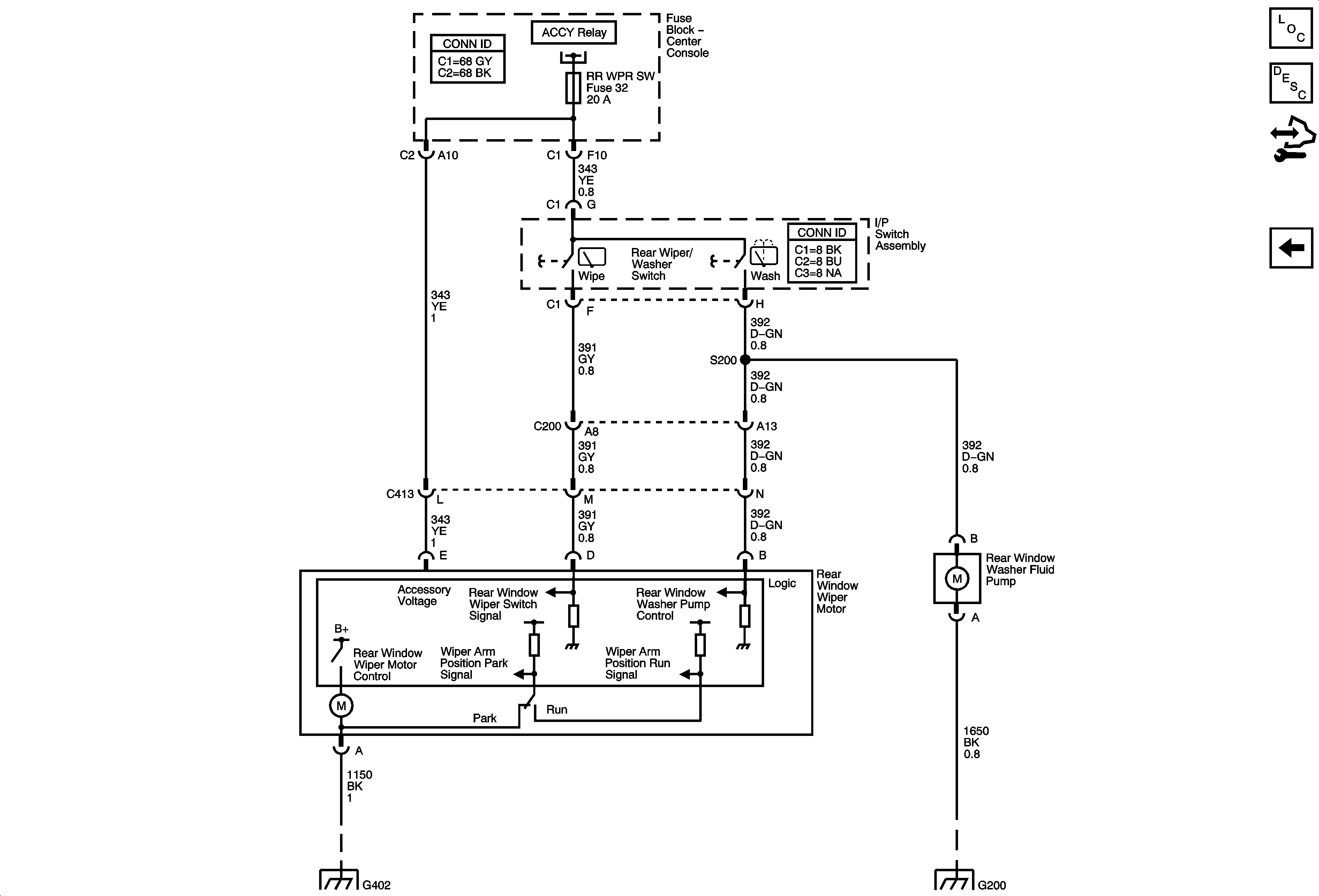
Figure
1:
Front
Master Electrical Component List
Wiper/Washer System Description and Operation
Control Module References
Rear
Ignition Switch-ACCY/RUN and RUN/START Bus Bars, AIRBAG MDL, AUTO OCCUPANT SEN, BCM, IGN1/IGN3, IGN MDL, and TCC SWTCH Fuses
G200
ACC PWR, ELC CMPRSR, IGN 1, PWR SROOF, PWR WNDW, RR WPR SW, and WPR/WSW Fuses
G201
G200
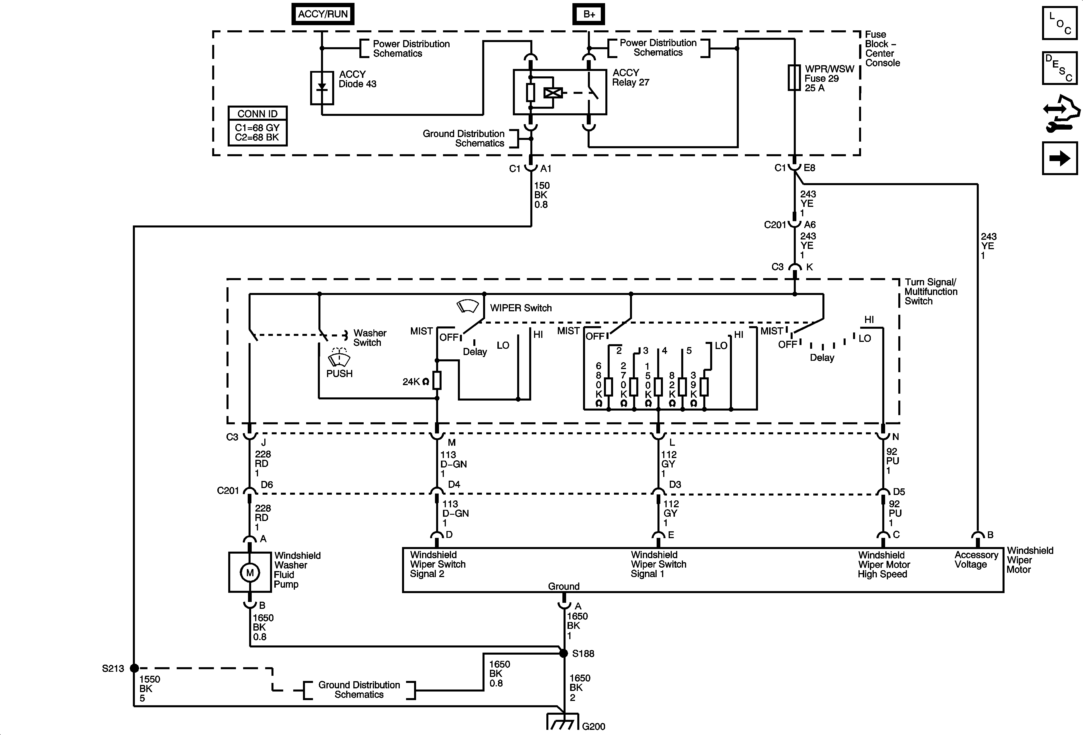
Figure
2:
Rear
Master Electrical Component List
Wiper/Washer System Description and Operation
Control Module References
Front
Front
G402
G200