GM Service Manual Online
For 1990-2009 cars only
Makes
🢒
Buick
🢒
2007
🢒
Rendezvous - FWD
🢒
Driver Information and Entertainment
🢒
Secondary and Configurable Customer Controls
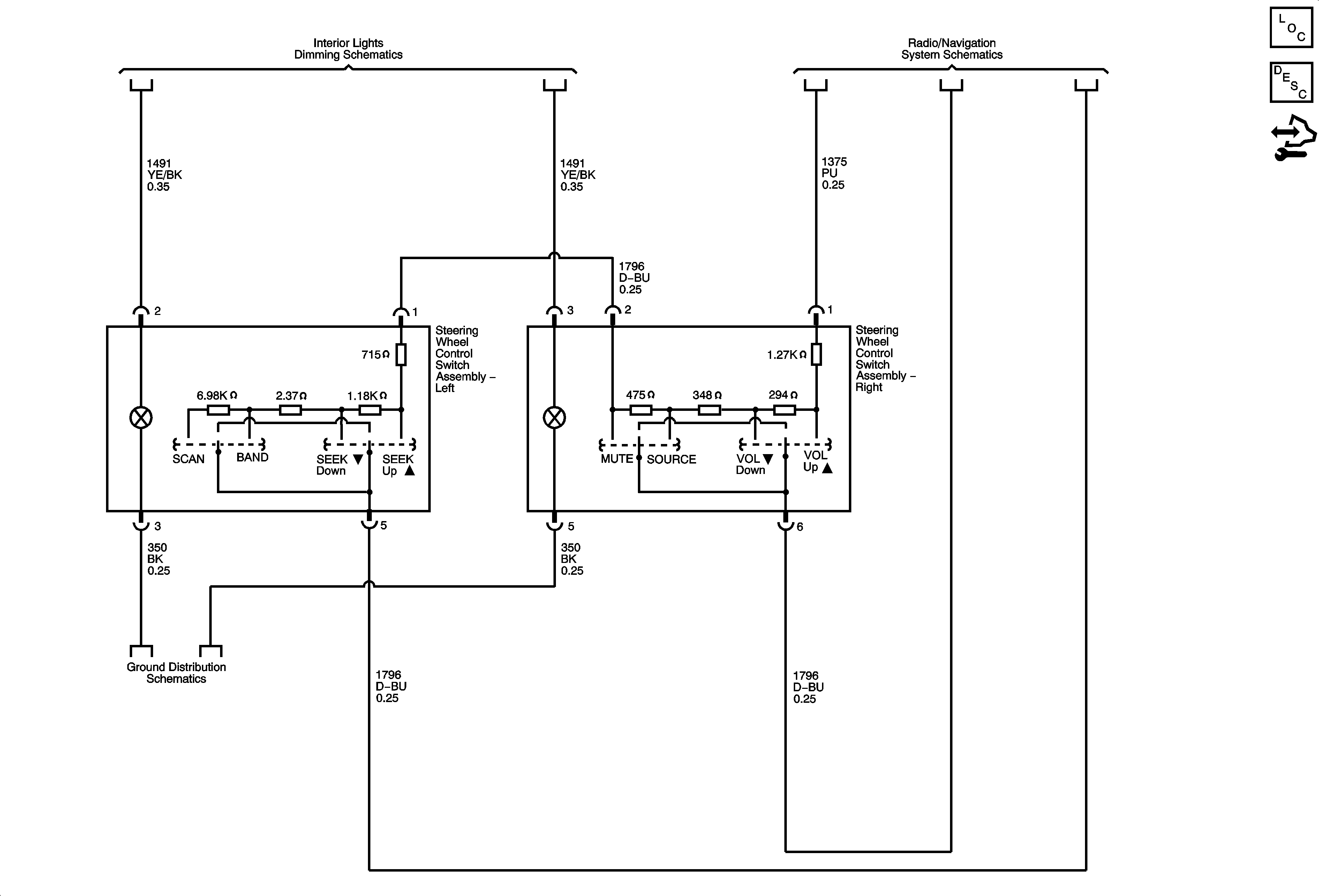
🢒 Steering Wheel Secondary/Configurable Control Schematics
Master Electrical Component List
Steering Wheel Controls Description and Operation
Control Module References
Dimming Controls and Door, Roof, and Steering Wheel Lamps
Steering Wheel Controls - UK3
G202