GM Service Manual Online
For 1990-2009 cars only
Makes
🢒
Buick
🢒
2007
🢒
Rendezvous - FWD
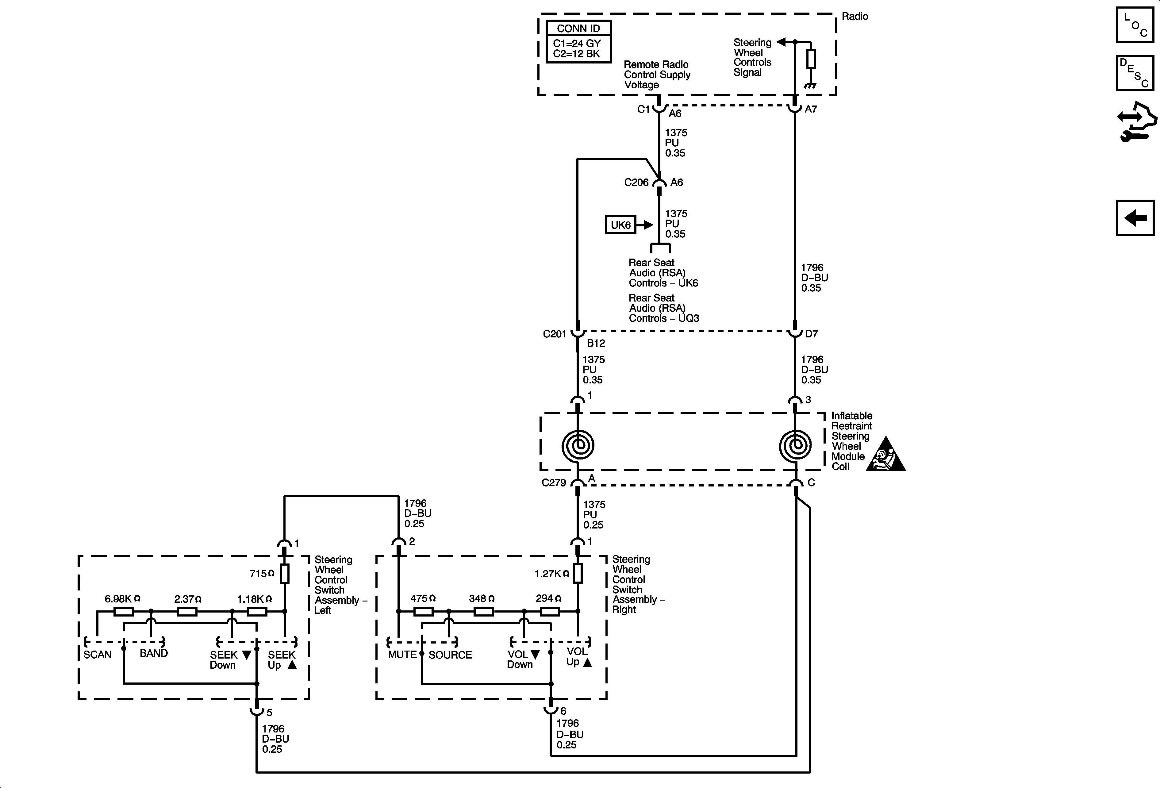
🢒 Steering Wheel Controls - UK3
Steering Wheel Controls - UK3
Steering Wheel Controls - UK3
Master Electrical Component List
Radio/Audio System Description and Operation
Control Module References
Digital Radio Receiver w/U32
Audio System-U96 w/UK6
Audio System Controls-UQ3 w/UK6
Entertainment Schematic Icons