GM Service Manual Online
For 1990-2009 cars only
Makes
🢒
Buick
🢒
2007
🢒
Rendezvous - FWD
🢒 Digital Radio Receiver w/U32
Digital Radio Receiver w/U32
Digital Radio Receiver w/U32
Master Electrical Component List
Radio/Audio System Description and Operation
Control Module References
Steering Wheel Controls - UK3
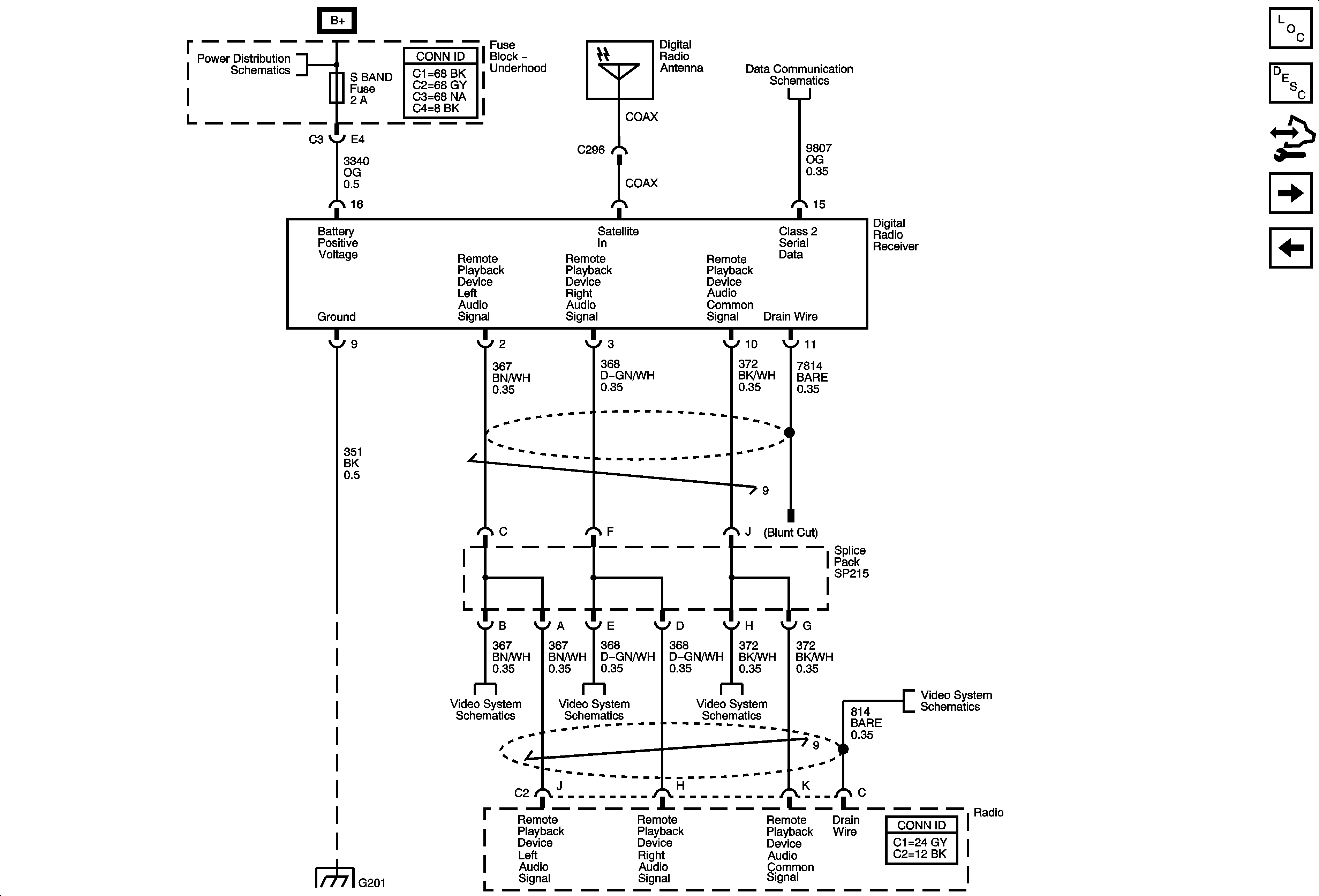
Digital Radio Receiver
ABSMTR, ABS SOL, BCM, DVD, ECM, FRT AUX, S BAND, TCM, and VENT SOL Fuses
Data Communication Schematics
G201
Video System Schematics
Video System Schematics
Video System Schematics
Video System Schematics