GM Service Manual Online
For 1990-2009 cars only
Makes
🢒
Buick
🢒
2007
🢒
Rendezvous - FWD
🢒
Power and Signal Distribution
🢒
Wiring Systems and Power Management
🢒 Outside Rearview Mirror Schematics
Figure
1:
Base Mirrors
Master Electrical Component List
Outside Mirror Description and Operation
Control Module References
Heated Mirrors
BATT 2, ELC CMPRSR, LGATE, PWR DR LCK, PWR MIR, PWR SEAT, and RR AUX PWR OUTLET Fuses
BATT 2, ELC CMPRSR, LGATE, PWR DR LCK, PWR MIR, PWR SEAT, and RR AUX PWR OUTLET Fuses
Dimming Controls and Door, Roof, and Steering Wheel Lamps
G303-1 of 2
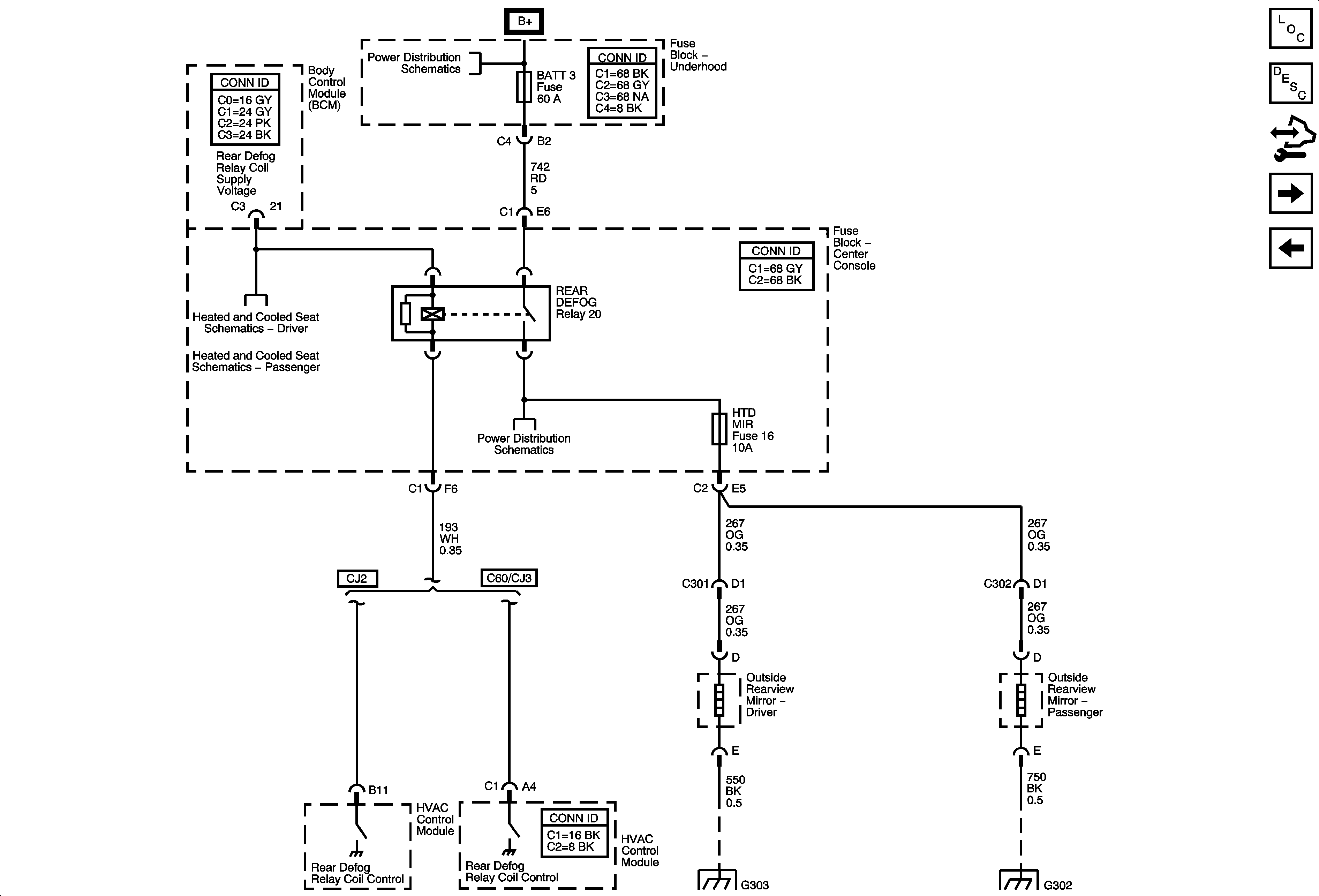
Figure
2:
Heated Mirrors
Master Electrical Component List
Outside Mirror Description and Operation
Control Module References
Memory Mirrors-Power, Ground, and Switches
Base Mirrors
B+ Bus 1 of 2
Power Seat
Passenger Seat Schematics
BATT 3, HTD MIR, REAR DEFOG, and STR WHL CNTRL Fuses
G303-2 of 2
G302
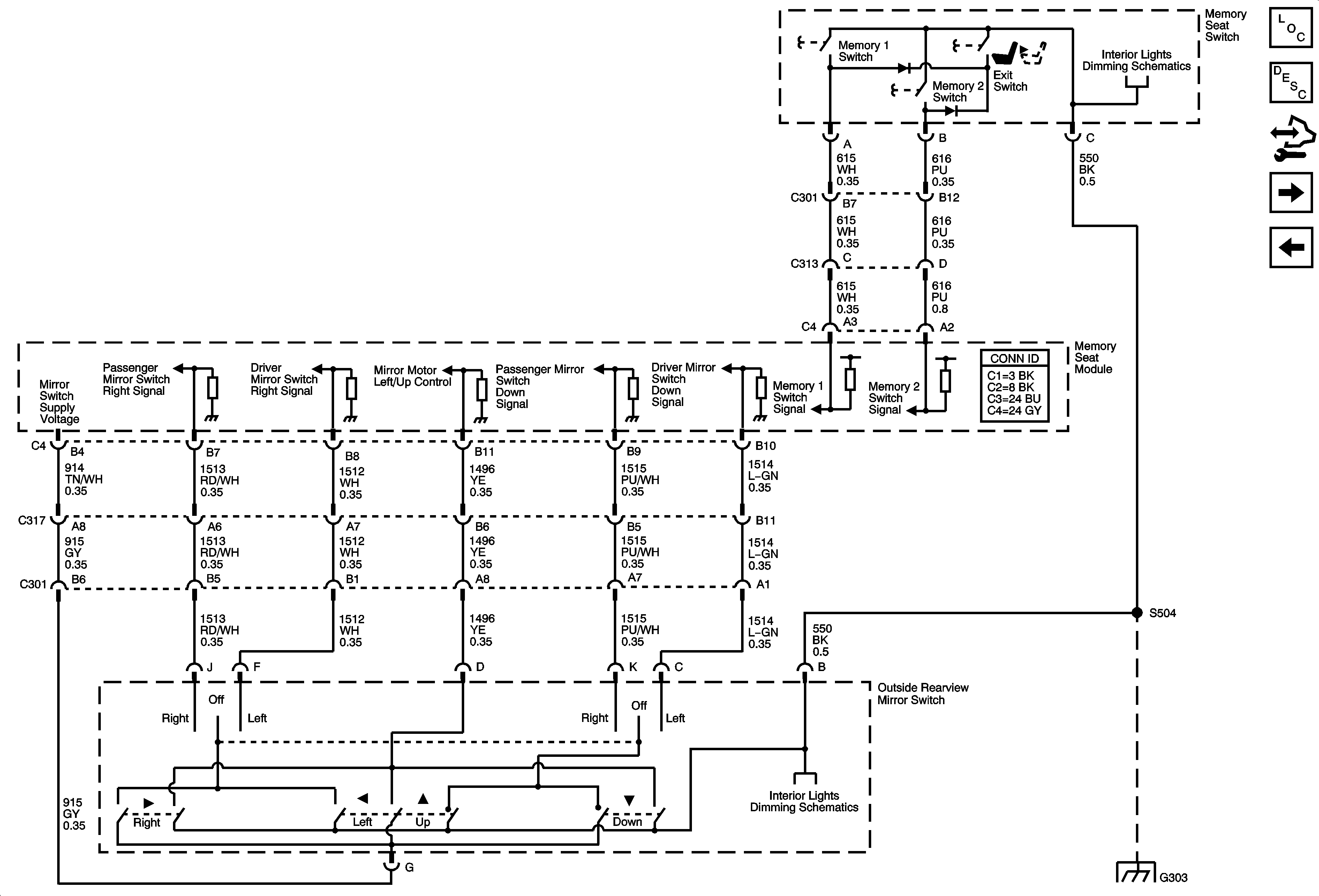
Figure
3:
Memory Mirrors-Power, Ground, and Switches
Master Electrical Component List
Outside Mirror Description and Operation
Control Module References
Memory Mirrors-Mirror Controls
Heated Mirrors
Dimming Controls and Door, Roof, and Steering Wheel Lamps
Dimming Controls and Door, Roof, and Steering Wheel Lamps
G303-1 of 2
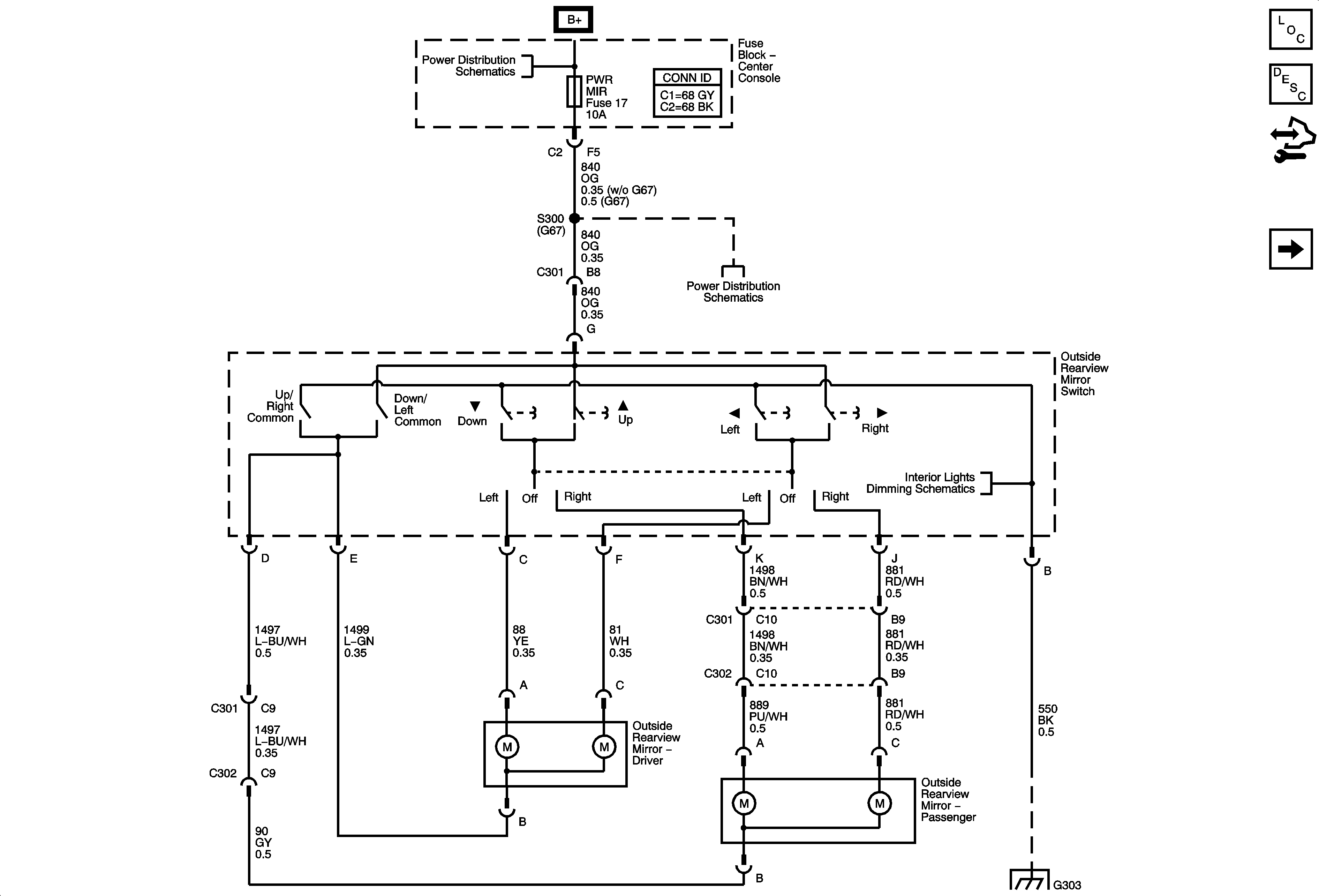
Figure
4:
Memory Mirrors - Mirror Controls
Master Electrical Component List
Outside Mirror Description and Operation
Control Module References
Memory Mirrors-Power, Ground, and Switches