GM Service Manual Online
For 1990-2009 cars only
Makes
🢒
Buick
🢒
2007
🢒
Rendezvous - FWD
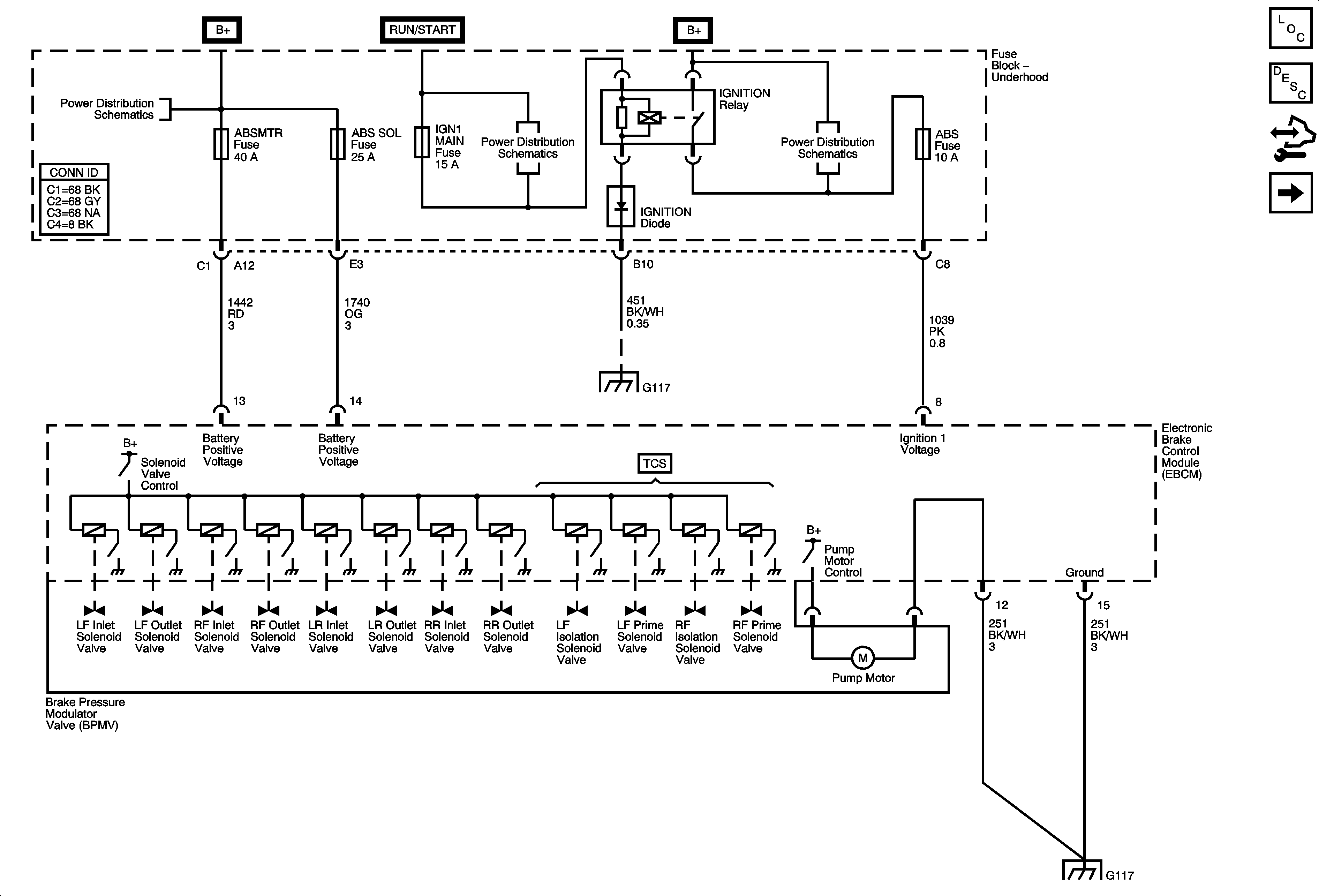
🢒 Ground, Power, Pump, and Solenoid Valves
Ground, Power, Pump, and Solenoid Valves
Ground, Power, Pump, and Solenoid Valves
Master Electrical Component List
ABS Description and Operation
Control Module References
DLC, Indicators, and Traction Control Switch
B+ Bus 1 of 2
HVAC/HUD Fuse
B+ Bus 2 of 2
G117
G117