GM Service Manual Online
For 1990-2009 cars only
Makes
🢒
Buick
🢒
2007
🢒
Rendezvous - FWD
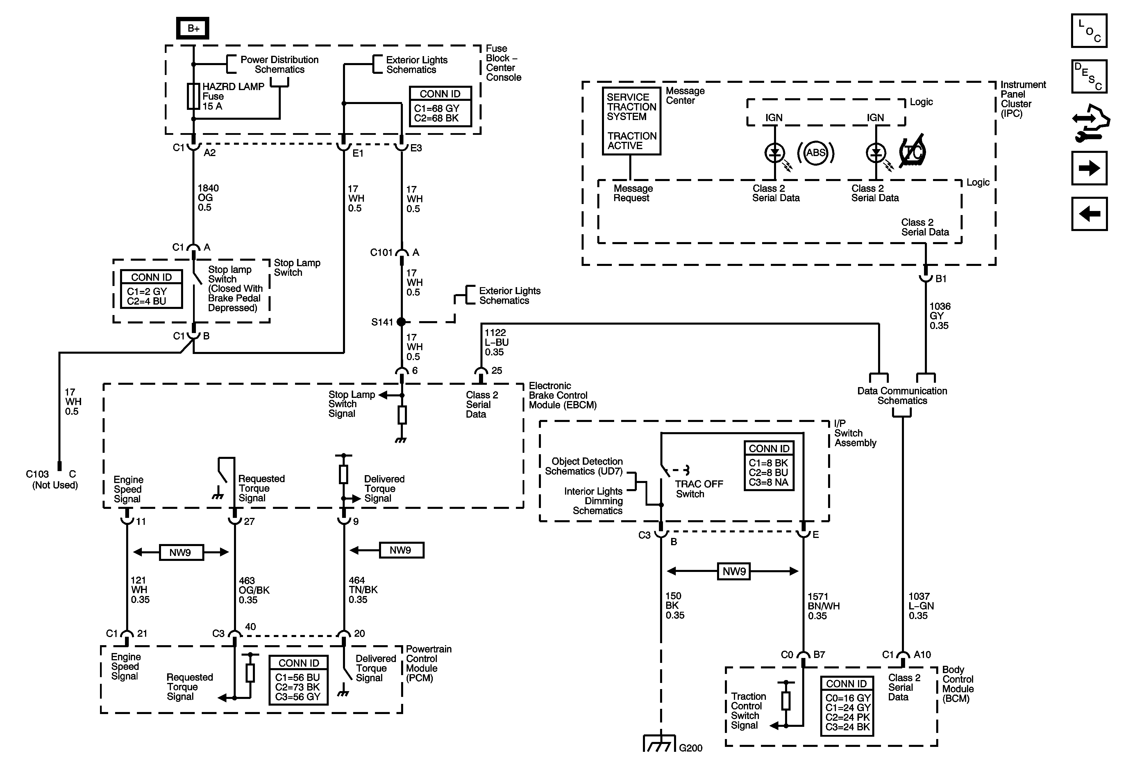
🢒 DLC, Indicators, and Traction Control Switch
DLC, Indicators, and Traction Control Switch
DLC, Indicators, and Traction Control Switch
Master Electrical Component List
ABS Description and Operation
Control Module References
Wheel Speed Sensors
Ground, Power, Pump, and Solenoid Valves
BATT 1, HAZRD LAMP, HUD, IPC/HVAC/SEC/RKE, IS LAMP, PK3, RDO and RDO AMP Fuses
Hazard, Stop, and Turn Signal Lamp Control
Hazard, Stop, and Turn Signal Lamp Control
Enabling, Ground, and Power
I/P and Console Lamps
Data Communication Schematics
G200