GM Service Manual Online
For 1990-2009 cars only
Makes
🢒
Buick
🢒
2007
🢒
Rendezvous - FWD
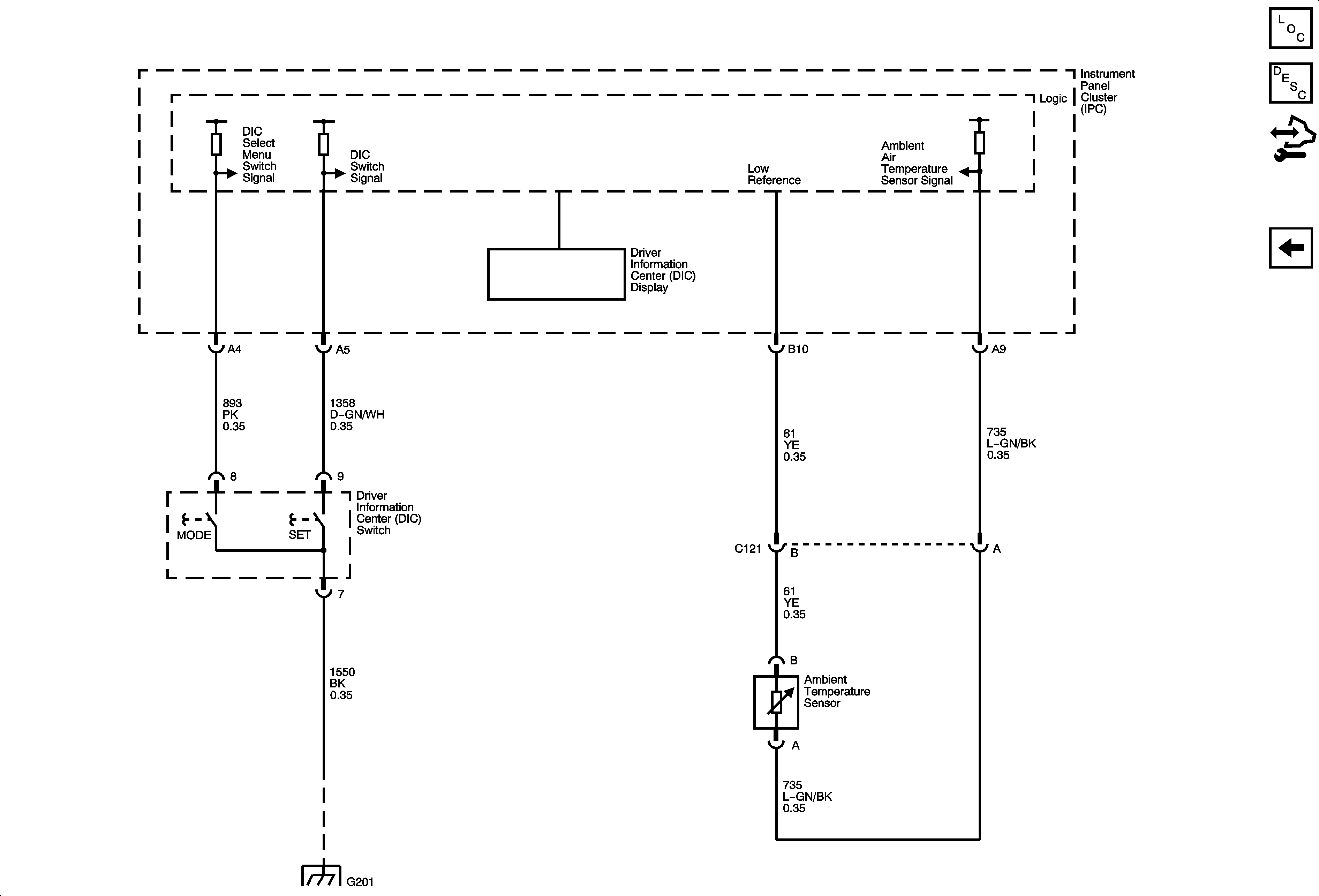
🢒 Driver Information Center-UH9
Driver Information Center-UH9
Driver Information Center - UH9
Master Electrical Component List
Instrument Cluster Description and Operation
Control Module References
Gages
G201