GM Service Manual Online
For 1990-2009 cars only
Makes
🢒
Buick
🢒
2007
🢒
Rendezvous - FWD
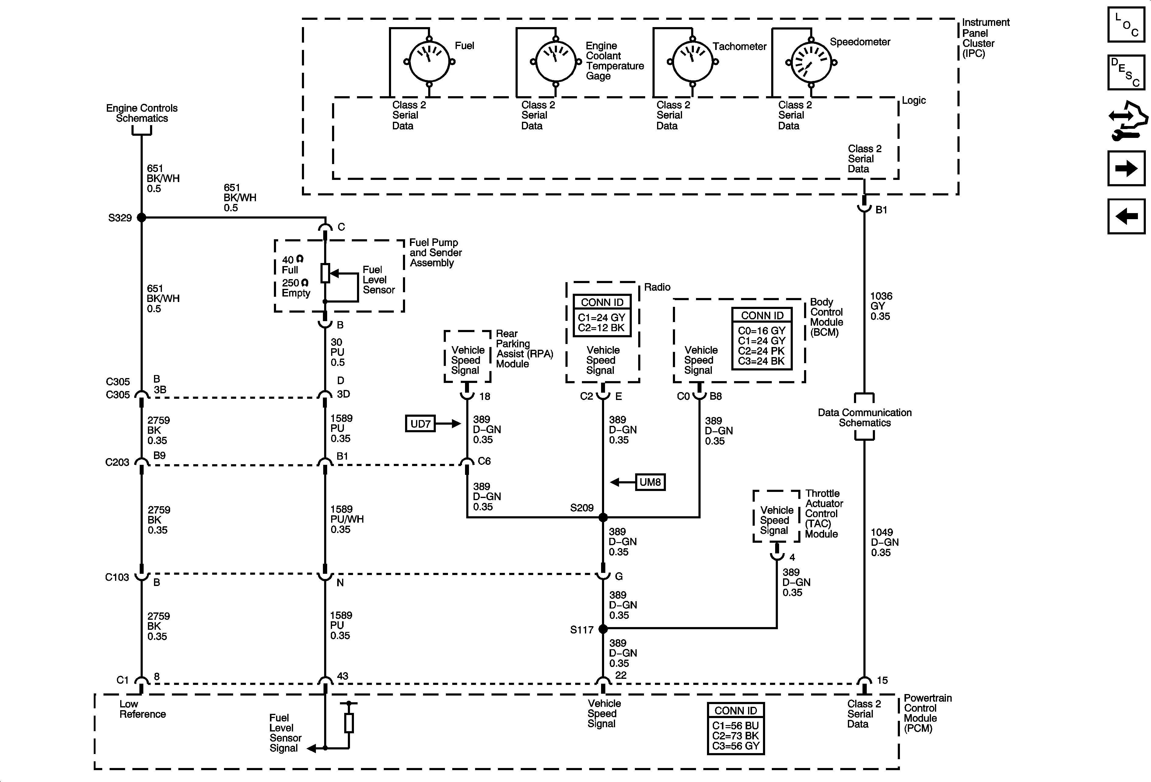
🢒 Gages
Gages
Gages
Master Electrical Component List
Instrument Cluster Description and Operation
Control Module References
Driver Information Center-UH9
Engine Oil Pressure
Fuel Controls-Fuel Pump Controls
Data Communication Schematics