GM Service Manual Online
For 1990-2009 cars only
Makes
🢒
Buick
🢒
2007
🢒
Rendezvous - FWD
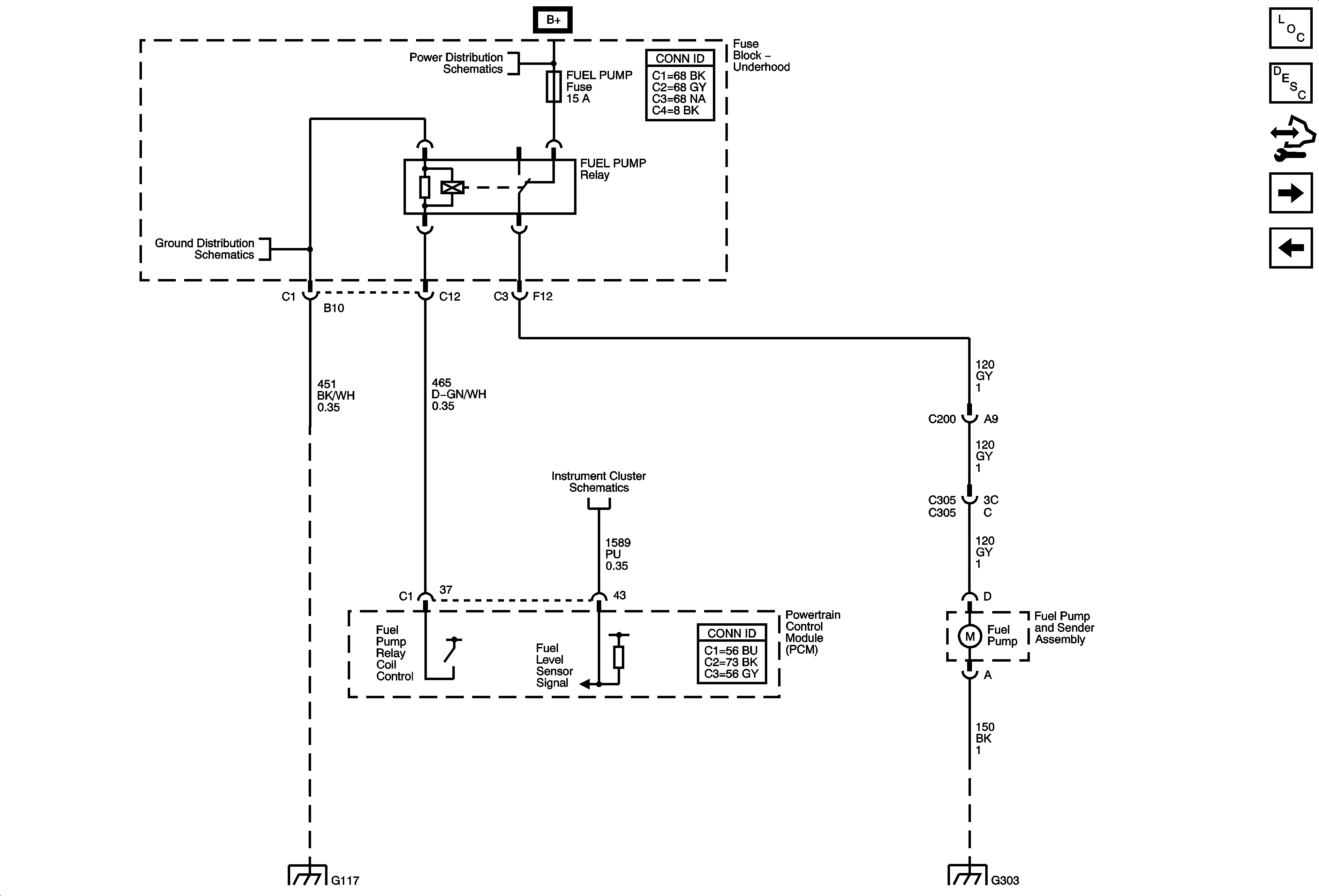
🢒 Fuel Controls-Fuel Pump Controls
Fuel Controls-Fuel Pump Controls
Fuel Controls - Fuel Pump Controls
Master Electrical Component List
Powertrain Control Module Description
Control Module References
Fuel Controls-Fuel Injectors
Ignition Controls-Ignition System
B+ Bus 1 of 2
G117
Gages
G117
G303-1 of 2