GM Service Manual Online
For 1990-2009 cars only
Makes
🢒
Buick
🢒
2007
🢒
Rendezvous - FWD
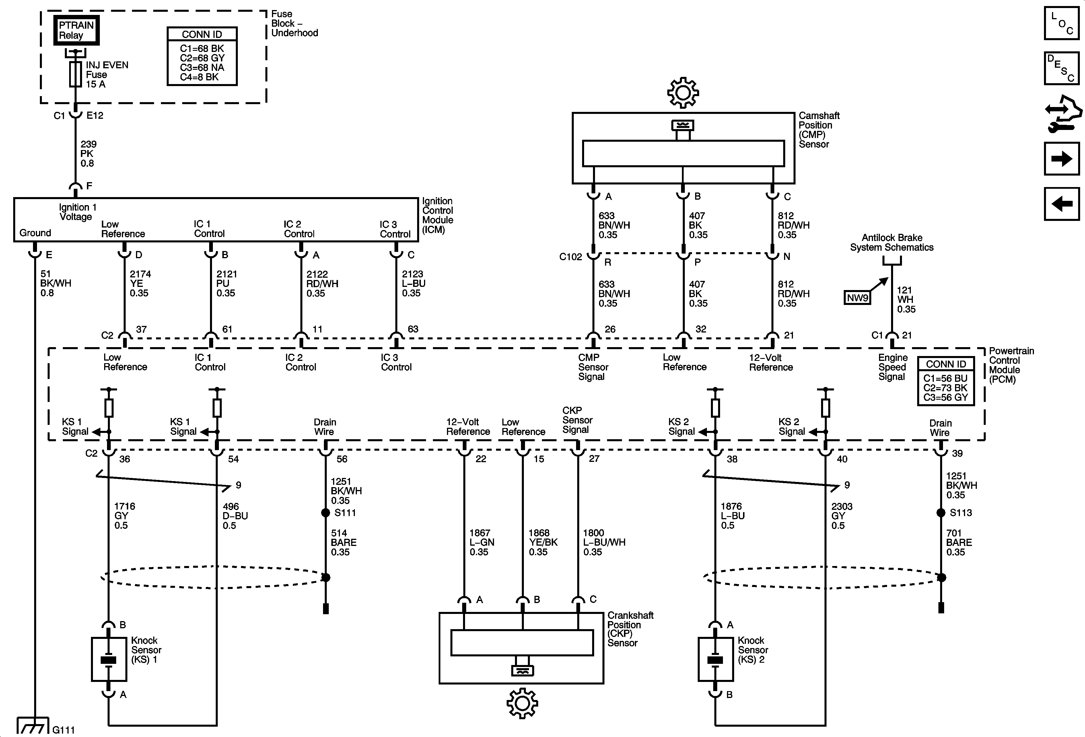
🢒 Ignition Controls-Ignition System
Ignition Controls-Ignition System
Ignition Controls - Ignition System
Master Electrical Component List
Powertrain Control Module Description
Control Module References
Fuel Controls-Fuel Pump Controls
Engine Data Sensors-Throttle Actuator Controls
Module Power, Ground, Serial Data, and MIL
DLC, Indicators, and Traction Control Switch
G100, and G111