GM Service Manual Online
For 1990-2009 cars only
Makes
🢒
Buick
🢒
2007
🢒
Rendezvous - FWD
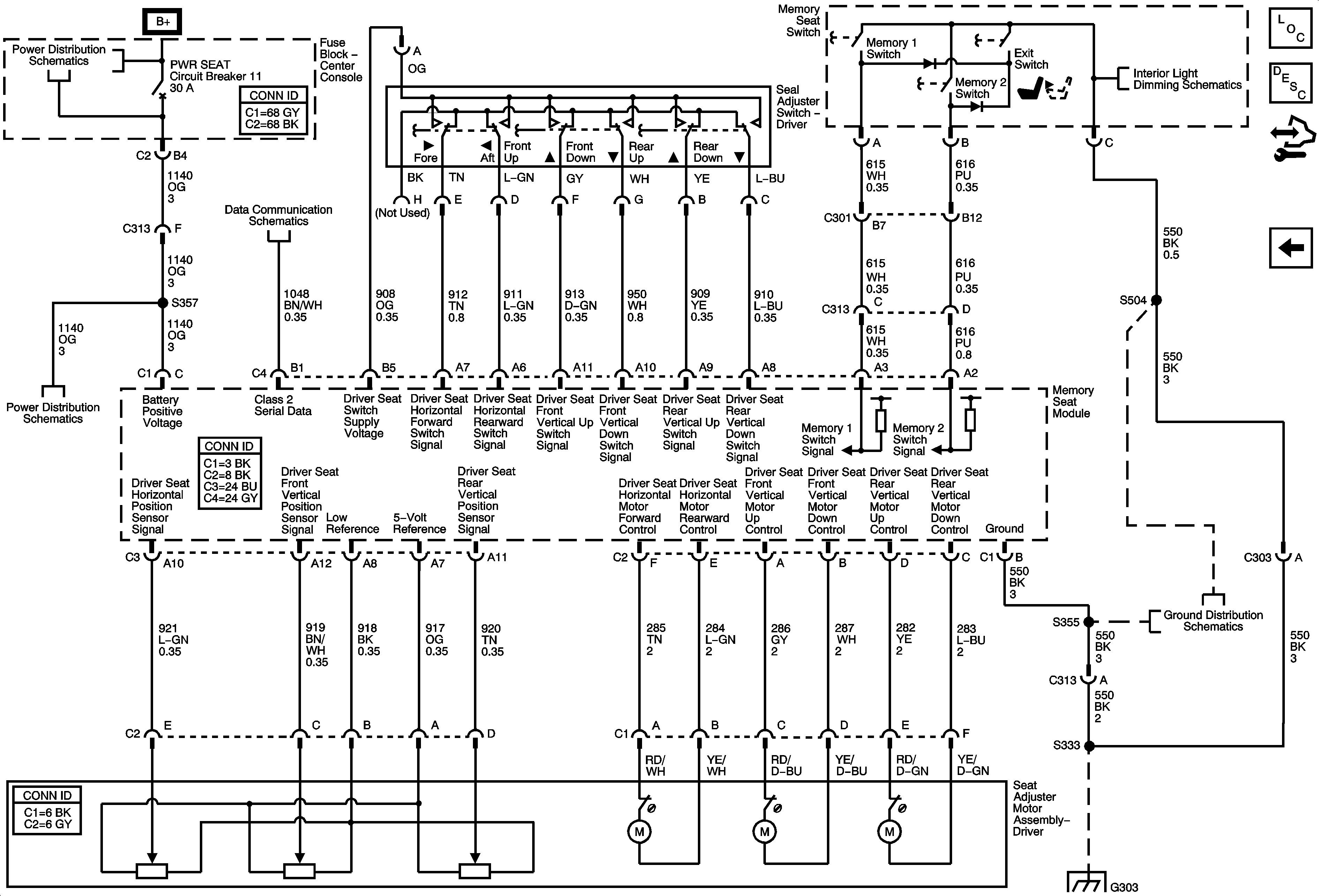
🢒 Memory Seat
Memory Seat
Memory Seat
Master Electrical Component List
Memory Seats Description and Operation
Control Module References
Power Seat
BATT 2, ELC CMPRSR, LGATE, PWR DR LCK, PWR MIR, PWR SEAT, and RR AUX PWR OUTLET Fuses
Data Communication Schematics
Dimming Controls and Door, Roof, and Steering Wheel Lamps
BATT 2, ELC CMPRSR, LGATE, PWR DR LCK, PWR MIR, PWR SEAT, and RR AUX PWR OUTLET Fuses
G303-1 of 2
G303-1 of 2