GM Service Manual Online
For 1990-2009 cars only

Refer to

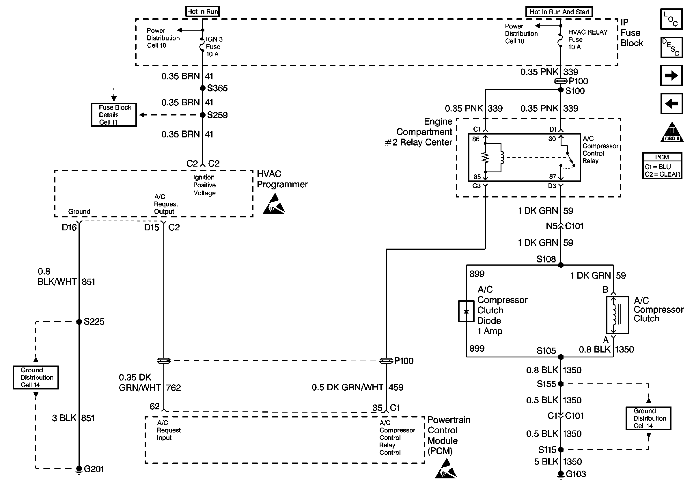
PCM A/C Compressor Clutch VIN 1 and K


Object Number: 52107  Size: FS
Engine Controls Components
Powertrain Control Module Controlled Air Conditioning
PCM Cooling Fans VIN 1 and K
PCM EBTCM, Oil Level Switch, and Generator VIN 1 and K
OBD II Symbol Description Notice
Handling ESD Sensitive Parts Notice
Handling ESD Sensitive Parts Notice
Engine Controls Schematic References
Engine Controls Schematic References
Engine Controls Schematic References
Engine Controls Schematic References
.

Circuit Description

Output Driver Modules (ODMs) are used by the PCM to turn on many of the current-driven devices that are needed to control various engine and Transaxle functions. Each ODM is capable of controlling up to 7 separate outputs by applying ground to the device which the PCM is commanding ON. Unlike the Quad Driver Modules (QDMs) used in prior model years, ODMs have the capability of diagnosing each output circuit individually. DTC P1654 set indicates an improper voltage level has been detected on the A/C compressor relay control circuit.

Conditions for Setting the DTC

    • The ignition is ON.
    • An improper voltage level has been detected on the A/C compressor control relay control circuit.
    • The above conditions are present for at least 30 seconds.

Action Taken When the DTC Sets

    • The PCM will not illuminate the malfunction indicator lamp (MIL).
    • The PCM will store conditions which were present when the DTC set as Failure Records data only. This information will not be stored as Freeze Frame data.

Conditions for Clearing the MIL/DTC

    • A History DTC will clear after 40 consecutive warm-up cycles have occurred without a malfunction.
    • The DTC can be cleared by using the scan tool Clear Info function.

Diagnostic Aids

Check for the following conditions:

    • Poor connection at the PCM or the A/C compressor control relay.
        Inspect harness connectors for backed out terminals, improper mating, broken locks, improperly formed or damaged terminals, and poor terminal to wire connection.
    • Damaged harness.
        Inspect the wiring harness for damage.
    • If the harness appears to be OK, disconnect the PCM, turn the ignition ON and observe a digital multimeter connected between the A/C compressor control relay control circuit and ground at the PCM harness connector while moving connectors and wiring harnesses related to the A/C compressor control relay. A change in voltage will indicate the location of the malfunction.

Reviewing the Fail Records vehicle mileage since the diagnostic test last failed may help determine how often the condition that caused the DTC to be set occurs. This may assist in diagnosing the condition.

Test Description

Number(s) below refer to the step number(s) on the Diagnostic Table.

  1. Normally, ignition feed voltage should be present on the control circuit with the PCM disconnected and the ignition turned ON.

  2. Checks for a shorted component or a short to B+ on the control circuit. Either condition would result in a measured current of over 500 milliamps. Also checks for a component that is going open while being operated, resulting in a measured current of 0 milliamps.

  3. Checks for a short to voltage on the control circuit.

  4. This vehicle is equipped with a PCM which utilizes an Electrically Erasable Programmable Read Only Memory (EEPROM). When the PCM is being replaced, the new PCM must be programmed.

DTC P1654 -- A/C Relay Control Circuit

Step

Action

Value(s)

Yes

No

1

Was the Powertrain On-Board Diagnostic (OBD) System Check performed?

--

Go to Step 2

Go to the Powertrain On Board Diagnostic (OBD) System Check

2

  1. Turn OFF the ignition switch.
  2. Disconnect the PCM.
  3. Turn ON the ignition switch.
  4. Using a J 39200 Digital Multimeter, measure voltage between the A/C compressor control relay control circuit at the PCM harness connector and ground.

Is voltage near the specified value?

B+

Go to Step 3

Go to Step 6

3

  1. Disconnect the A/C compressor clutch electrical connector.
  2. Connect the digital multimeter to measure current between the A/C compressor control relay control circuit at the PCM harness connector and ground.
  3. Monitor the current reading on the digital multimeter for at least 2 minutes.

Does the current reading remain between the specified values?

0.05-0.5 Amp

(50-500 mA)

Go to Step 11

Go to Step 4

4

  1. Turn OFF the ignition switch.
  2. Reconnect the A/C compressor clutch electrical connector.
  3. Disconnect the A/C compressor control relay (leave the PCM disconnected).
  4. Turn ON the ignition switch.
  5. Using the digital multimeter, measure voltage between the A/C compressor control relay control circuit and ground.

Is voltage at the specified value?

0 V

Go to Step 10

Go to Step 5

5

Locate and repair short to voltage in the A/C compressor control relay control circuit. Refer to Repair Procedures in Electrical Diagnosis.

Is action complete?

--

Go to Step 16

--

6

  1. Turn OFF the ignition switch.
  2. Check the ignition feed fuse for the A/C compressor control relay.

Is the fuse blown?

--

Go to Step 7

Go to Step 8

7

  1. Locate and repair short to ground in ignition feed circuit for the A/C compressor control relay. Refer to Fuse Block Details in Electrical Diagnosis.
  2. Replace the fuse.

Is action complete?

--

Go to Step 16

--

8

  1. Disconnect the A/C compressor control relay.
  2. Turn ON the ignition switch.
  3. Measure voltage between the ignition feed circuit for the A/C compressor control relay and ground.

Is voltage near the specified value?

B+

Go to Step 9

Go to Step 13

9

  1. Check the A/C compressor control relay control circuit for an open or a short to ground.
  2. If a problem is found, repair the A/C compressor control relay control circuit. Refer to Repair Procedures in Electrical Diagnosis.

Was a problem found?

--

Go to Step 16

Go to Step 10

10

  1. Check for the following conditions:
  2. • The A/C compressor control relay control circuit for a poor connection at the PCM.
    • The A/C compressor control relay control circuit for a poor connection at the A/C compressor control relay.
    • The A/C compressor control relay ignition feed circuit for a poor connection at the A/C compressor control relay.
  3. If a problem is found, replace loose terminal(s) as necessary. Refer to Repair Procedures in Electrical Diagnosis.

Was a problem found?

--

Go to Step 16

Go to Step 14

11

  1. Turn OFF the ignition switch.
  2. Reconnect the A/C compressor clutch electrical connector.
  3. Reconnect the PCM.
  4. Disconnect the A/C compressor control relay.
  5. Turn ON the ignition switch.
  6. Connect a test light between the A/C compressor control relay control circuit and the ignition feed circuit at the A/C compressor control relay harness connector.
  7. Using the scan tool outputs test function, cycle the A/C compressor control relay output ON and OFF.

Does the test light flash ON and OFF?

--

Refer to Diagnostic Aids

Go to Step 12

12

  1. Check the A/C compressor control relay control circuit for a poor connection at the PCM.
  2. If a problem is found, replace loose terminal. Refer to Repair Procedures in Electrical Diagnosis.

Was a problem found?

--

Go to Step 16

Go to Step 15

13

Locate and repair open in ignition feed circuit to the A/C compressor control relay. Refer to Repair Procedures in Electrical Diagnosis.

Is action complete?

--

Go to Step 16

--

14

Replace the A/C compressor control relay.

Is action complete?

--

Go to Step 16

--

15

Replace the PCM.

Important:: The replacement PCM must be programmed. Refer to Powertrain Control Module Replacement/Programming .

Is action complete?

--

Go to Step 16

--

16

  1. Review and record scan tool Fail Records data.
  2. Clear DTCs.
  3. Operate the vehicle within Fail Records conditions.
  4. Using a scan tool, monitor Specific DTC info for DTC P1654 until the DTC P1654 test runs.

Does the scan tool indicate DTC P1654 failed this ignition?

--

Go to Step 2

System OK