GM Service Manual Online
For 1990-2009 cars only
Makes
🢒
Buick
🢒
1997
🢒
Riviera
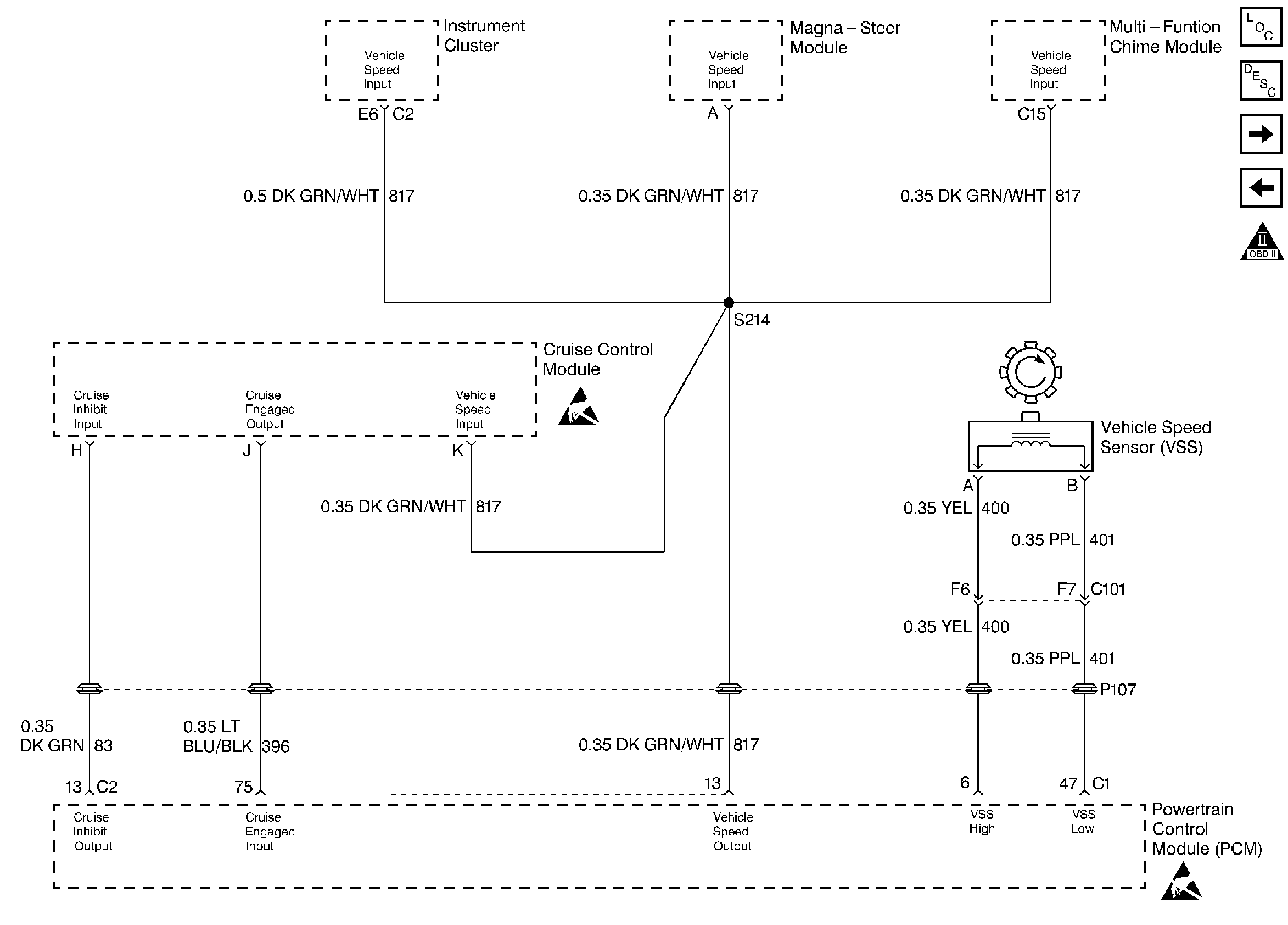
🢒 Cruise Control, VSS Sensor
Cruise Control, VSS Sensor
Cruise Control, VSS Sensor
Engine Controls Components
Information Sensors
Generator, Traction Control
PCM Sensors
OBD II Symbol Description Notice
Handling ESD Sensitive Parts Notice
Handling ESD Sensitive Parts Notice