GM Service Manual Online
For 1990-2009 cars only
Makes
🢒
Buick
🢒
1997
🢒
Riviera
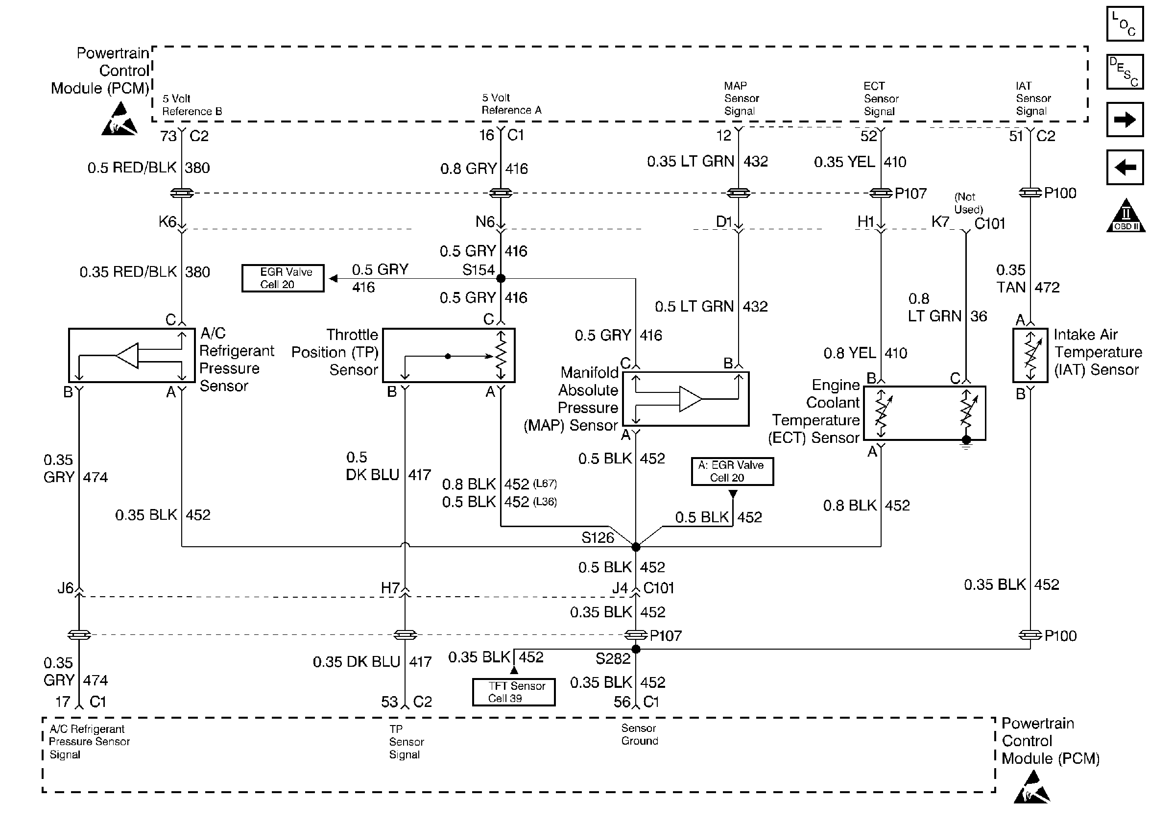
🢒 PCM Sensors
PCM Sensors
PCM Sensors
Engine Controls Components
Information Sensors
EVAP System, EGR Valve
Cruise Control, VSS Sensor
OBD II Symbol Description Notice
Handling ESD Sensitive Parts Notice
Handling ESD Sensitive Parts Notice