GM Service Manual Online
For 1990-2009 cars only
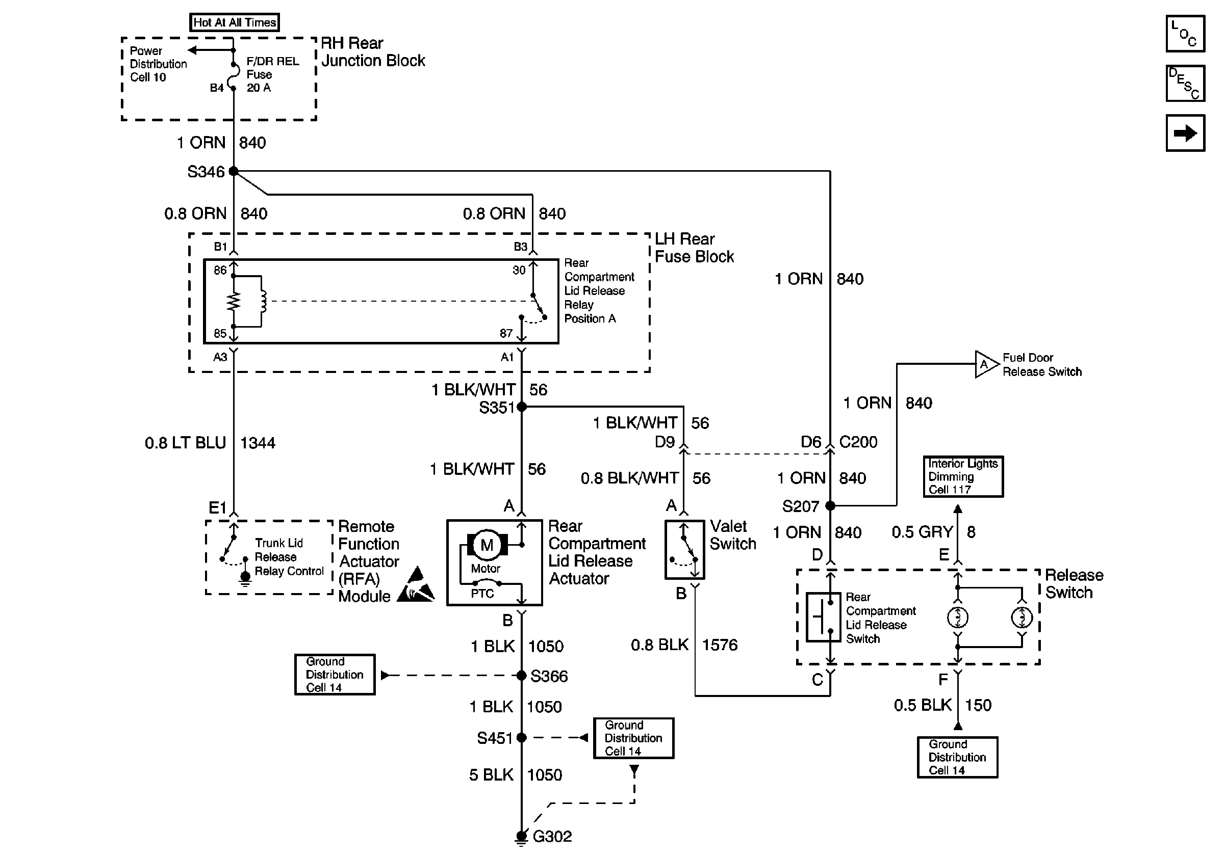
Figure 1:

Cell 134: Rear Compartment Lid Release -- Oldsmobile


Object Number: 478258  Size: FS
Body Rear End Components
Release System Description
Cell 134: Rear Compartment Lid Release - Buick
Cell 10: F/DR REL and TRUNK REL Fuses
Handling ESD Sensitive Parts Notice
Cell 134: Fuel Door Release
Cell 117: Instrument Panel and Console Lamps
Cell 14: G202 (3 of 3) (Oldsmobile)
Cell 14: G306 and G302 (2 of 2)
Figure 2:

Cell 134: Rear Compartment Lid Release -- Buick


Object Number: 478261  Size: FS
Body Rear End Components
Release System Description
Cell 134: Rear Compartment Lid Release - Oldsmobile
Cell 134: Fuel Door Release
Cell 10: F/DR REL and TRUNK REL Fuses
Cell 14: G306 and G302 (2 of 2)
Handling ESD Sensitive Parts Notice
Cell 14: G302 (1 of 2)
Engine Controls Connector End Views
Figure 3:

Cell 134: Fuel Door Release


Object Number: 478263  Size: FS
Body Rear End Components
Release System Description
Cell 134: Rear Compartment Lid Release - Buick
Cell 10: F/DR REL and TRUNK REL Fuses
Cell 14: G302 (1 of 2)
Cell 14: G306 and G302 (2 of 2)
Cell 134: Rear Compartment Lid Release - Oldsmobile