GM Service Manual Online
For 1990-2009 cars only
Makes
🢒
Buick
🢒
1998
🢒
Riviera
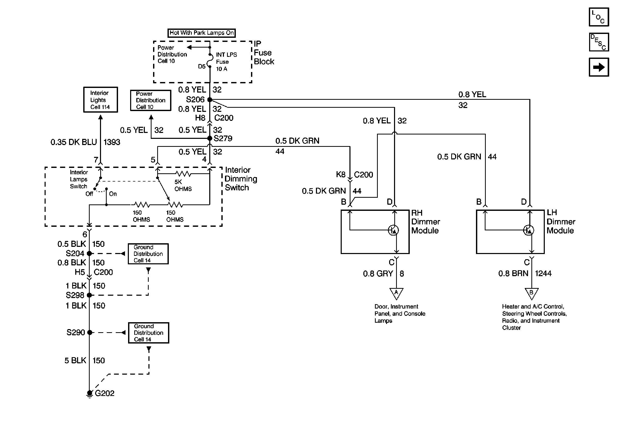
🢒 Cell 117: Dimming Control
Cell 117: Dimming Control
Cell 117: Dimming Control
Lighting Systems Components
Cell 117: Heater and A/C Control, Steering Wheel Controls, Radio, And InstRument Cluster
Power Distribution Schematics
Power Distribution Schematics
Cell 114: PWR, GND, and Inputs
Ground Distribution Schematics
Ground Distribution Schematics
Cell 117: Door Lamps
Cell 117: Heater and A/C Control, Steering Wheel Controls, Radio, And InstRument Cluster
Interior Lights Dimming Circuit Description