GM Service Manual Online
For 1990-2009 cars only
Makes
🢒
Buick
🢒
1999
🢒
Riviera
🢒
Engine
🢒
Engine Cooling
🢒 Cooling Fan Schematics
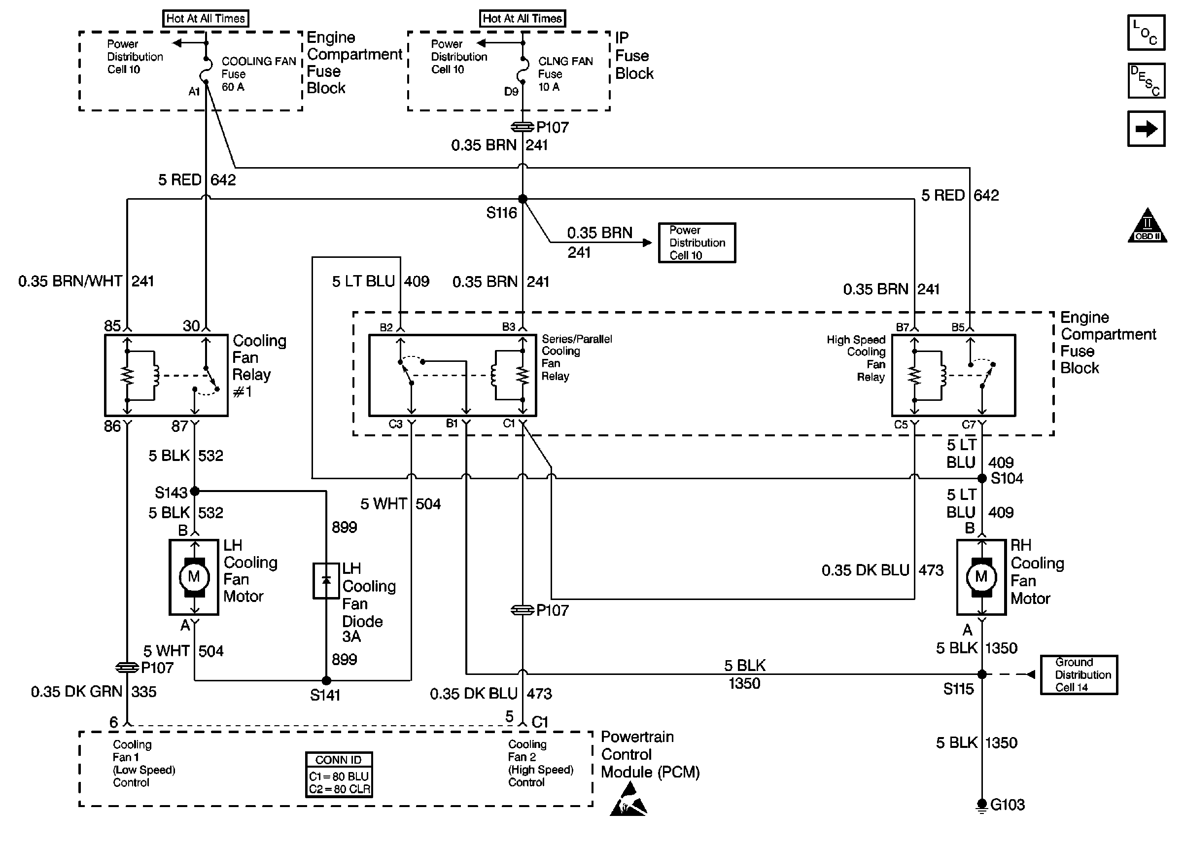
Figure
1:
Cell 31: Buick
Cooling System Components
Cooling System Description
OBD II Symbol Description Notice
Handling ESD Sensitive Parts Notice
Ground Distribution Schematics
Ground Distribution Schematics
Power Distribution Schematics
Ground Distribution Schematics
Powertrain Control Module Connector End Views
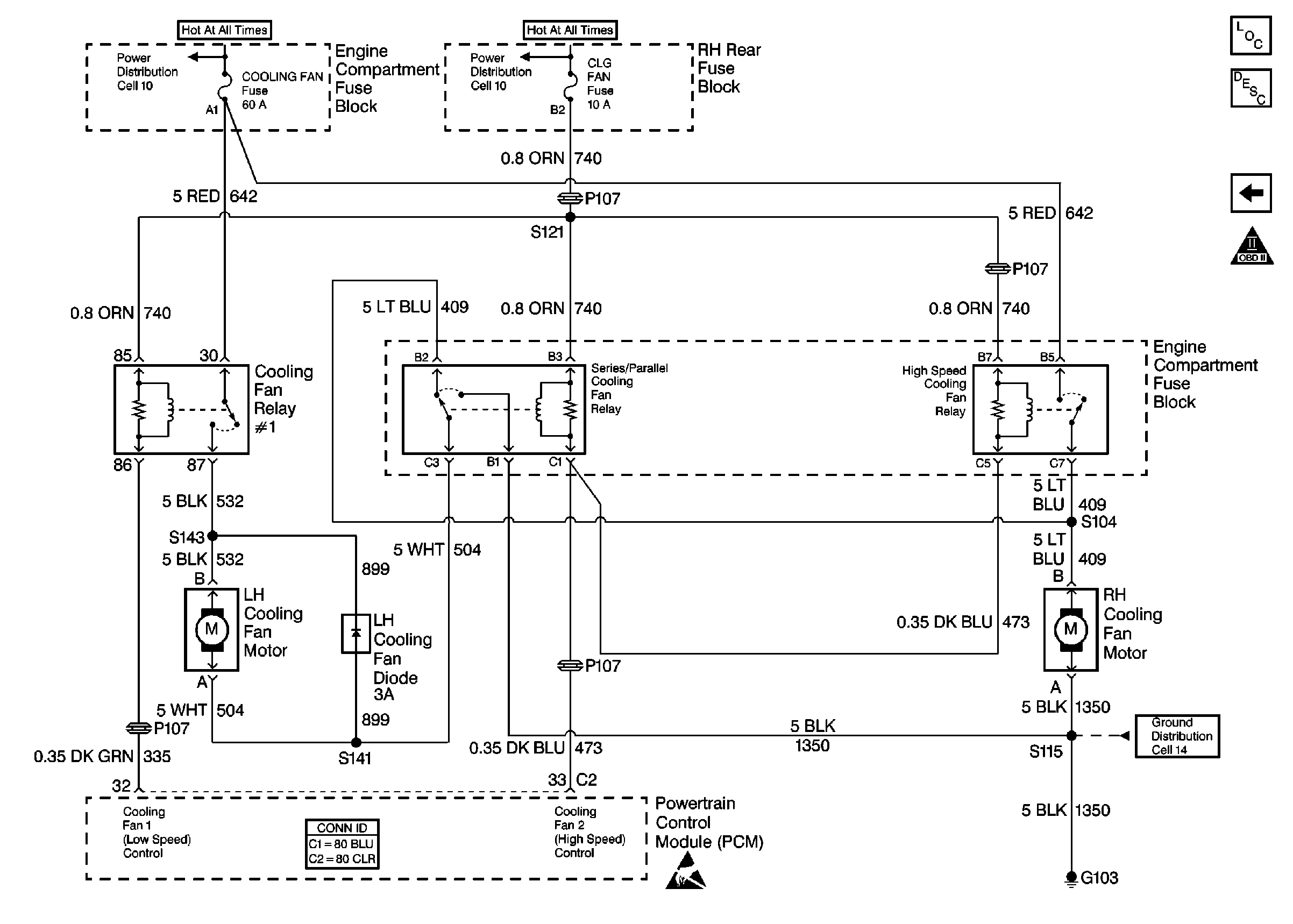
Figure
2:
Cell 31: Oldsmobile
Cooling System Components
Cooling System Description
OBD II Symbol Description Notice
Handling ESD Sensitive Parts Notice
Ground Distribution Schematics
Ground Distribution Schematics
Power Distribution Schematics
Powertrain Control Module Connector End Views