GM Service Manual Online
For 1990-2009 cars only
Figure 1:

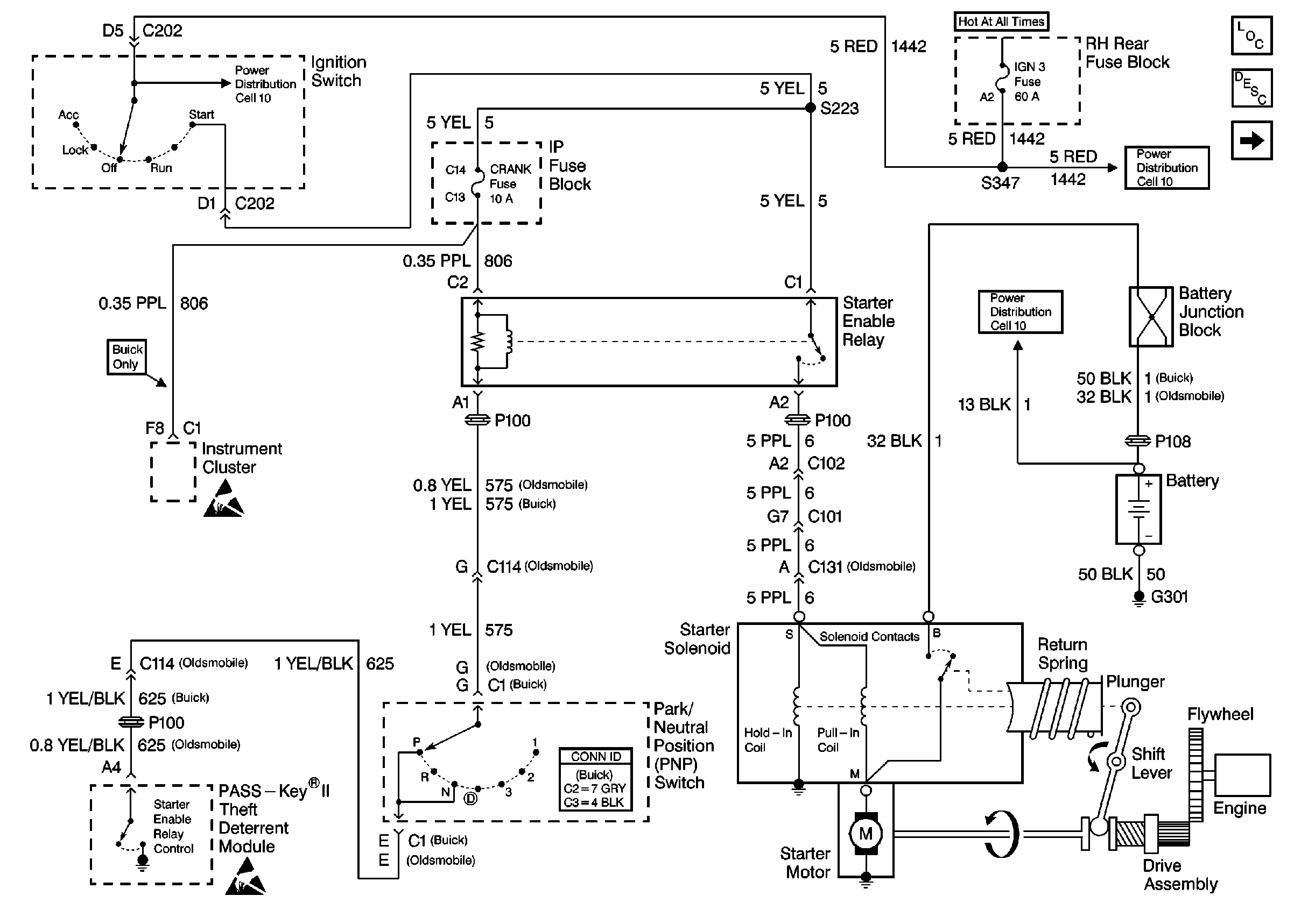
Cell 30: Starter Controls


Object Number: 378566  Size: FS
Engine Electrical Components
Starting System Circuit Description
Cell 30: Generator Controls
Handling ESD Sensitive Parts Notice
Handling ESD Sensitive Parts Notice
Power Distribution Schematics
Power Distribution Schematics
Power Distribution Schematics
Figure 2:

Cell 30: Generator Controls


Object Number: 378568  Size: FS
Engine Electrical Components
Charging System Circuit Description
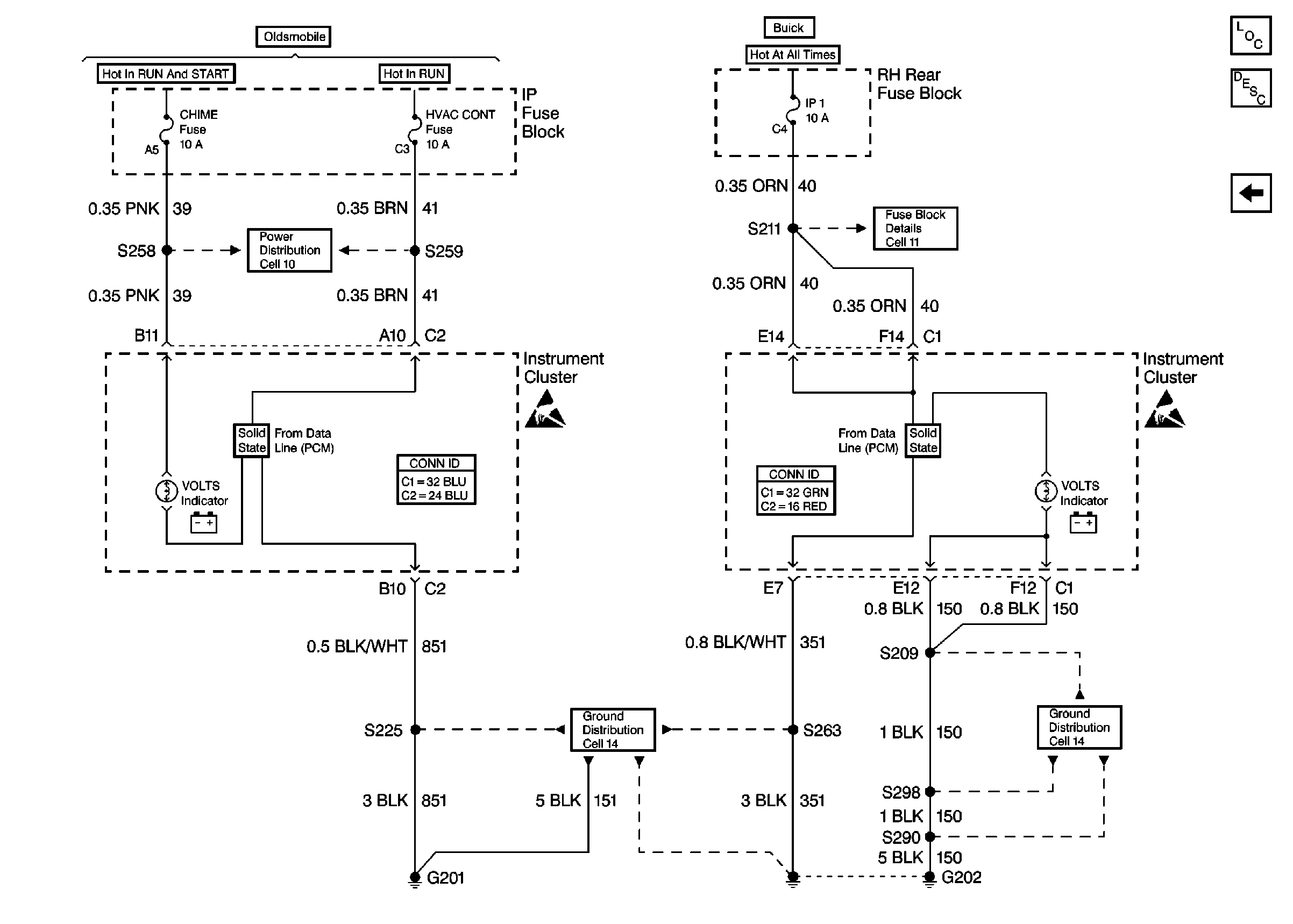
Cell 30: Charge Indicator Controls
Cell 30: Starter Controls
Handling ESD Sensitive Parts Notice
Powertrain Control Module Connector End Views
Figure 3:

Cell 30: Charge Indicator Controls


Object Number: 378569  Size: FS
Engine Electrical Components
Charging System Circuit Description
Cell 30: Starter Controls
Handling ESD Sensitive Parts Notice
Handling ESD Sensitive Parts Notice
Power Distribution Schematics
Power Distribution Schematics
Ground Distribution Schematics
Ground Distribution Schematics