GM Service Manual Online
For 1990-2009 cars only
Figure 1:

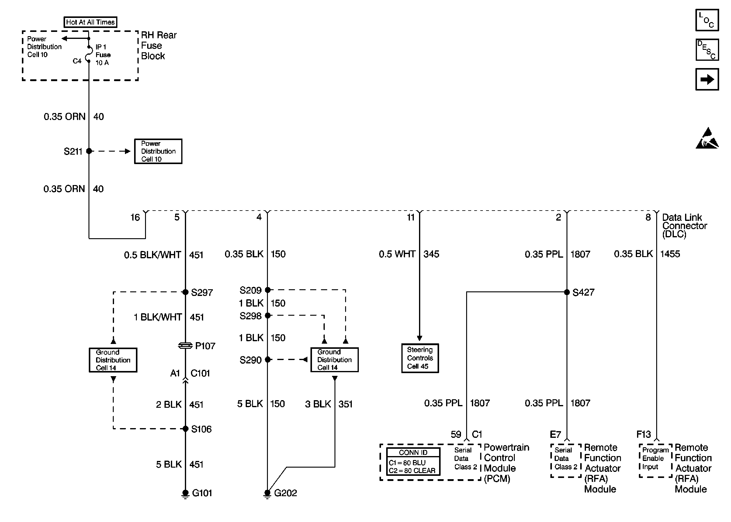
Cell 50: Power, Ground and Serial Data Class 2


Object Number: 341824  Size: FS
Data Link Communications Components
Data Link Communications Description
Cell 50: Serial Data UART
Power Distribution Schematics
Power Distribution Schematics
Ground Distribution Schematics
Ground Distribution Schematics
Cell 45
Handling ESD Sensitive Parts Notice
Figure 2:

Cell 50: Serial Data UART


Object Number: 341816  Size: FS
Data Link Communications Components
Data Link Communications Description
Cell 50: Serial Data Line E & C
Cell 50: Power, Ground and Serial Data Class 2
Handling ESD Sensitive Parts Notice
SIR Handling Caution
Figure 3:

Cell 50: Serial Data Line E & C


Object Number: 341822  Size: FS
Data Link Communications Components
Data Link Communications Description
Cell 50: Serial Data UART
Handling ESD Sensitive Parts Notice