GM Service Manual Online
For 1990-2009 cars only
Makes
🢒
Buick
🢒
1999
🢒
Riviera
🢒
Body and Accessories
🢒
Wiring Systems
🢒 Cigar Lighter/Power Outlet Schematics
Cigar Lighter/Power Outlet Schematics Oldsmobile
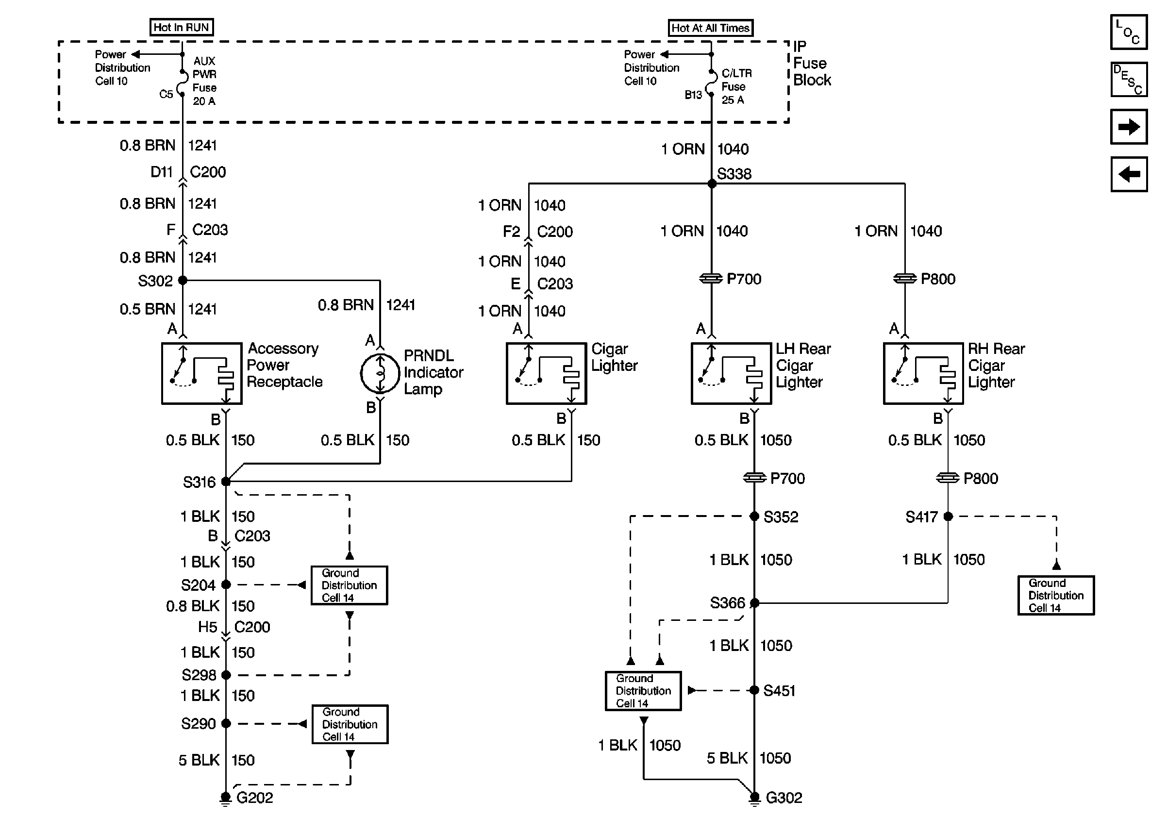
Cell 19: Cigar Lighters (Oldsmobile)
Power and Grounding Components
Cigar Lighter/Auxiliary Outlet Circuit Description
Power Distribution Schematics
Power Distribution Schematics
Ground Distribution Schematics
Ground Distribution Schematics
Ground Distribution Schematics
Ground Distribution Schematics
Cigar Lighter/Power Outlet Schematics Buick
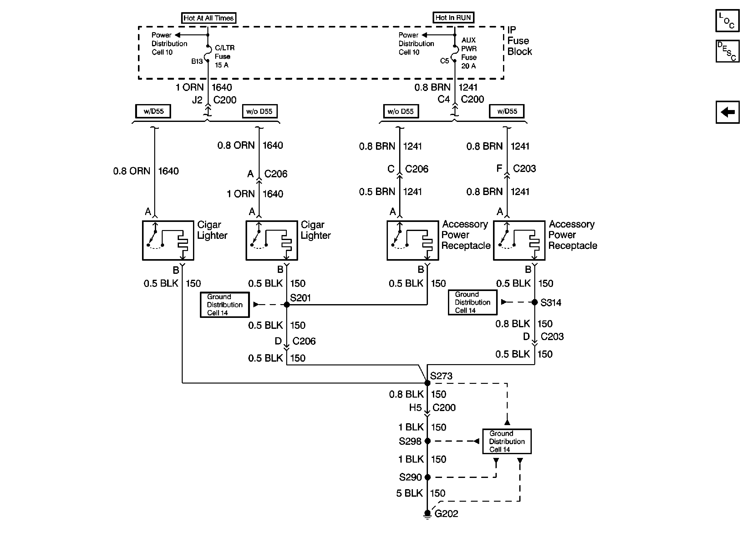
Cell 19: Cigar Lighters (Buick)
Power and Grounding Components
Cigar Lighter/Auxiliary Outlet Circuit Description
Power Distribution Schematics
Power Distribution Schematics
Ground Distribution Schematics
Ground Distribution Schematics
Ground Distribution Schematics