GM Service Manual Online
For 1990-2009 cars only
Makes
🢒
Buick
🢒
1999
🢒
Riviera
🢒
Body and Accessories
🢒
Instrument Panel, Gauges, and Console
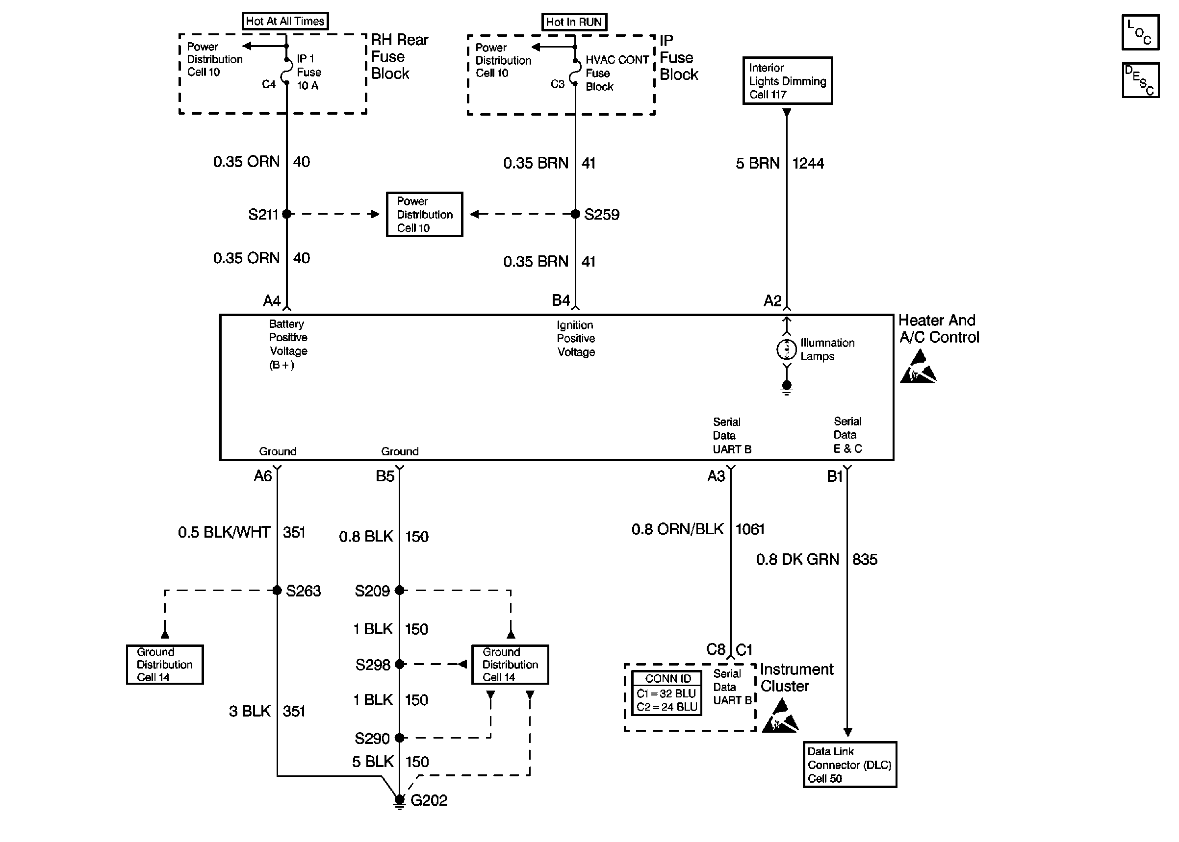
🢒 Driver Information System Schematics
Cell 86
Instrument Panel, Gages, and Console Component Views
Driver Information Center (DIC) or Message Center Circuit Description
Handling ESD Sensitive Parts Notice
Instrument Panel, Gages, and Console Connector End Views
Data Link Connector Schematics
Ground Distribution Schematics
Ground Distribution Schematics
Handling ESD Sensitive Parts Notice
Power Distribution Schematics
Power Distribution Schematics
Power Distribution Schematics
Interior Lights Dimming Schematics Buick