GM Service Manual Online
For 1990-2009 cars only
Figure 1:

Cell 147: LH Seat/ Lock Switch


Object Number: 342331  Size: FS
Power Door Systems Component Views
Outside Mirrors Circuit Description
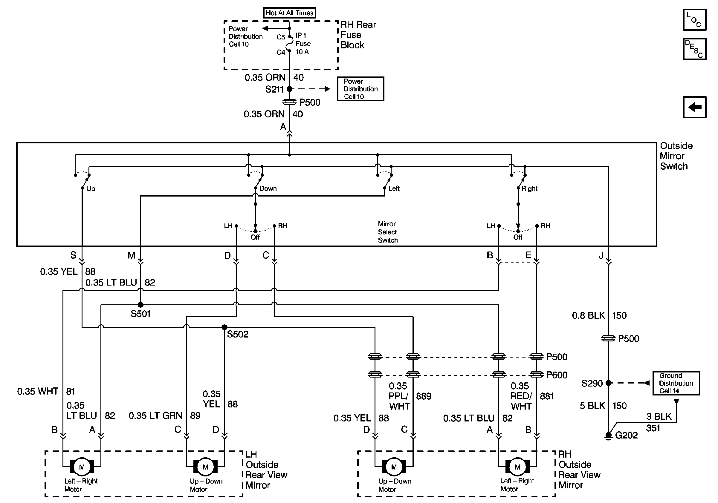
Cell 147: RH Outside Power Mirror
Cell 10: PWR ST Circuit Breaker
Cell 10: PWR ST Circuit Breaker
Cell 10: C/LTR Fuse and TMNSS Fuse
Cell 10: CHIME(IGN 1) Fuse (Oldsmobile)
Cell 112
Cell 148
Cell 14: G202 (Oldsmobile 1 of 3)
Power Door Systems Connector End Views
Cell 10: IP 1 Fuse (1 of 2) (Oldsmobile)
Cell 147: RH Outside Power Mirror
Cell 10: IP 1 Fuse (2 of 2) (Oldsmobile)
Cell 10: CHIME(IGN 1) Fuse (Oldsmobile)
Figure 2:

Cell 147: RH Outside Power Mirror


Object Number: 342332  Size: FS
Handling ESD Sensitive Parts Notice
Cell 147: RH Outside Power Mirror (2 of 2)
Cell 147: RH Outside Power Mirror (2 of 2)
Cell 147: RH Outside Power Mirror (2 of 2)
Cell 147: RH Outside Power Mirror (2 of 2)
Power Door Systems Components
Outside Mirrors Circuit Description
Cell 147: RH Outside Power Mirror (2 of 2)
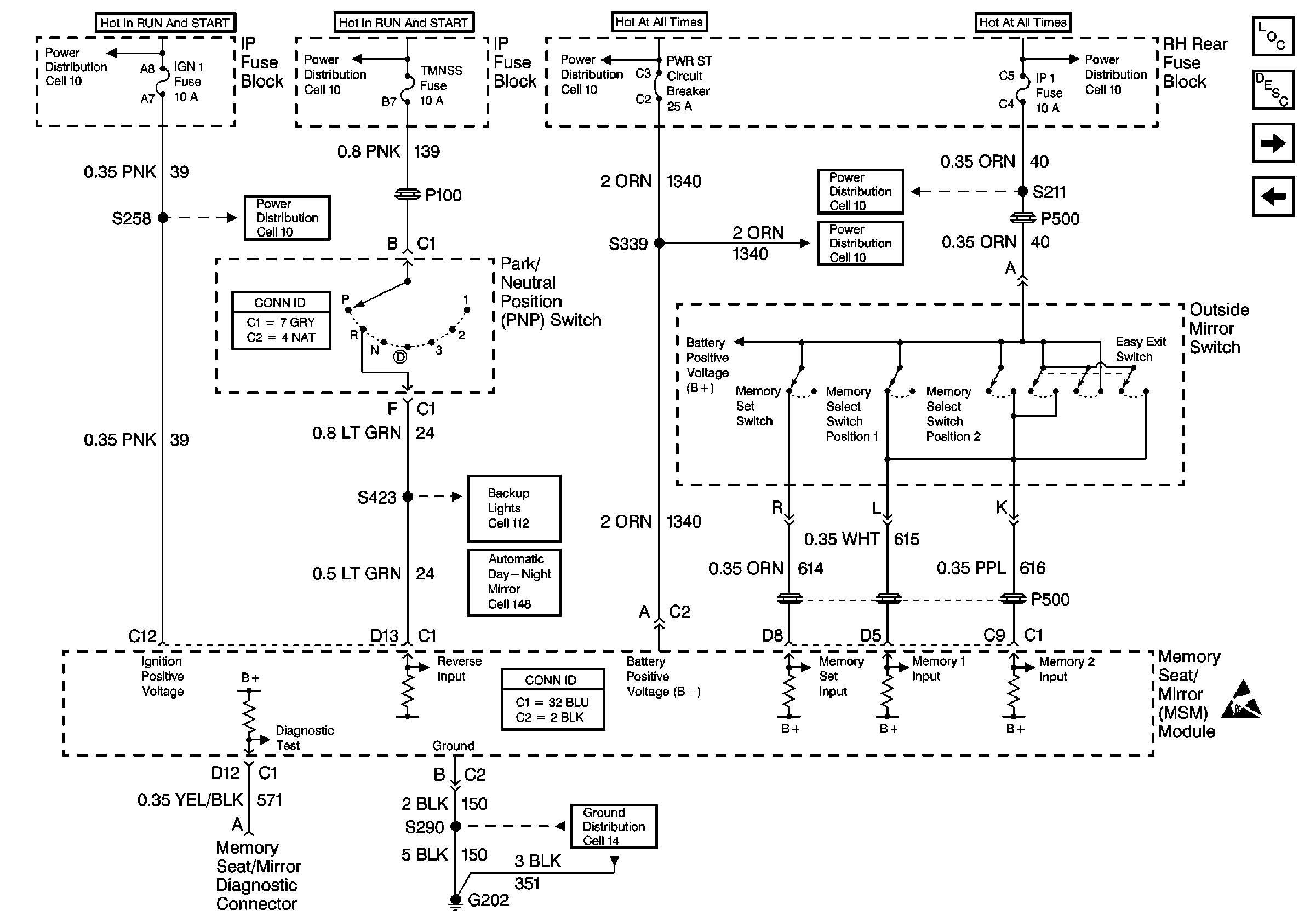
Cell 147: LH Seat/ Lock Switch
Cell 14: G202 (Buick 1 of 3)
Cell 14: G202 (Oldsmobile 3 of 3)
Cell 147: LH Seat/ Lock Switch
Figure 3:

Cell 147: RH Outside Power Mirror (2 of 2)


Object Number: 357588  Size: FS
Cell 147: RH Outside Power Mirror
Cell 147: RH Outside Power Mirror
Cell 147: RH Outside Power Mirror
Cell 147: RH Outside Power Mirror
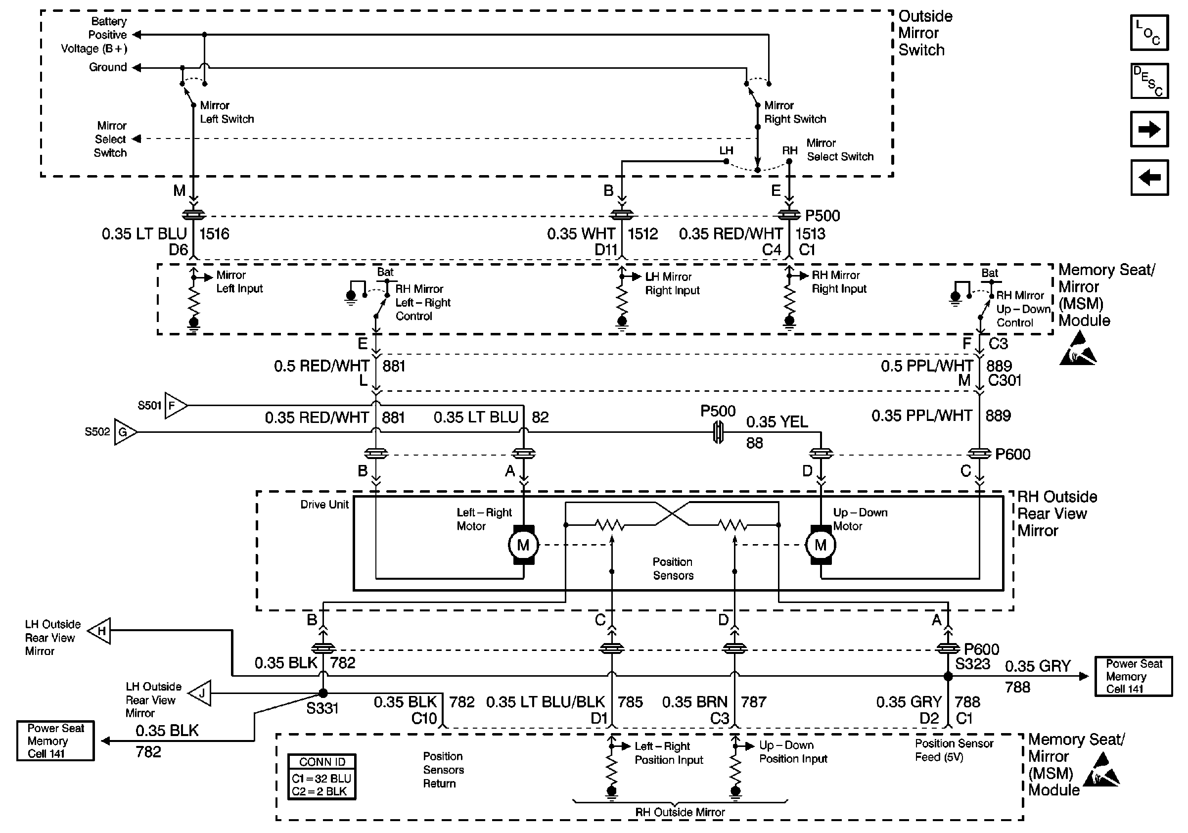
Cell 141: Seat Motors and Position Sensors
Power Seat Connector End Views
Handling ESD Sensitive Parts Notice
Cell 141: Seat Motors and Position Sensors
Power Door Systems Components
Outside Mirrors Circuit Description
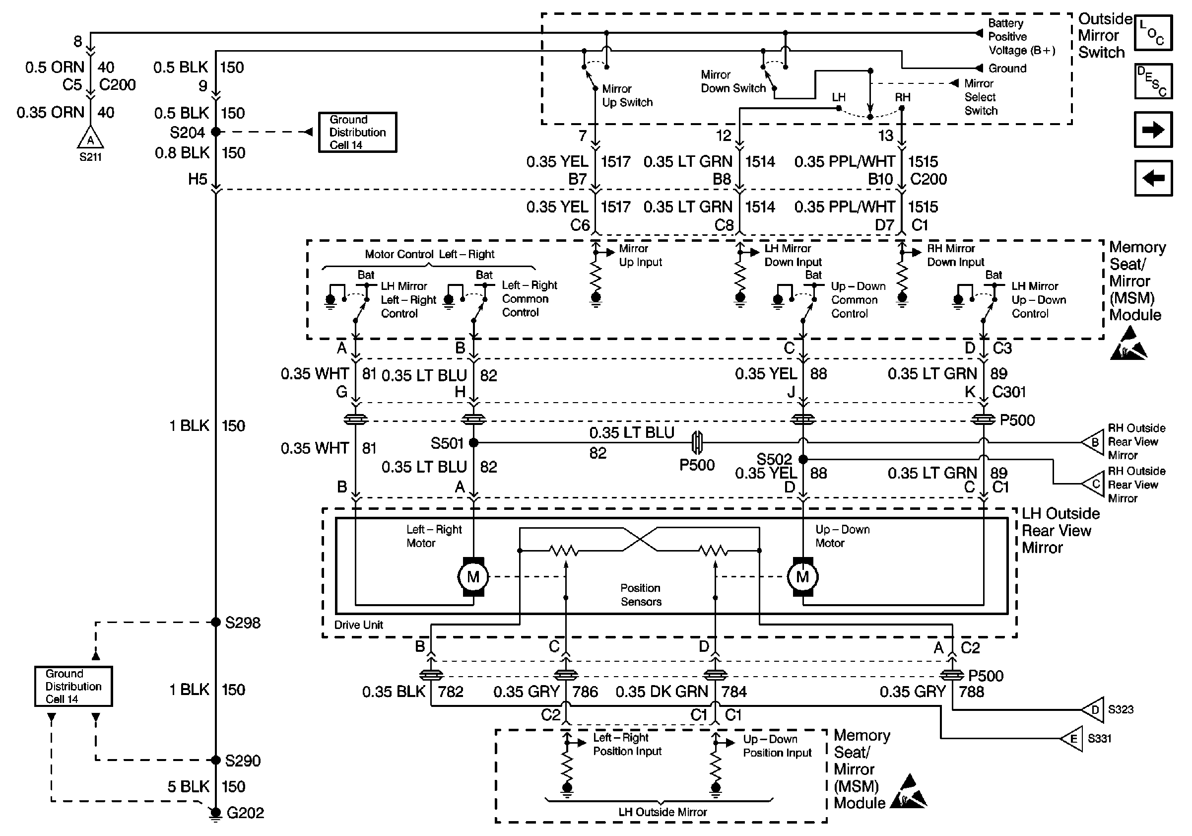
Cell 147: Buick with Memory Mirrors
Cell 147: RH Outside Power Mirror
Figure 4:

Cell 147: Buick with Memory Mirrors


Object Number: 342334  Size: FS
Power Door Systems Component Views
Outside Mirrors Circuit Description
Cell 10: IP 1 Fuse (Buick)
Cell 10: IP 1 Fuse (Buick)
Cell 10: PWR ST Circuit Breaker
Cell 10: C/LTR Fuse and TMNSS Fuse
Cell 10: CHIME(IGN 1) Fuse (Buick)
Cell 112
Cell 148
Cell 14: G202 (Buick 1 of 3)
Handling ESD Sensitive Parts Notice
Cell 10: CHIME(IGN 1) Fuse (Buick)
Cell 147: Power Mirror Switch
Cell 147: RH Outside Power Mirror (2 of 2)
Cell 10: PWR ST Circuit Breaker
Figure 5:

Cell 147: Power Mirror Switch


Object Number: 342335  Size: FS
Cell 14: G202 (Buick 1 of 3)
Cell 14: G202 (Buick 1 of 3)
Power Door Systems Components
Outside Mirrors Circuit Description
Cell 147: Power Mirror Switch (2 of 2)
Cell 147: Buick with Memory Mirrors
Cell 147: Power Mirror Switch (2 of 2)
Cell 147: Power Mirror Switch (2 of 2)
Cell 147: Power Mirror Switch (2 of 2)
Cell 147: Power Mirror Switch (2 of 2)
Handling ESD Sensitive Parts Notice
Handling ESD Sensitive Parts Notice
Figure 6:

Cell 147: Power Mirror Switch (2 of 2)


Object Number: 357793  Size: FS
Power Door Systems Components
Outside Mirrors Circuit Description
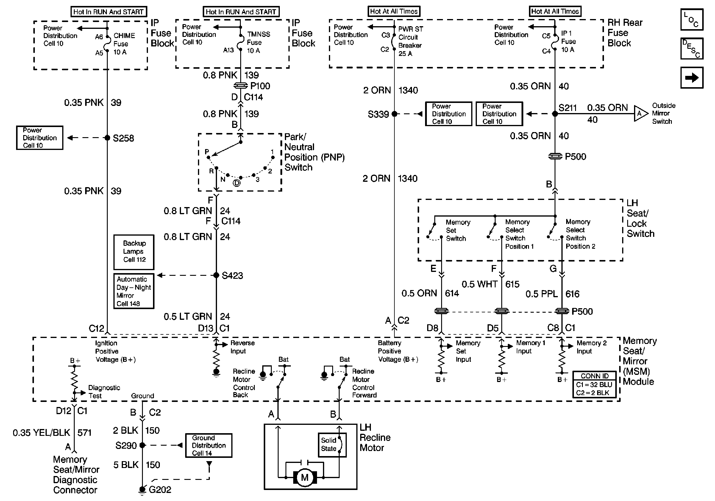
Cell 147: Buick without Memory Mirrors
Cell 147: Power Mirror Switch
Cell 141: Seat Motors and Position Sensors
Handling ESD Sensitive Parts Notice
Handling ESD Sensitive Parts Notice
Cell 147: Power Mirror Switch
Cell 147: Power Mirror Switch
Cell 147: Power Mirror Switch
Cell 147: Power Mirror Switch
Cell 141: Seat Motors and Position Sensors
Figure 7:

Cell 147: Buick without Memory Mirrors


Object Number: 342336  Size: FS
Power Door Systems Component Views
Outside Mirrors Circuit Description
Cell 10: IP 1 Fuse (Buick)
Cell 10: IP 1 Fuse (Buick)
Cell 14: G202 (Buick 1 of 3)
Cell 147: Power Mirror Switch (2 of 2)