GM Service Manual Online
For 1990-2009 cars only

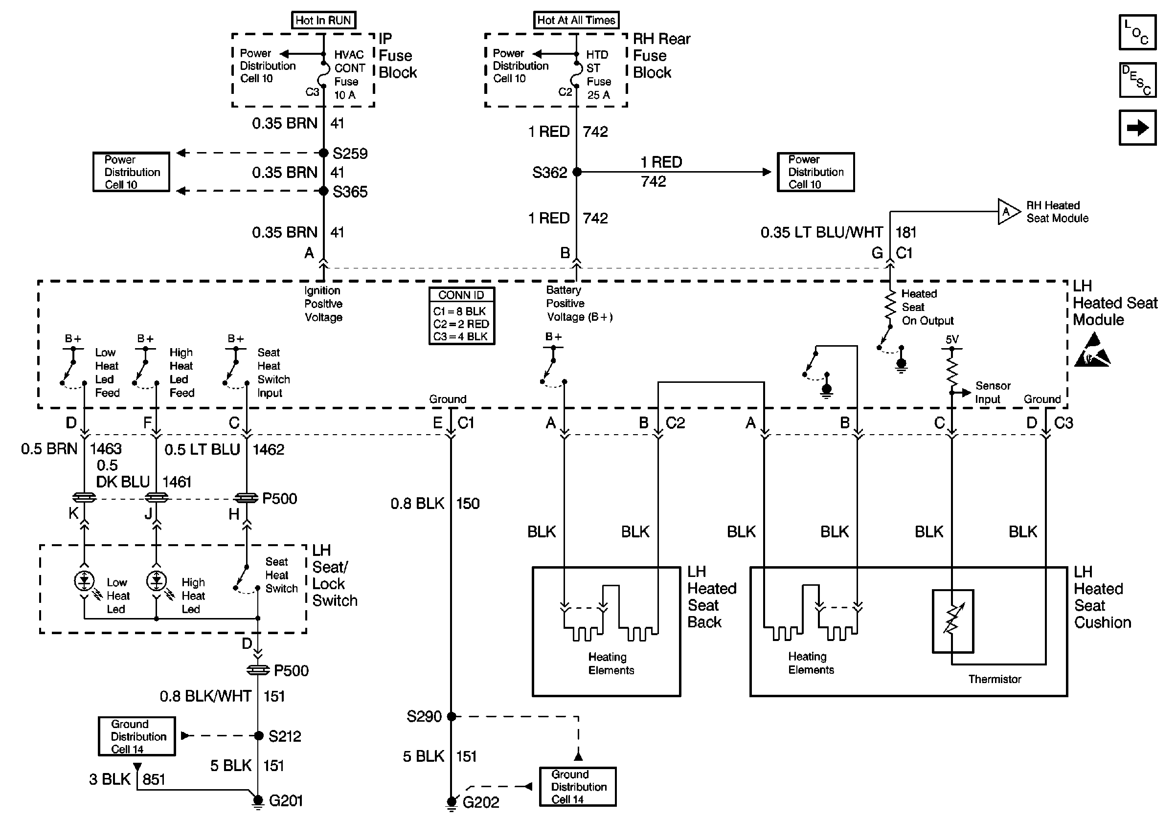
Heated Seats Schematics Oldsmobile

Figure 1:

Cell 143: LH Heated Seat


Object Number: 342354  Size: FS
Power Seat Component Views
Heated Seats Circuit Description
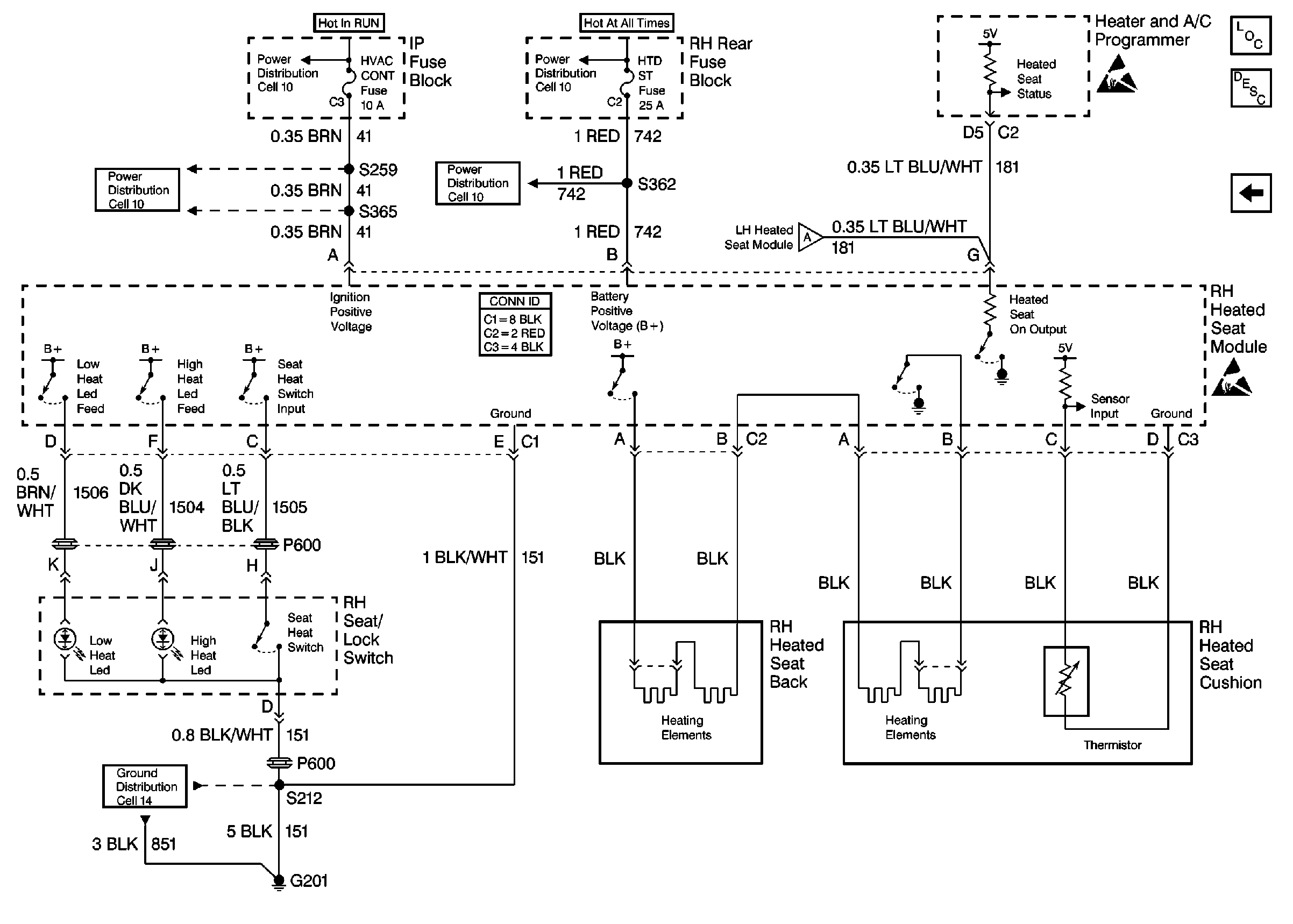
Cell 143: RH Heated Seat
Cell 143: RH Heated Seat
Power Distribution Schematics
Power Distribution Schematics
Power Distribution Schematics
Power Distribution Schematics
Power Seat Connector End Views
Ground Distribution Schematics
Ground Distribution Schematics
Handling ESD Sensitive Parts Notice
Figure 2:

Cell 143: RH Heated Seat


Object Number: 342355  Size: FS
Power Seat Component Views
Heated Seats Circuit Description
Cell 143: LH Heated Seat
Cell 143: LH Heated Seat
Power Distribution Schematics
Power Distribution Schematics
Power Distribution Schematics
Power Distribution Schematics
Ground Distribution Schematics
Power Seat Connector End Views
Handling ESD Sensitive Parts Notice
Handling ESD Sensitive Parts Notice

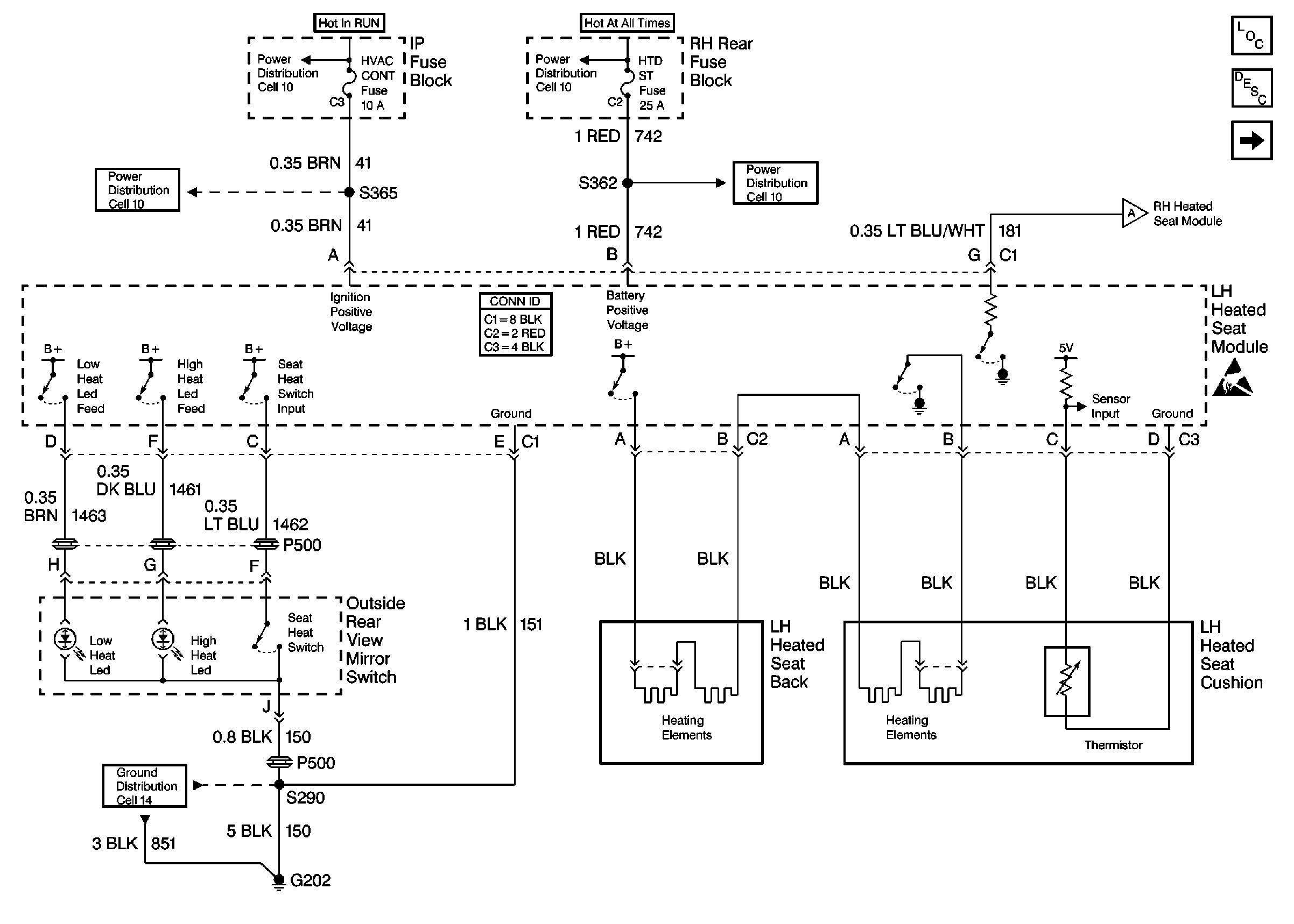
Heated Seats Schematics Buick

Figure 1:

Cell 143: LH Heated Seat


Object Number: 342357  Size: FS
Power Seat Component Views
Heated Seats Circuit Description
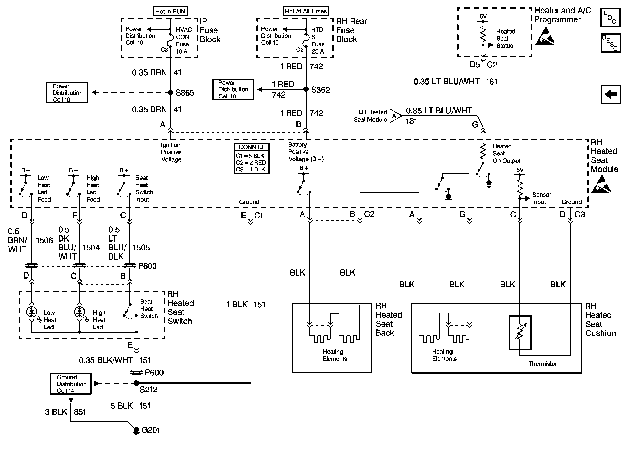
Cell 143: RH Heated Seat Switch
Cell 143: RH Heated Seat Switch
Power Distribution Schematics
Power Distribution Schematics
Power Distribution Schematics
Power Distribution Schematics
Power Seat Connector End Views
Ground Distribution Schematics
Handling ESD Sensitive Parts Notice
Figure 2:

Cell 143: RH Heated Seat Switch


Object Number: 342358  Size: FS
Power Seat Component Views
Heated Seats Circuit Description
Cell 143: LH Heated Seat
Cell 143: LH Heated Seat
Power Distribution Schematics
Power Distribution Schematics
Power Distribution Schematics
Power Distribution Schematics
Ground Distribution Schematics
Power Seat Connector End Views
Handling ESD Sensitive Parts Notice
Handling ESD Sensitive Parts Notice