GM Service Manual Online
For 1990-2009 cars only
Figure 1:

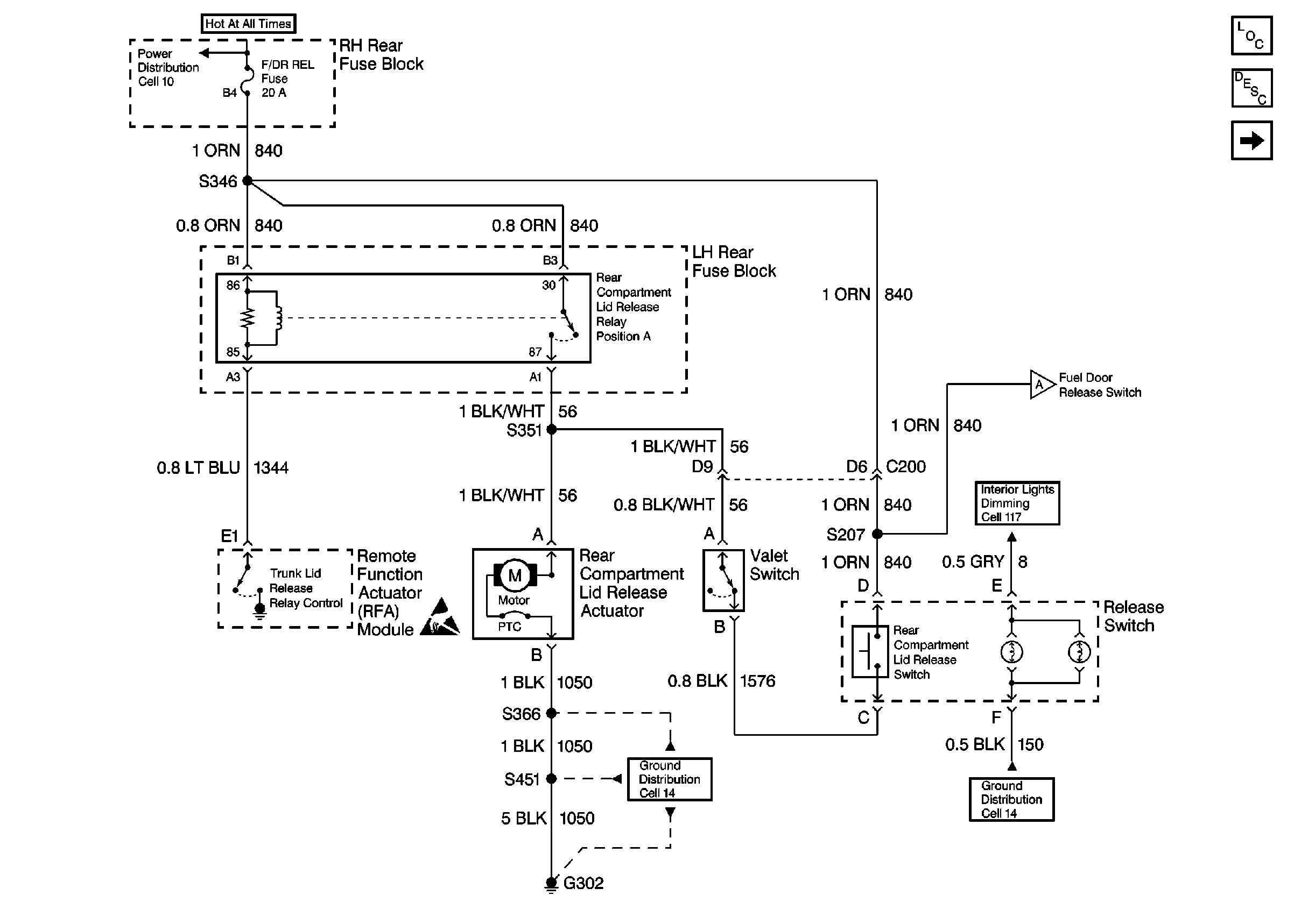
Cell 134: Rear Compartment Lid Release -- Oldsmobile


Object Number: 341803  Size: FS
Body Rear End Components
Release System Description
Cell 134: Rear Compartment Lid Release - Buick
Power Distribution Schematics
Ground Distribution Schematics
Ground Distribution Schematics
Interior Lights Schematics Oldsmobile
Handling ESD Sensitive Parts Notice
Figure 2:

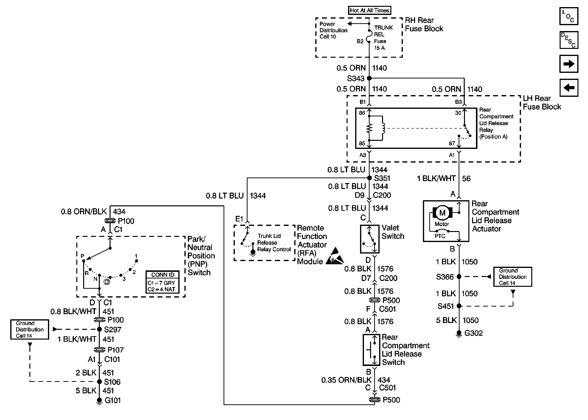
Cell 134: Rear Compartment Lid Release -- Buick


Object Number: 341805  Size: FS
Body Rear End Components
Release System Description
Cell 134: Fuel Door Release
Cell 134: Rear Compartment Lid Release - Oldsmobile
Power Distribution Schematics
Ground Distribution Schematics
Ground Distribution Schematics
Handling ESD Sensitive Parts Notice
Figure 3:

Cell 134: Fuel Door Release


Object Number: 341807  Size: FS
Body Rear End Components
Release System Description
Cell 134: Rear Compartment Lid Release - Buick
Power Distribution Schematics
Ground Distribution Schematics
Ground Distribution Schematics