GM Service Manual Online
For 1990-2009 cars only

Object Number: 210781  Size: SF
Engine Controls Components
Engine Controls Schematics
OBD II Symbol Description Notice
Handling ESD Sensitive Parts Notice

Circuit Description

The PCM monitors system voltage on the PCM ignition feed circuit. If the system voltage is out of tolerance, DTC P0560 will be set. When the conditions that set DTC P0560 are present, operation of some vehicle systems and components may be affected.

Conditions for Running the DTC

The engine is running.

Conditions for Setting the DTC

    • System voltage monitored at the PCM ignition feed circuit is less than 9 volts or greater than 16 volts.
    • Above conditions for longer than 25 seconds.

Action Taken When the DTC Sets

The PCM stores conditions which were present when the DTC set as Failure Records only. This information will not be stored as Freeze Frame Records.

Conditions for Clearing the MIL/DTC

    • The DTC becomes history when the conditions for setting the DTC are no longer present.
    • The history DTC clears after 40 malfunction free warm-up cycles.
    • The PCM receives a clear code command from the scan tool.

Diagnostic Aids

Check for the following conditions:

Important: Be sure to inspect PCM engine grounds for being secure and clean.

    • Poor connection at the PCM or the generator.
        Inspect harness connectors for backed out terminals, improper mating, broken locks, improperly formed or damaged terminals, and poor terminal to wire connection.
    • Damaged harness.
        Inspect the wiring harness for damage. If the harness appears to be OK, observe the Ignition 1 voltage display on the scan tool while moving connectors and wiring related to the PCM, dash harness, and engine harness. A change in the display will indicate the location of the malfunction.

If DTC P0560 cannot be duplicated, reviewing the Fail Records vehicle mileage since the diagnostic test last failed may help determine how often the condition that caused the DTC to be set occurs. This may assist in diagnosing the condition. For complete information and additional diagnostics for the vehicle charging system, refer to Charging System Check .

Important:: Charging with a battery charger while starting the engine can cause DTC P0560 to be set.

Test Description

Number(s) below refer to the step number(s) on the Diagnostic Table.

  1. This vehicle is equipped with a PCM which utilizes an Electrically Erasable Programmable Read Only Memory (EEPROM). When the PCM is being replaced, the new PCM must be programmed. Refer to PCM Replacement/Programming .

DTC P0560 - System Voltage

Step

Action

Value(s)

Yes

No

1

Was the Powertrain On-Board Diagnostic System Check performed?

--

Go to Step 2

Go to Powertrain On Board Diagnostic (OBD) System Check

2

Is DTC P1635 also set?

--

Go to DTC P1635 5 Volt Reference Circuit

Go to Step 3

3

  1. Start and run engine above 1000 RPM.
  2. Observe Ignition 1 on the scan tool.

Is Ignition 1 voltage between the specified values?

10 V-16 V

Go to Step 4

Go to Step 5

4

  1. Review and record the scan tool Fail Records data.
  2. Clear the DTC P0560 and operate the vehicle to duplicate the Fail Records conditions.
  3. Monitor Specific DTC info for DTC P0560 until the DTC P0560 test runs, using a scan tool.

Does the scan tool indicate DTC failed this ignition?

--

Go to Step 5

Go to Diagnostic Aids

5

  1. Install a Digital Multimeter between the battery terminals.
  2. Monitor the digital multimeter while running the engine above 1000 RPM.

Does digital multimeter show battery voltage between the specified values?

10 V-16 V

Go to Step 6

Go to Step 7

6

  1. Load the electrical system by turning ON the headlamps and the HVAC high blower.
  2. Monitor the digital multimeter while running the engine above 2000 RPM.

Does the digital multimeter show battery voltage between the specified values?

10 V-16 V

Go to Step 8

Go to Step 7

7

  1. Turn OFF the ignition.
  2. Disconnect the generator electrical connector.
  3. Connect a digital multimeter to measure voltage between the generator control circuit at the generator harness connector and ground.
  4. Start Engine.
  5. Command the Gen. L ong Term. ON using the scan tool.

Does the digital multimeter display voltage near the specified value with the Gen. L ong Term. commanded ON?

5V

Go to Step 12

Go to Step 10

8

Compare the Ignition 1 voltage displayed on the scan tool with the actual battery voltage read with the digital multimeter.

Does the scan tool Ignition 1 value closely match the actual value read with the digital multimeter?

--

Go to Diagnostic Aids

Go to Step 9

9

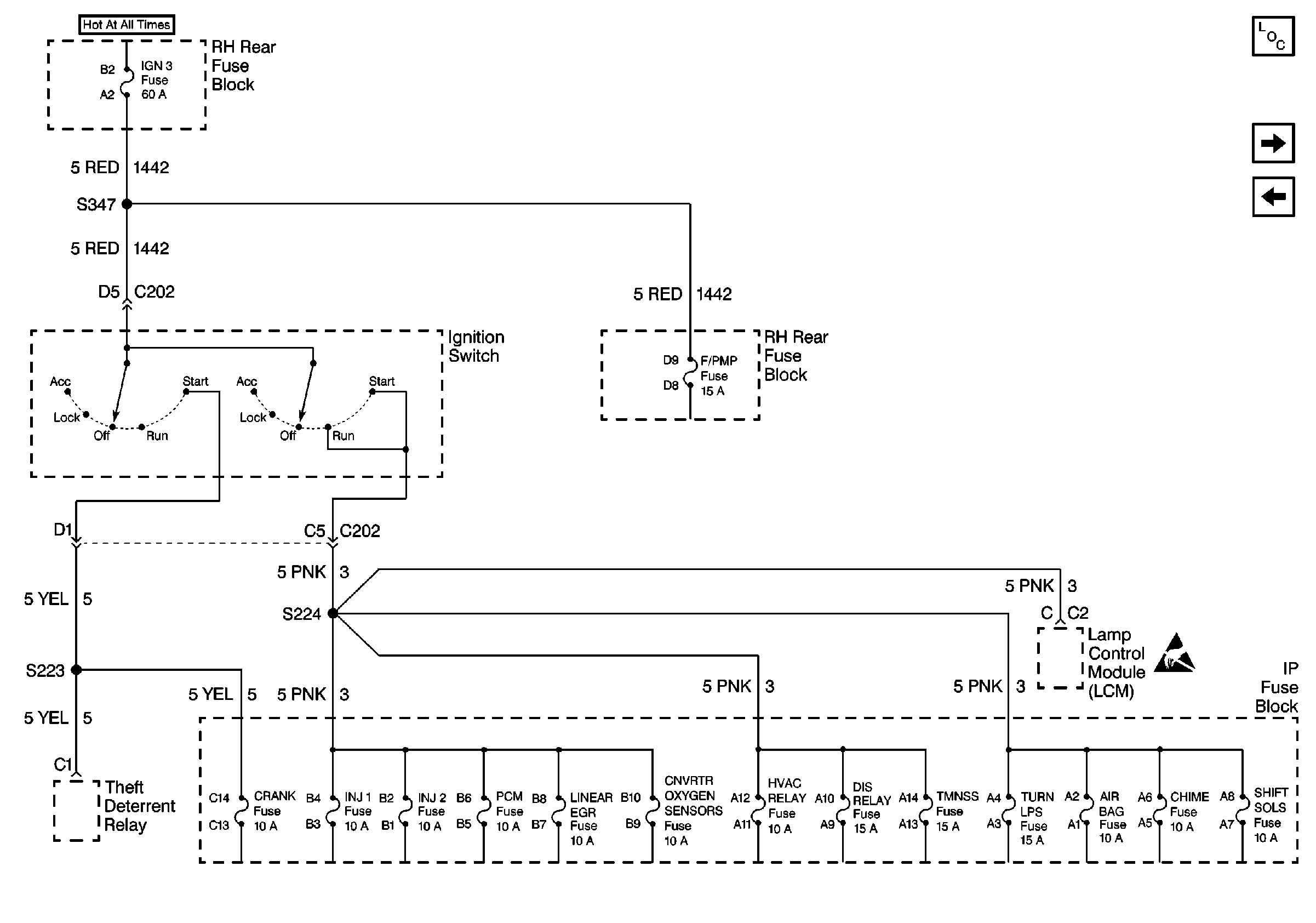
  1. Check the PCM ignition feed circuit for a poor connection between the ignition switch and the PCM. Refer to

    Cell 20: PCM Power and Grounds


    Object Number: 380974  Size: FS
    Engine Controls Components
    Powertrain Control Module Description
    Cell 20: MIL Control, DLC
    OBD II Symbol Description Notice
    Cell 10: PCM Fuse and MAF Fuse (Buick)
    Cell 10: PCM Fuse and MAF Fuse (Buick)
    Cell 10: PCM Fuse and MAF Fuse (Buick)
    Cell 10: PCM Fuse and MAF Fuse (Buick)
    Powertrain Control Module Connector End Views
    Handling ESD Sensitive Parts Notice
    Cell 14: G100 and G101 (Buick)
    Cell 10: Battery
    ,

    Cell 10: IGN 1 Fuse, Ignition Switch


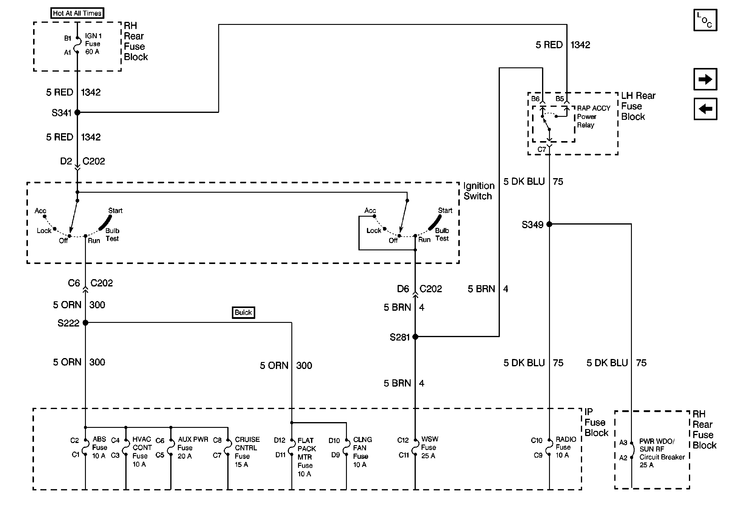
    Object Number: 342244  Size: FS
    Power and Grounding Component Views
    Cell 10: IGN 3 Fuse, Ignition Switch (Buick)
    Cell 10: Battery
    Cell 10: Engine Compartment Junction Block
    Cell 10: Engine Compartment Junction Block
    Cell 10: Battery
    ,

    Cell 10: IGN 3 Fuse, Ignition Switch (Buick)


    Object Number: 342247  Size: FS
    Power and Grounding Component Views
    Cell 10: IGN 3 Fuse, Ignition Switch (Oldsmobile)
    Cell 10: IGN 1 Fuse, Ignition Switch
    Cell 10: Ignition Switch
    Cell 10: Ignition Switch
    Cell 10: Ignition Switch
    Cell 10: Ignition Switch
    Cell 10: Battery
    or

    Cell 10: IGN 3 Fuse, Ignition Switch (Oldsmobile)


    Object Number: 342251  Size: FS
    Power and Grounding Component Views
    Cell 10: ABS PUMP MOTOR Fuse, ABS MAIN Fuse, and COOLING FAN Fuse
    Cell 10: IGN 3 Fuse, Ignition Switch (Buick)
    Cell 10: RH Rear Junction Block
    Cell 10: RH Rear Junction Block
    Cell 10: RH Rear Junction Block
    Cell 10: RH Rear Junction Block
    Cell 10: Battery
    .
  2. If a problem is found, repair as necessary.

Was a problem found?

--

Go to Step 14

Go to Step 13

10

  1. Check the generator control circuit for an open or a short to ground between the PCM and the generator.
  2. If a problem is found, repair as necessary. Refer to Wiring Repairs .

Was a problem found?

--

Go to Step 14

Go to Step 11

11

  1. Check the generator control circuit for a poor terminal connection at the PCM.
  2. If a problem is found, repair as necessary. Refer to Intermittents and Poor Connections Diagnosis and Repairing Connector Terminals .

Was a problem found?

--

Go to Step 14

Go to Step 13

12

  1. Check the generator control circuit for a poor terminal connection at the generator.
  2. If a problem is found, repair as necessary. Refer to Intermittents and Poor Connections Diagnosis and Repairing Connector Terminals .

Was a problem found?

--

Go to Step 14

Go to Charging System Check

13

Important:: The replacement PCM must be programmed. .

Replace the PCM. Refer to Powertrain Control Module Replacement/Programming

Is the action complete?

--

Go to Step 14

--

14

  1. Start and run the engine above 1000 RPM.
  2. Observe Ignition 1 on the scan tool.

Is Ignition 1 voltage between the specified values?

10 V-16 V

System OK

Go to Step 5